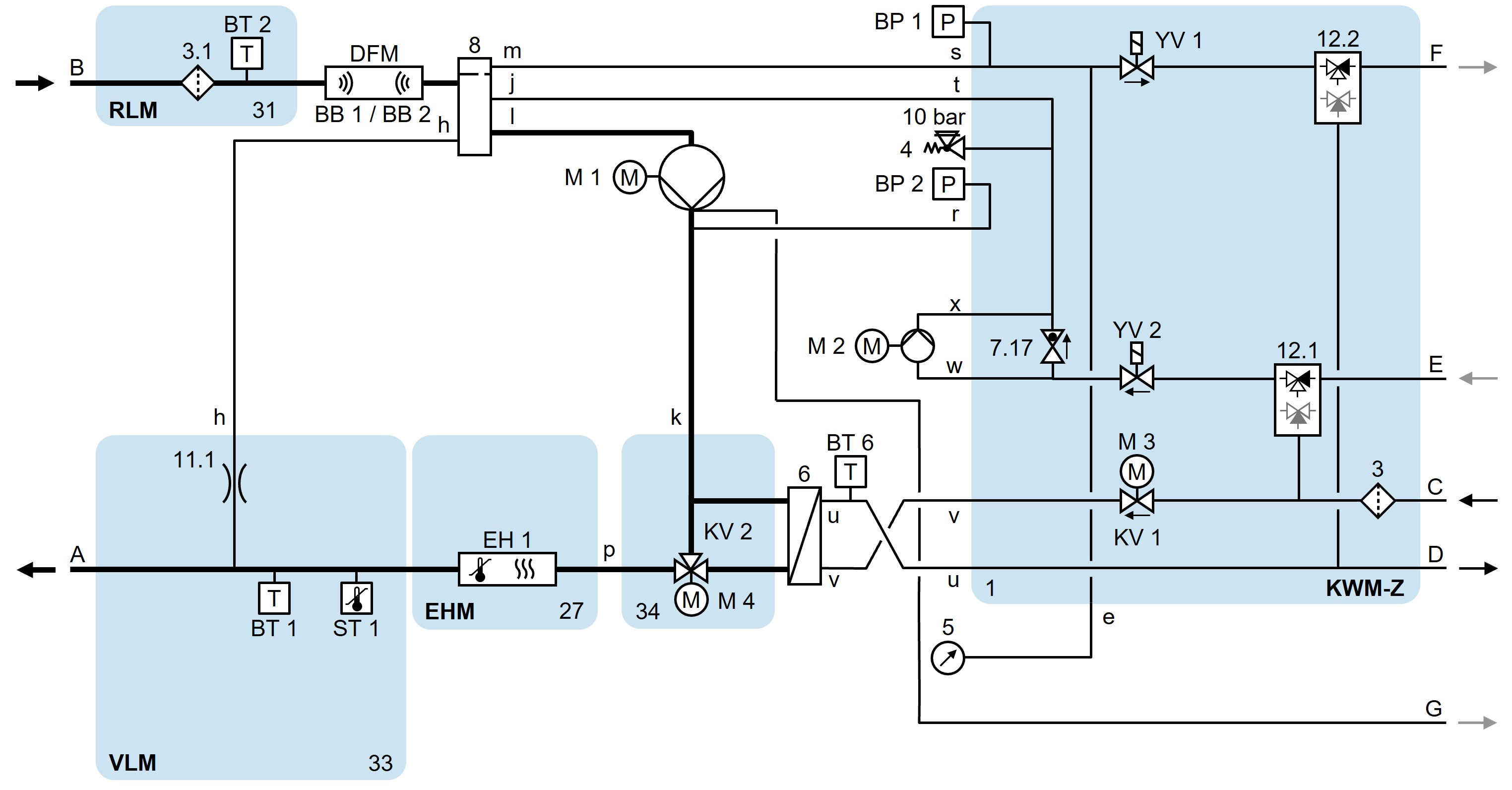
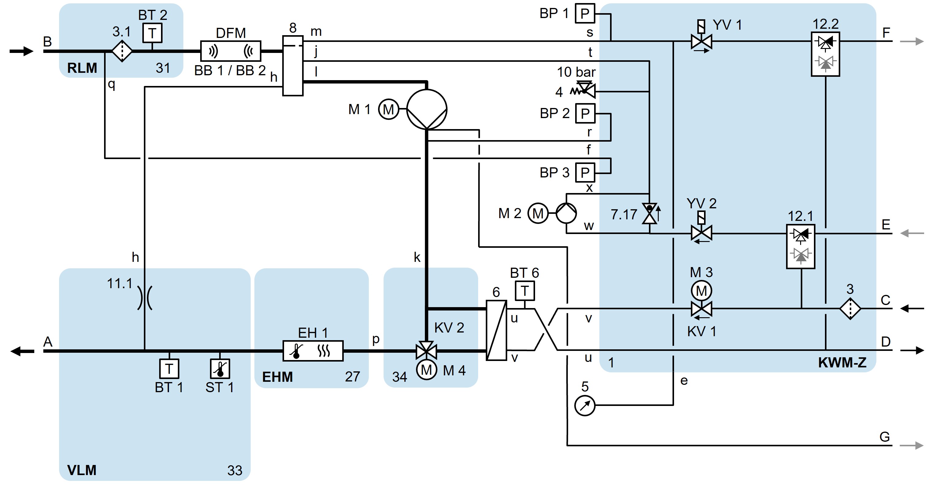
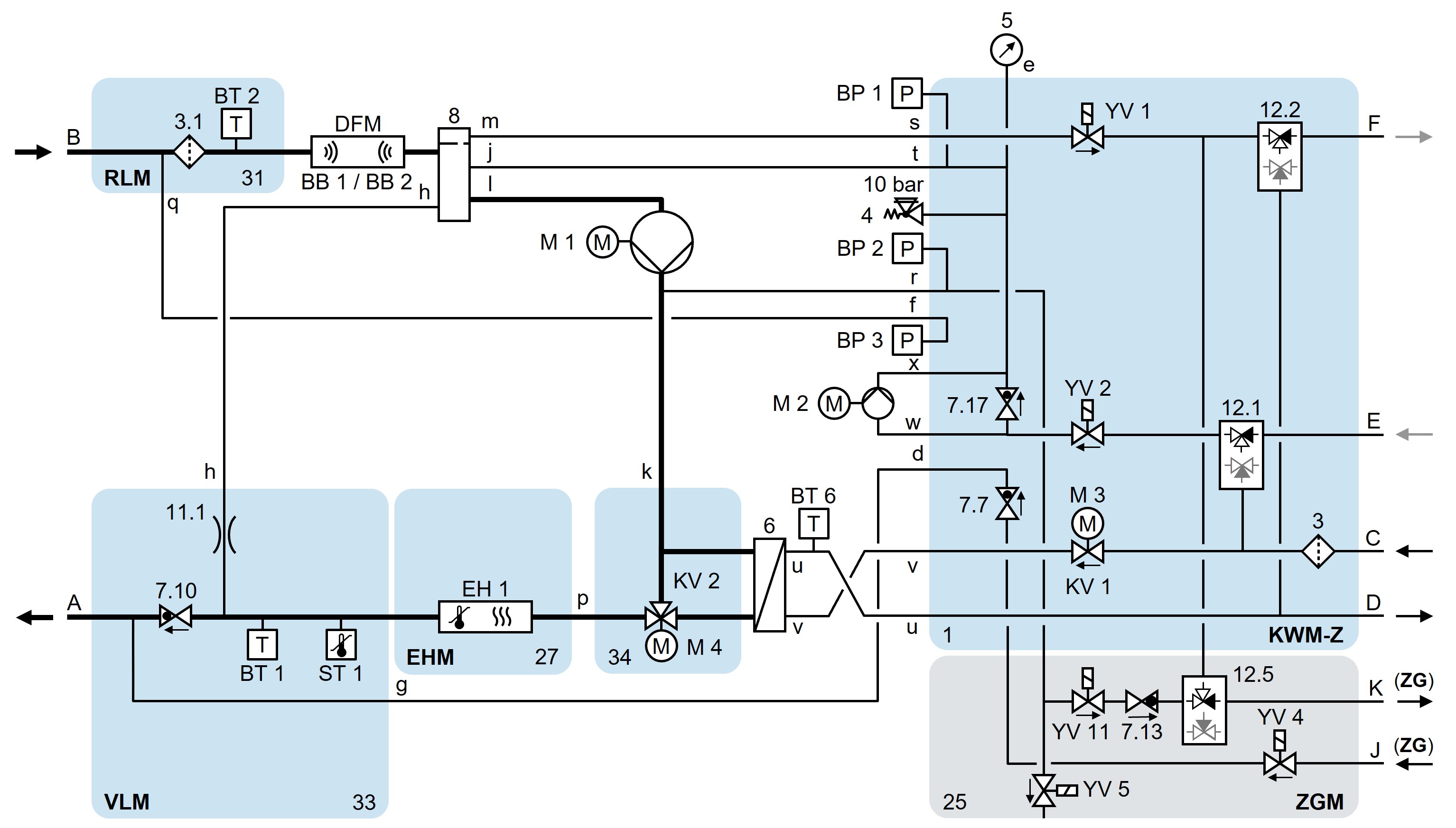
.Legende HB-100/140/160Z61 v2533HB-140/160Z62-16-6R-B2

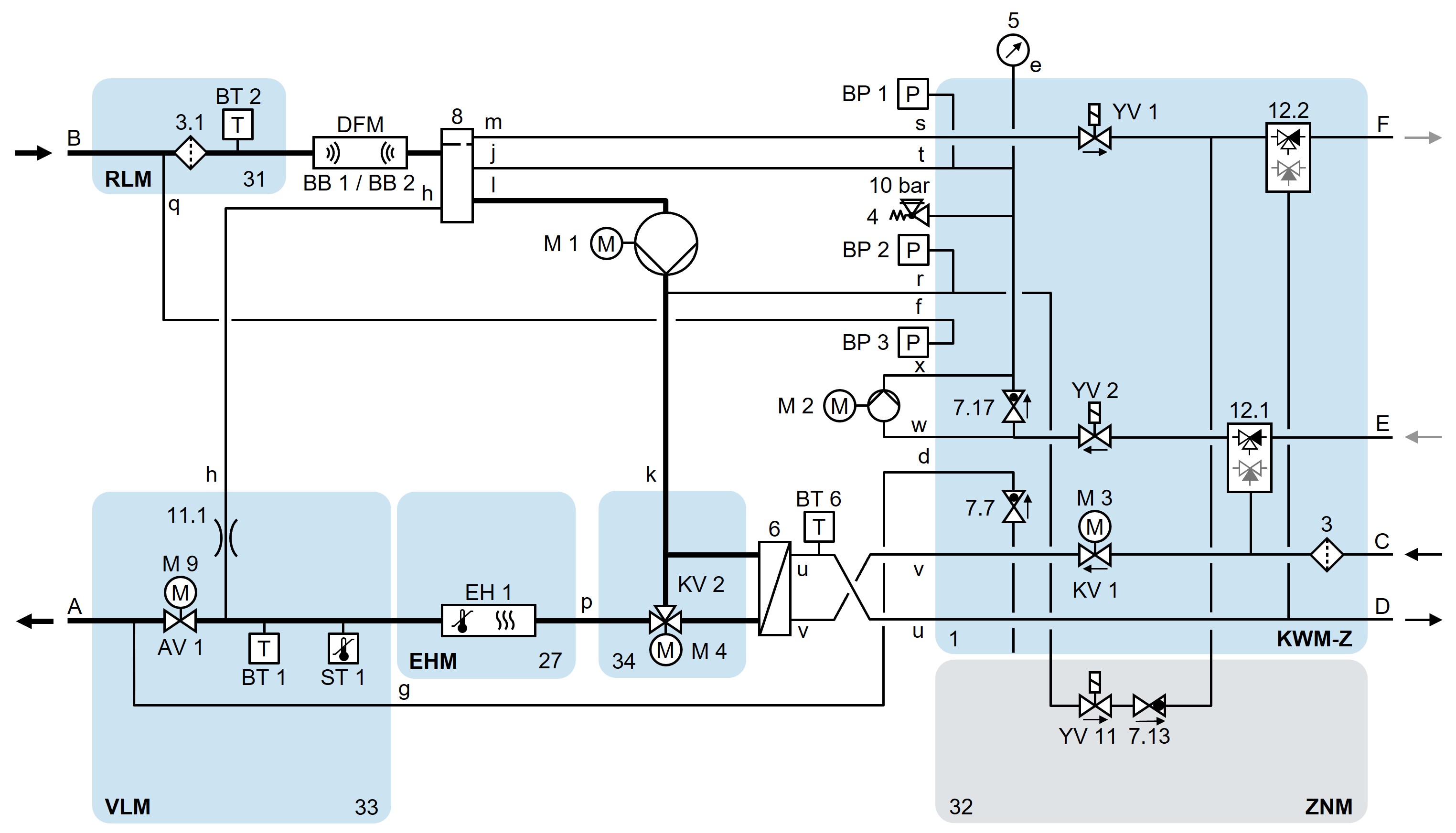
HB-140/160Z62-16-6R-B2-ZF

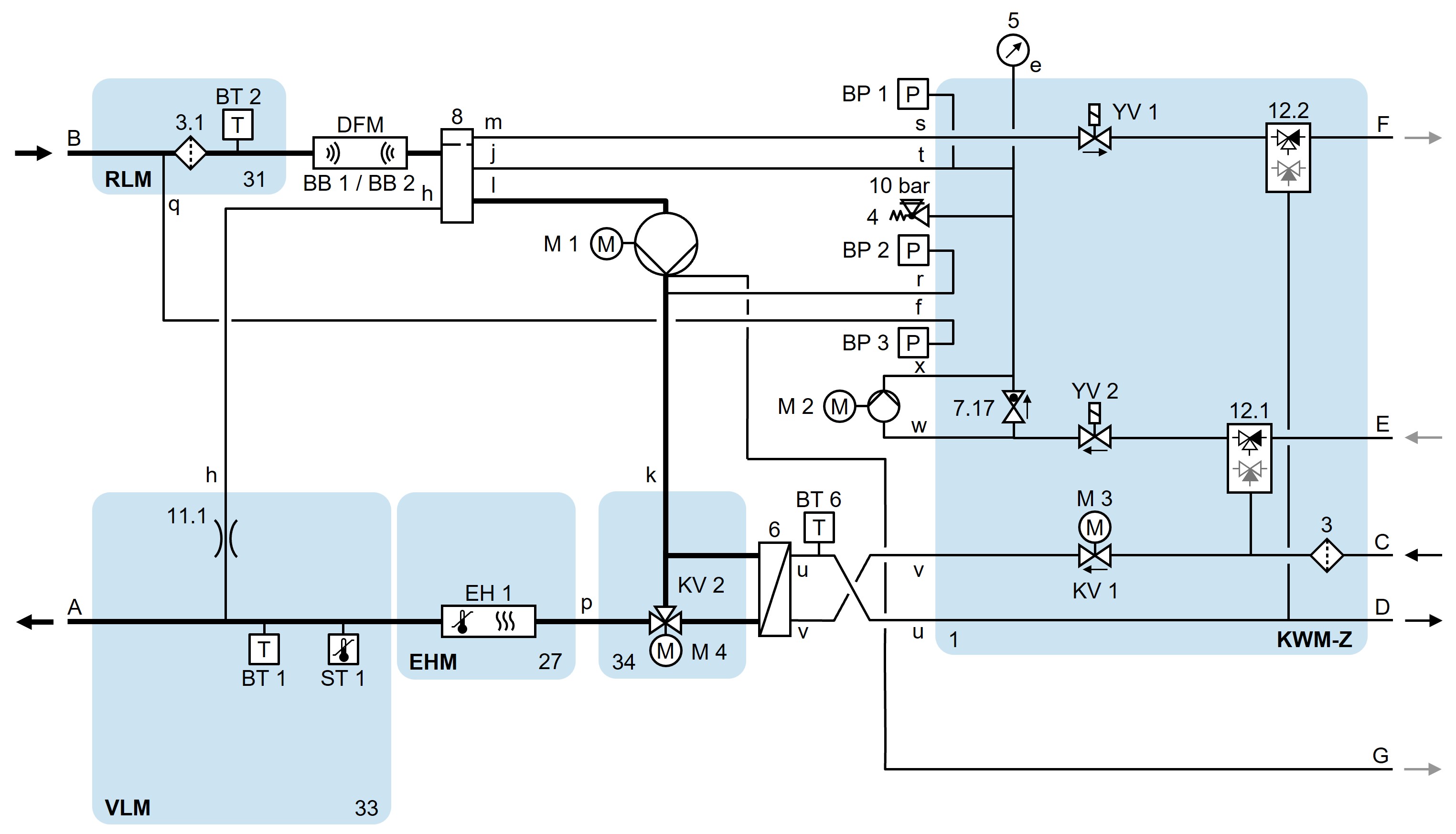
HB-140/160Z62-16-6R-E2

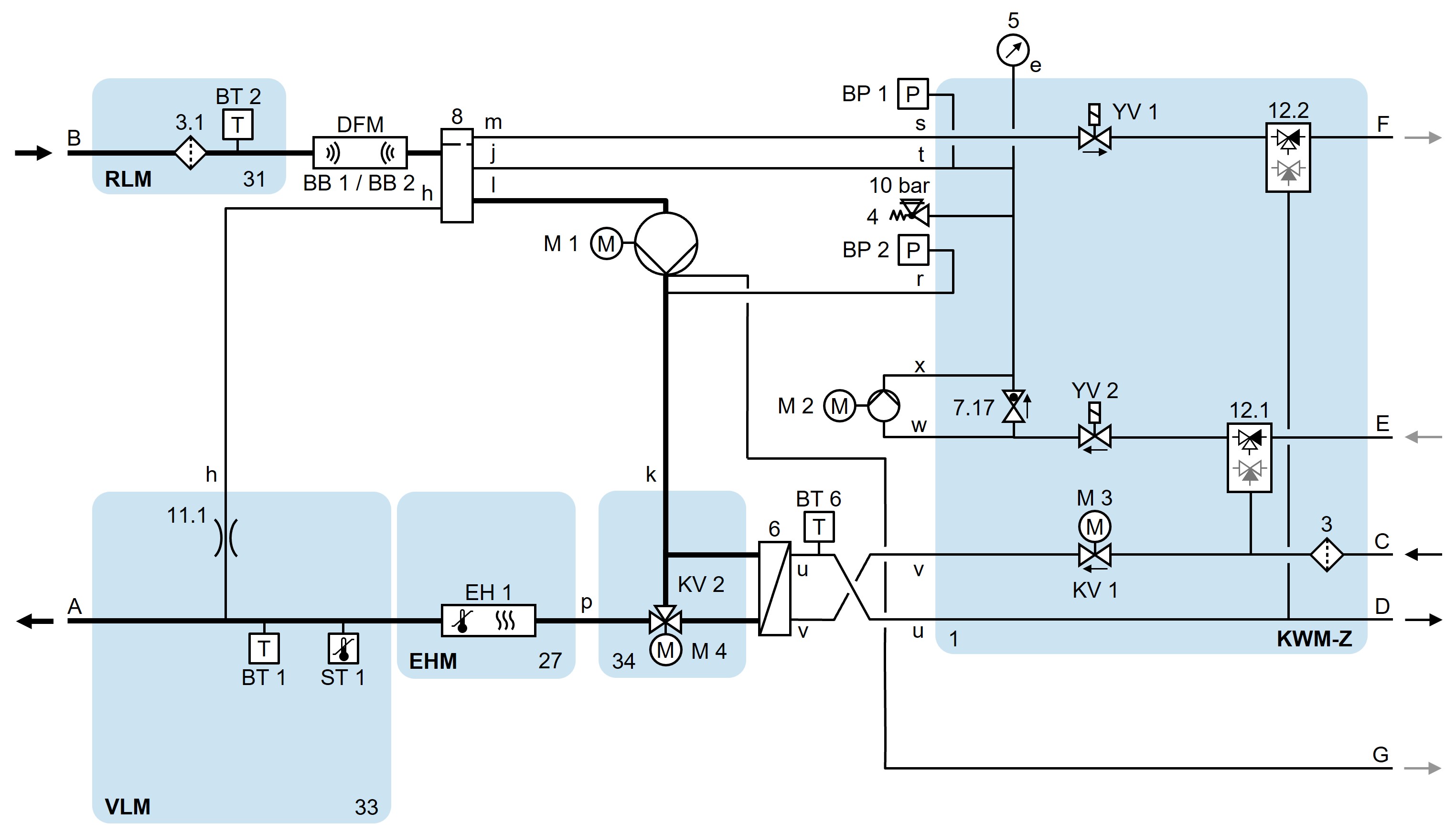
HB-140/160Z62-16-6R-E2-ZF

HB-140/160Z62-16-6R-B2/E2-ZF-ZN

HB-140/160Z62-16-6R-B2/E2-ZF-ZG

link범례