Download page C8842: Oprire de siguranță prin alarmă și sistem de comandă externă.
C8842: Oprire de siguranță prin alarmă și sistem de comandă externă
Versiune specială (Anexa A): Oprire de siguranță prin alarmă și sistem de comandă externă
Denumire
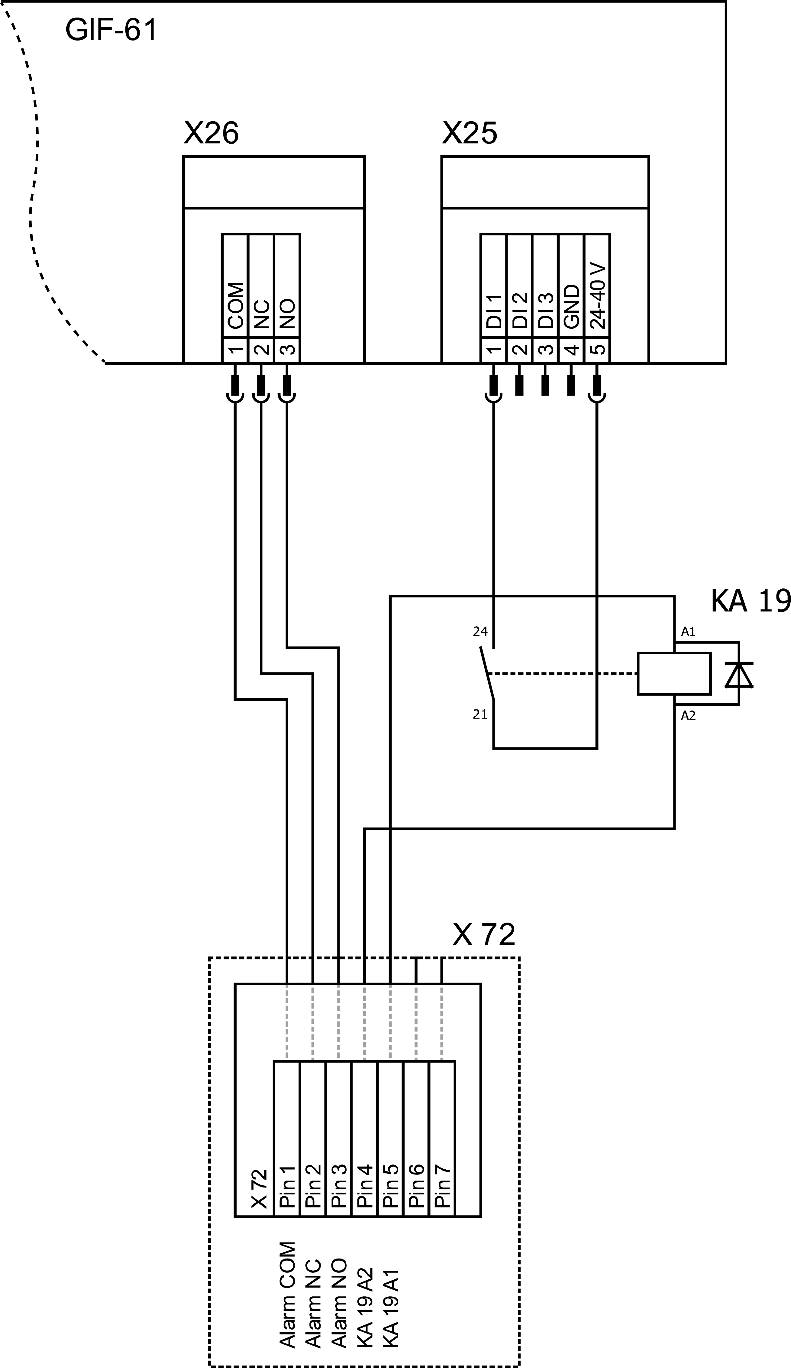
În această versiune, dispozitivul este echipat cu un releu suplimentar (KA 19), care poate fi utilizat pentru a opri dispozitivul în siguranță. Pentru funcționare, releul (KA 19) trebuie furnizat cu o tensiune externă de 24 VDC. Dacă tensiunea externă de 24 VDC este întreruptă, releul (KA 19) se oprește și oprește unitatea printr-un contact fără potențial.
setarea parametrilor de modificare
Pentru această versiune, este necesară următoarea Setare în meniul principal din [Setări] > [Diverse]:
Parametrii [Safe -OFF Prin Ext. Contact] → porniţi funcţia cu glisorul ().
Setați parametrii [Temperatura de golire a matriței] La „90° C.”
NOTĂŢĂ!
Parametrii sunt [Sigur. -OFF Prin Ext. Contact] este pornit, restul Funcțiilor de control extern (valoarea nominală de comutare 1 sau 2) sunt dezactivate prin contactul fără potențial.
Modificarea schemei electrice (extras)
Aranjamentul componentelor de modificare
Modificarea legendei
abreviere
Denumire
execuție
KA19
Releu de oprire de siguranță
Datenschutz - Data protection - Protection de données
Wir setzen Cookies ein, um Ihnen die Nutzung unserer Webseite zu erleichtern. Weitere Informationen zu Cookies finden Sie in unserer Datenschutzerklärung. We use cookies to help you use our website. More information about cookies can be found in our privacy policy. Notre site utilise des cookies afin de vous garantir un service optimal. En utilisant ce site web, vous acceptez les présentes conditions. Vous trouverez privacy policy de plus amples informations. Privacy Policy