Specialversion (bilaga A): Säkerhetsavstängning via larm och extern styrning

Beskrivning

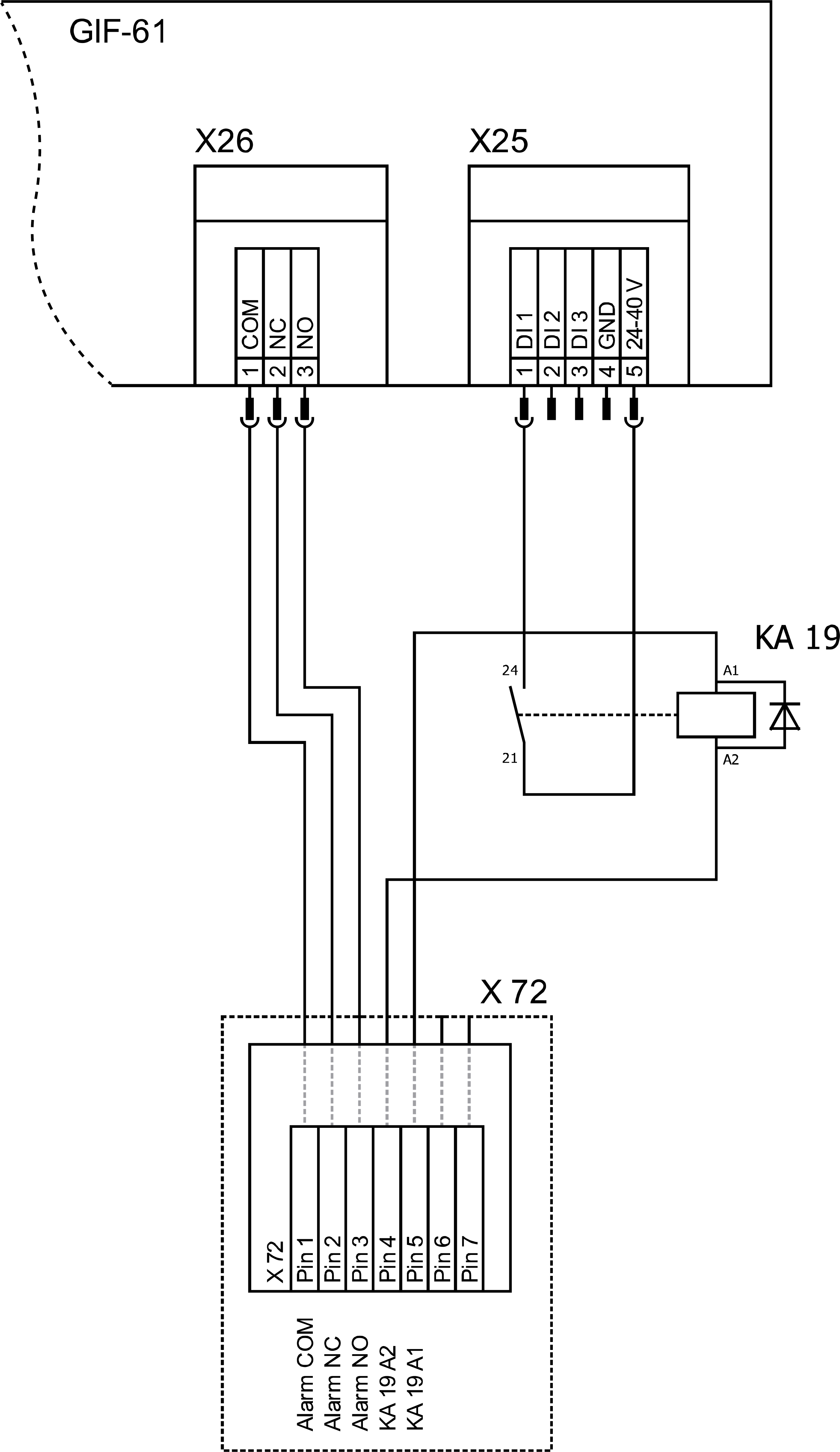
I denna version är aggregatet utrustat med ett extra relä (KA 19), som kan användas för att stänga av aggregatet på ett säkert sätt. För drift måste reläet (KA 19) förses med en extern 24 VDC spänning. Om den externa 24 VDC-spänningen avbryts stängs reläet (KA 19) av och stänger av aggregatet via en potentialfri kontakt.

inställning av ändringsparameter

För den här versionen krävs följande Inställning i huvudmenyn under [Inställningar] > [Övrigt]:

  • Parametrar [Säker -OFF Via Ext. Kontakt]
    → starta funktionen med skjutreglaget ().
  • Ställ in parametern [Formtömningstemperatur] på ”90° C.”

ANMÄRKNING!

Är parametrarna [Säker. -OFF Via Ext. Kontakt] är påslagen, de återstående Funktioner för extern styrning (omkopplingsmålvärde 1 eller 2) inaktiveras via den potentialfria kontakten.

Elektriskt diagram Ändring (utdrag)

Arrangemang för ändring av beståndsdelar

Ändring av förklaringen

förkortningBeteckningavrättning
KA19Relä för säkerhetsavstängning