特殊版本(附录 A):通过警报和外部控制系统进行安全停机

描述

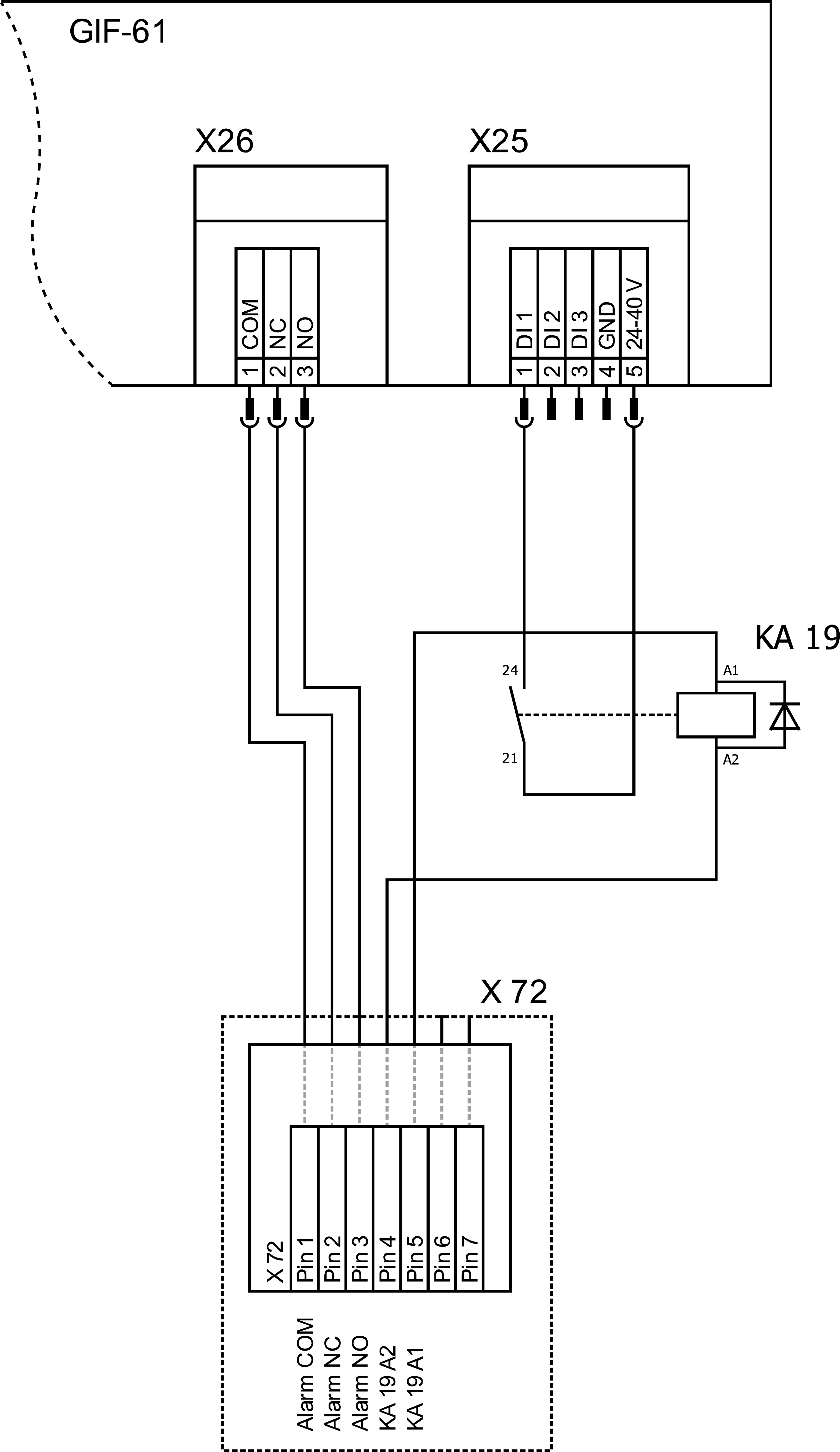
在此版本中,设备配备了额外的继电器(KA 19),可用于安全地关闭设备。 要@@ 进行操作,必须为继电器 (KA 19) 提供外部 24 VDC 电压。 如果外部 24 VDC 电压中断,则继电器 (KA 19) 会关闭并通过无电势触点关闭设备

修改参数设置

对于此版本,需要在主菜单的 [设置] > [其] 下进行以下设置

  • 参数 [通过分机安全关闭 Contact]
    → 使用滑块接通功能 ()。
  • 将 [模具清空温度] 参数设置为 “90°C”。

注意!

参数是否安全 [. 通过分机关闭 接触] 处于开启状态,外部控制系统的其余功能(切换目标值 1 或 2)将通过无电势触点停用。

电气图改进(摘录)

修改组件排列

《图例修正案》

缩写说明处决
KA19安全停机继电器