Versione speciale (Appendice A): Arresto di sicurezza tramite allarme e controllo esterno

Descrizione

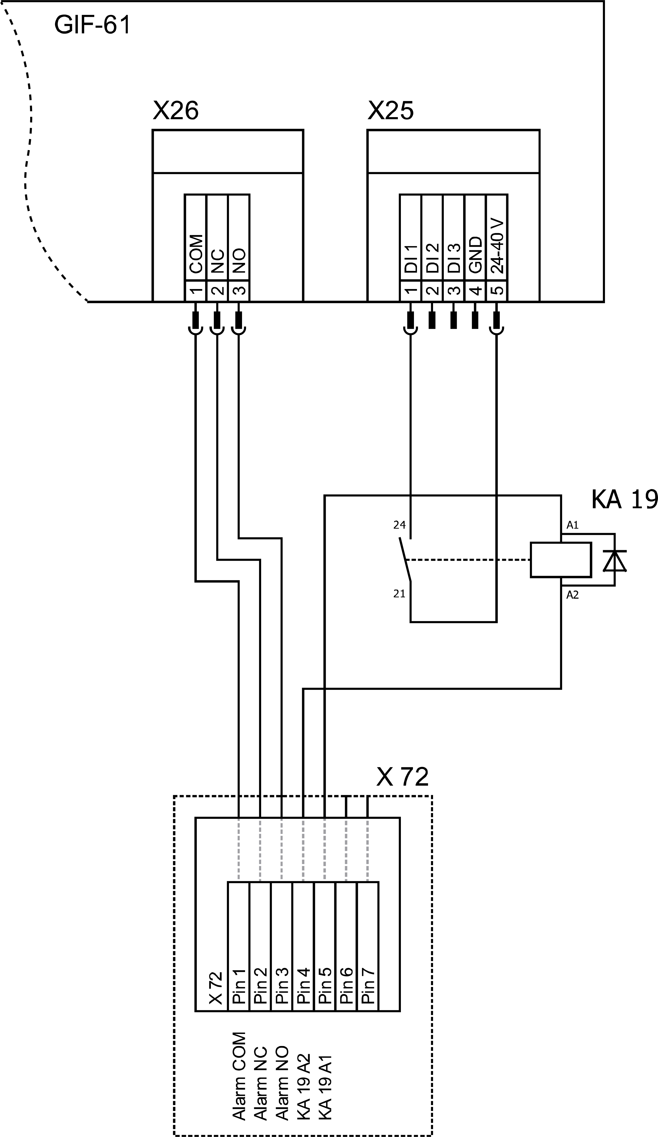
In questa versione, il dispositivo è dotato di un relè aggiuntivo (KA 19), che può essere utilizzato per spegnere il dispositivo in modo sicuro. Per il funzionamento, il relè (KA 19) deve essere alimentato con una tensione esterna di 24 VDC. Se la tensione esterna a 24 VDC viene interrotta, il relè (KA 19) si spegne e spegne l'unità tramite un contatto privo di potenziale.

Modificare l'impostazione dei parametri

Per questa versione, è richiesta la seguente impostazione nel menu principale in [Impostazione] > [Varie]:

  • Perimetro [Safety off via ext. Contact]
     → accendere la funzione con il cursore ().
  • Impostare il perimetro [Temperatura svuotamento stampo] su «90 °C».

NOTA!

Il perimetro [Safety off via ext. Contact] è acceso, le restanti Funzioni del controllo esterno (commutazione del Valore teorico 1 o 2) vengono disattivate tramite il contatto privo di potenziale.

Modificare lo schema elettrico (estratto)

Modificare la disposizione dei componenti

Modificare la legenda

AbbreviazioneDenominazioneEsecuzione
KA 19Relè di spegnimento di sicurezza