특별 버전 (부록 A): 알람 및 외장형 제어장치를 통한 안전 차단

설명

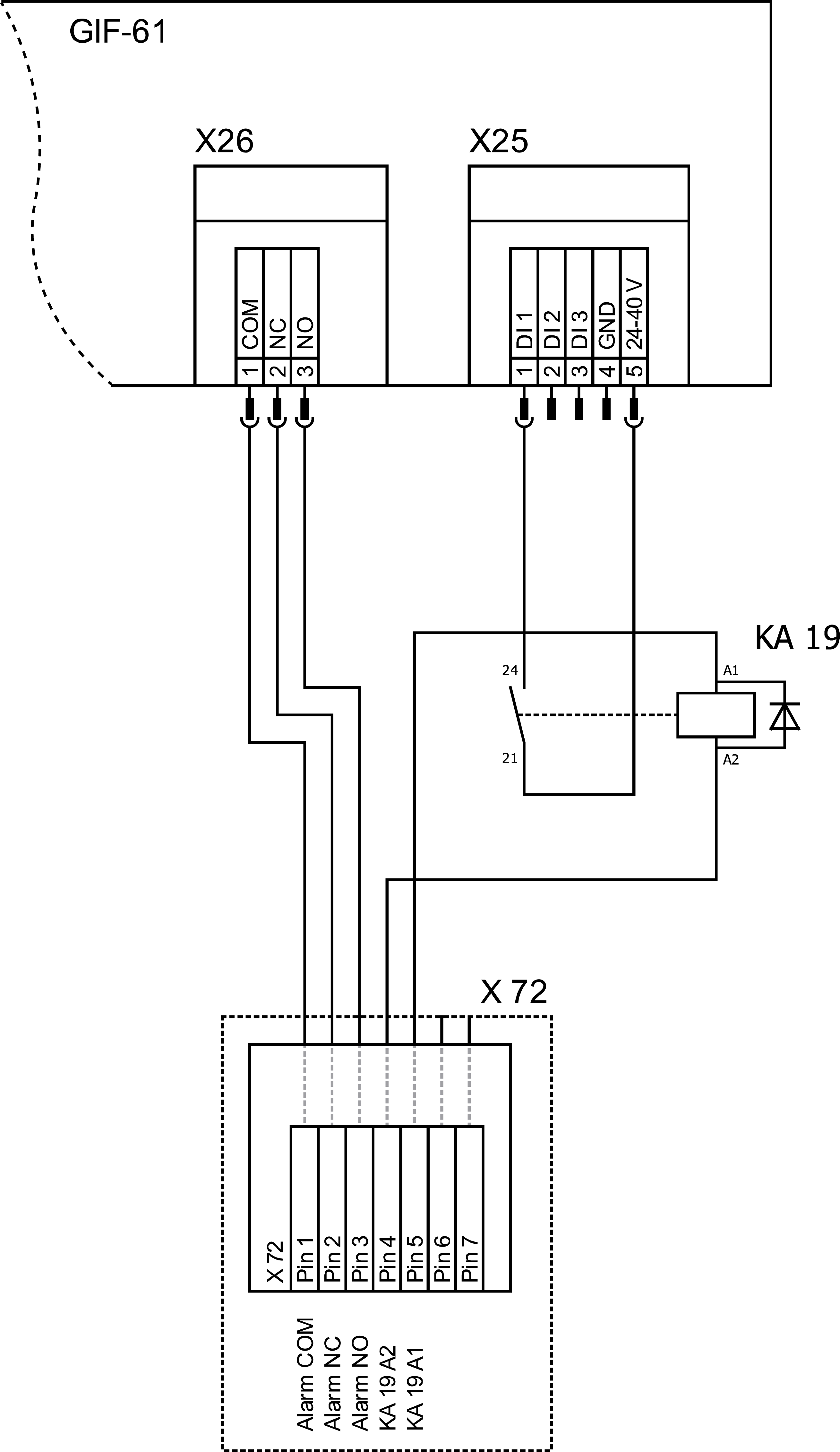
이 버전에서는 장치에 추가 릴레이 (KA 19) 가 장착되어있어 장치를 안전하게 끄는 데 사용할 수 있습니다. 작동을 위해서는 릴레이 (KA 19) 에 외부 24VDC 전압을 공급해야 합니다. 외부 24VDC 전압이 차단되면 릴레이 (KA 19) 가 차단되고 무전위 접점을 통해 장치가 꺼집니다.

변화 매개 변수 설정

이 버전의 경우 메인 메뉴의 [설정] > [기타] 에서 다음 설정이 필요합니다.

  • 매개변수 [안전 -OFF (내선 번호)] 연락처]
    → 슬라이더 () 로 기능을 켜십시오.
  • [금형 배출 온도] 매개변수를 “90°C”로 설정합니다.

주의사항!

[매개변수] 는 안전한가요? -내선 번호를 통해 끄십시오. [접점] 이 켜지면 무전위 접점을 통해 외장형 제어장치의 나머지 기능 (스위칭 목표 값 1 또는 2) 이 비활성화됩니다.

전기 다이어그램 변화 (발췌)

변화 구성 요소 배열

레전드 변화

약어지정실행
KA19세이프티 셧다운 릴레이