Download page C8842: Varnostni izklop prek alarma in zunanje krmiljenje.
C8842: Varnostni izklop prek alarma in zunanje krmiljenje
Posebna različica (Dodatek A): Varnostni izklop z alarmom in zunanje krmiljenje
Opis
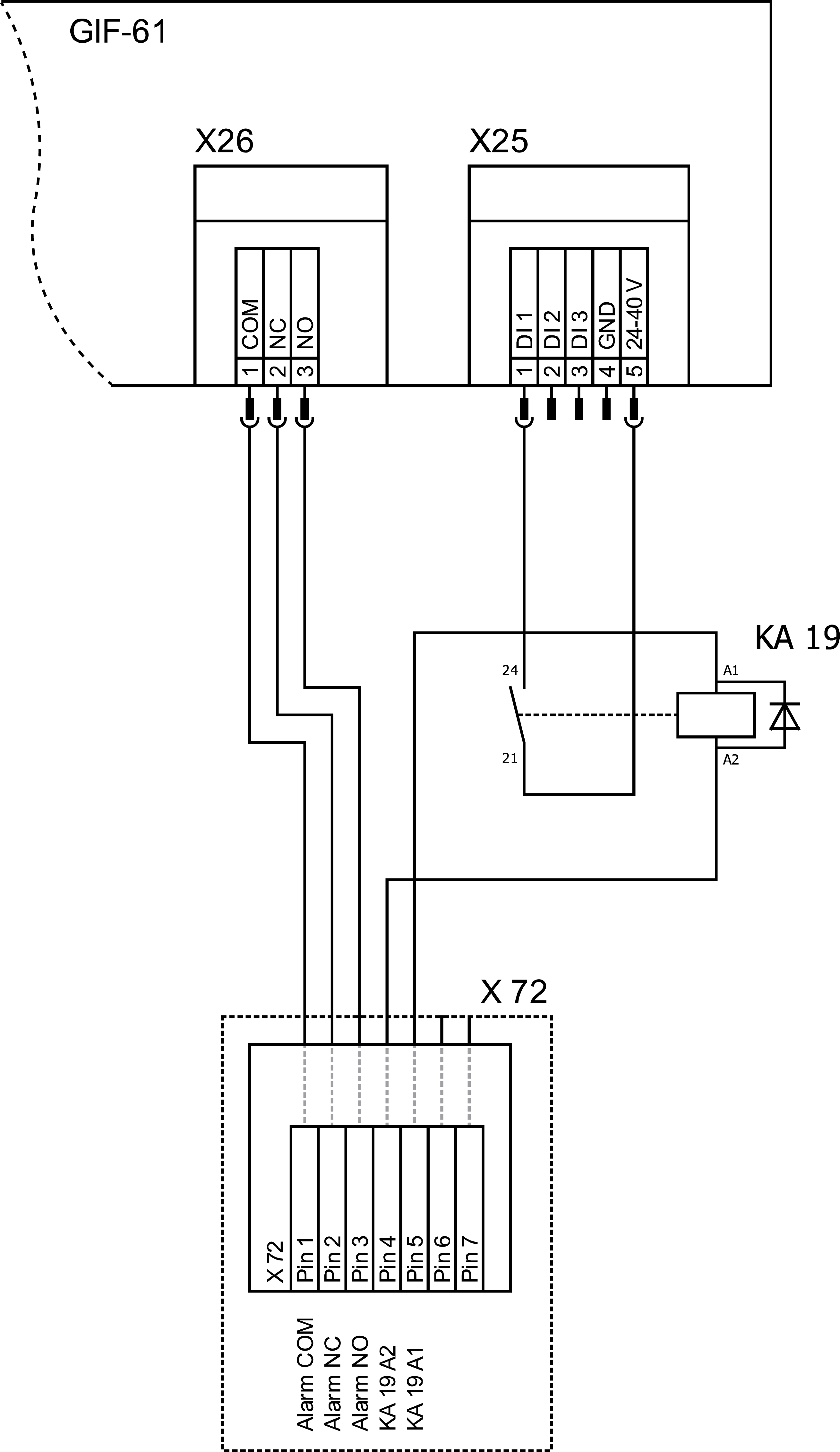
V tej različici je naprava opremljena z dodatnim relejem (KA 19), ki se lahko uporablja za varno izklop naprava. Za delovanje mora biti rele (KA 19) opremljen z zunanjo 24 VDC napetostjo. Če je zunanja 24 VDC napetost prekinjena, se rele (KA 19) izklopi in izklopi naprava prek stika brez potenciala.
Nastavitev parametrov spremembe
Za to različico je v glavni meni pod [Nastavitve] > [Razno] Potrebna Naslednja Nastavitev:
parametri [Safe -OFF Preko Ext. Kontakt] → vklop funkcija z drsnikom ().
Nastavite [Temperatura Praznjenje Modela] parametri na »90 °C«
OPOMBA!
Deja parametri [Varno. -OFF Preko Ext. Kontakt] je vklopljen, preostale Funkcije zunanjega nadzora (preklapljanje ciljna vrednost 1 ali 2) se deaktivirajo prek stika brez potenciala.
Električna shema spreminjanje (odlomek)
Dogovor o komponentah spreminjanje
spreminjanje legende
okrajšava
Imenovanje
izvedba
KA19
Varnostni izklopni rele
Datenschutz - Data protection - Protection de données
Wir setzen Cookies ein, um Ihnen die Nutzung unserer Webseite zu erleichtern. Weitere Informationen zu Cookies finden Sie in unserer Datenschutzerklärung. We use cookies to help you use our website. More information about cookies can be found in our privacy policy. Notre site utilise des cookies afin de vous garantir un service optimal. En utilisant ce site web, vous acceptez les présentes conditions. Vous trouverez privacy policy de plus amples informations. Privacy Policy