Posebna verzija (Dodatak A): Bezbednosno isključivanje putem alarma i spoljne kontrole

Opis

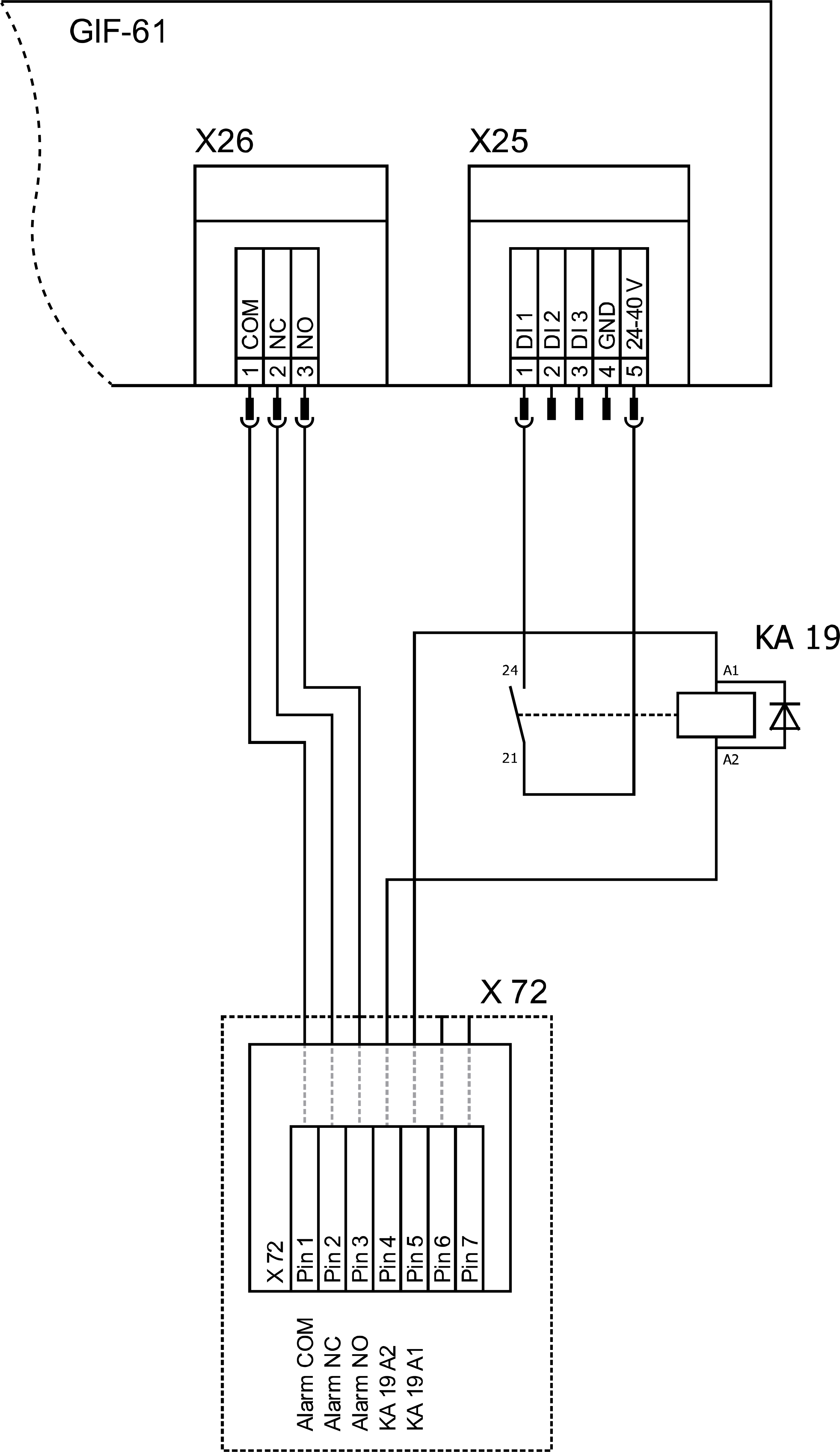
U ovoj verziji, jedinica je opremljen dodatnim relejem (KA 19), koji se može koristiti za bezbedno isključivanje jedinica. Za rad, relej (KA 19) mora biti isporučen sa spoljnim naponom od 24 VDC. Ako je spoljni 24 VDC napon prekinut, relej (KA 19) se isključuje i isključuje jedinica putem kontakta bez potencijala.

Promenite podešavanje parametara

Za ovu verziju, sledeće Podešavanje su potrebne u glavni meni pod [Podešavanja] > [Ostalo]:

  • parametar [Safe -OFF Preko Lok. Kontakt]
    → Uključite funkciju pomoću klizača ().
  • Podesite parametar [Temperatura pražnjenja Kalupa] na „90 °C“.

BELEŠKA!

Da li su parametar [Siguran. -OFF Preko Lok. Kontakt] je uključen, preostale Funkcije spoljnog kontrolera (prebacivanje zadane tačke 1 ili 2) se deaktiviraju putem kontakta bez potencijala.

Promena električni dijagram (odlomak)

Promena raspored komponenti

Promena legende

skraćenicaOznakaIzvršenje
KA19Sigurnosni zaporni relej