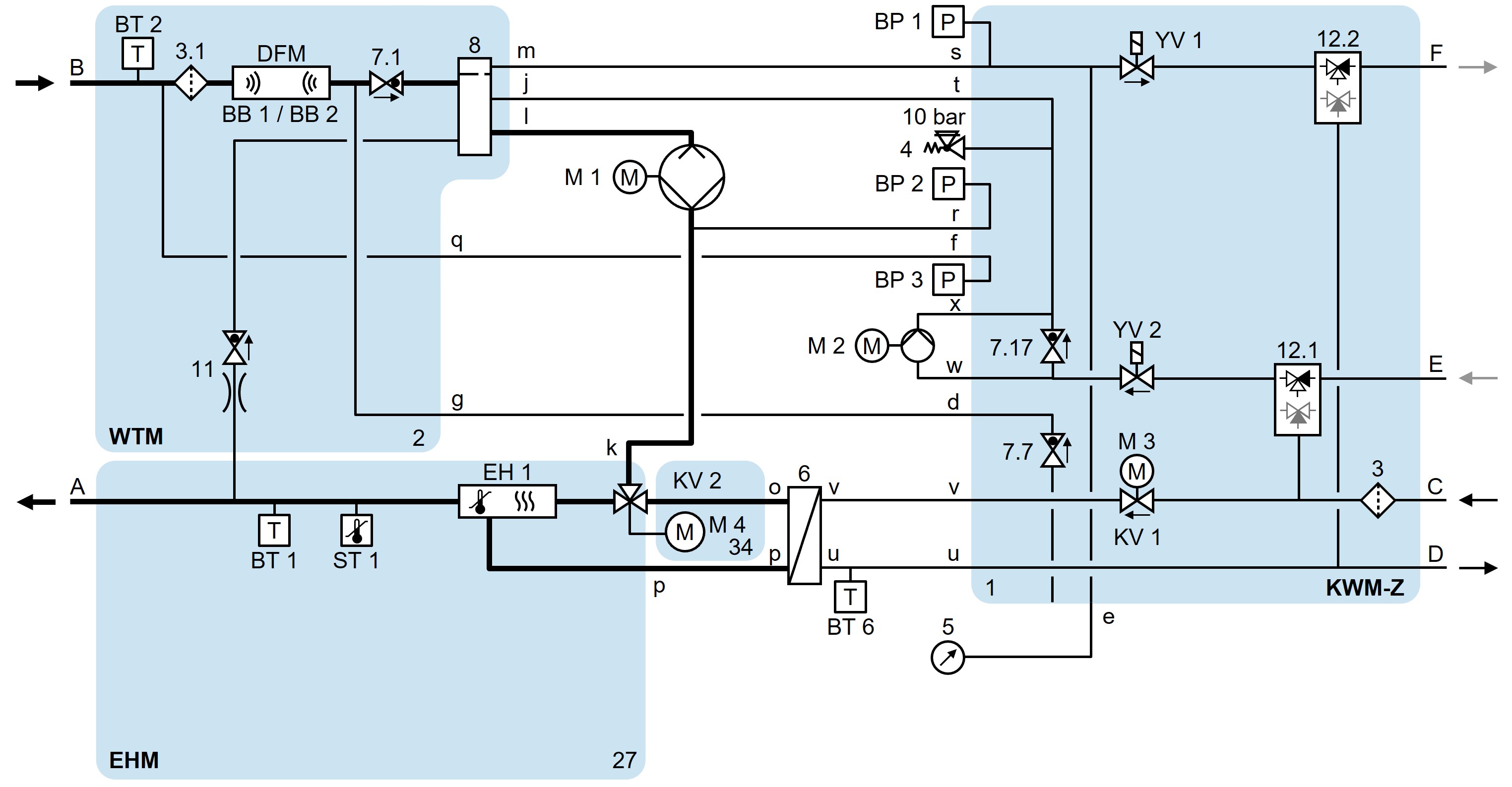
ВБ-140/160З61/62-8/16-4С-А2

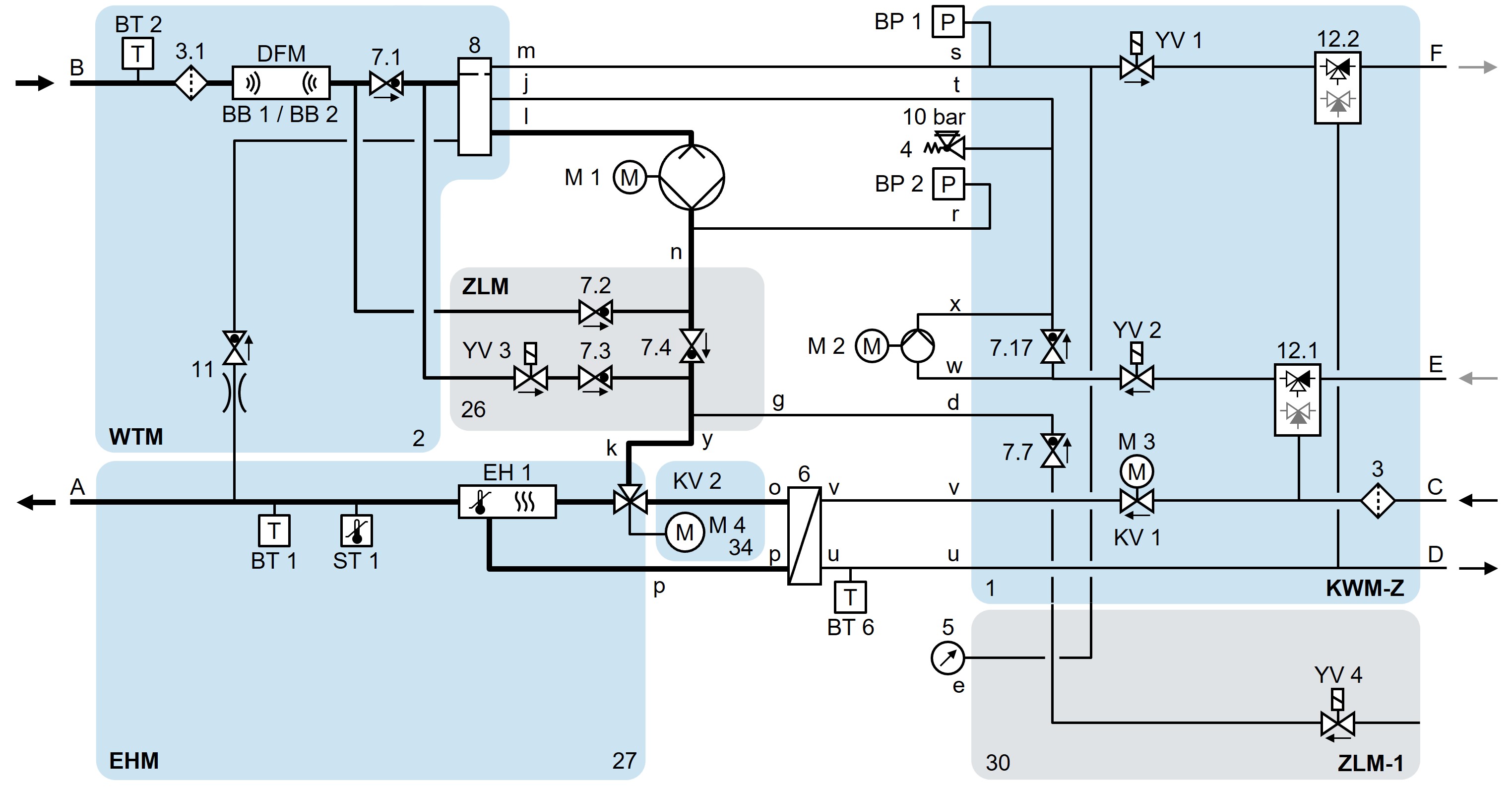
ВБ-140/160З61/62-8/16-4С-А2-ЗЛ

ВБ-140/160З61/62-8/16-4С-А2-ЗФ

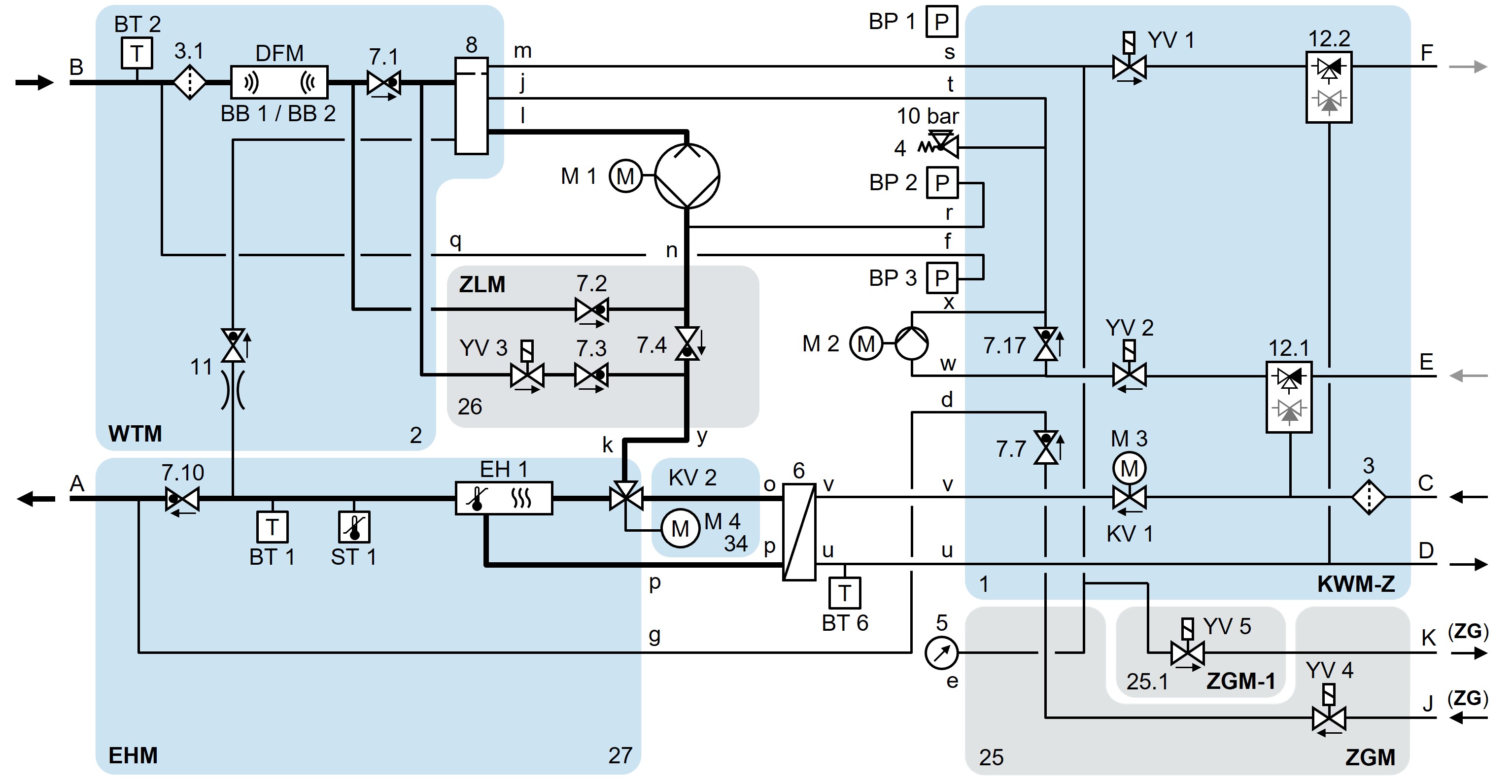
ВБ-140/160З61/62-8/16-4С-А2-ЗГ

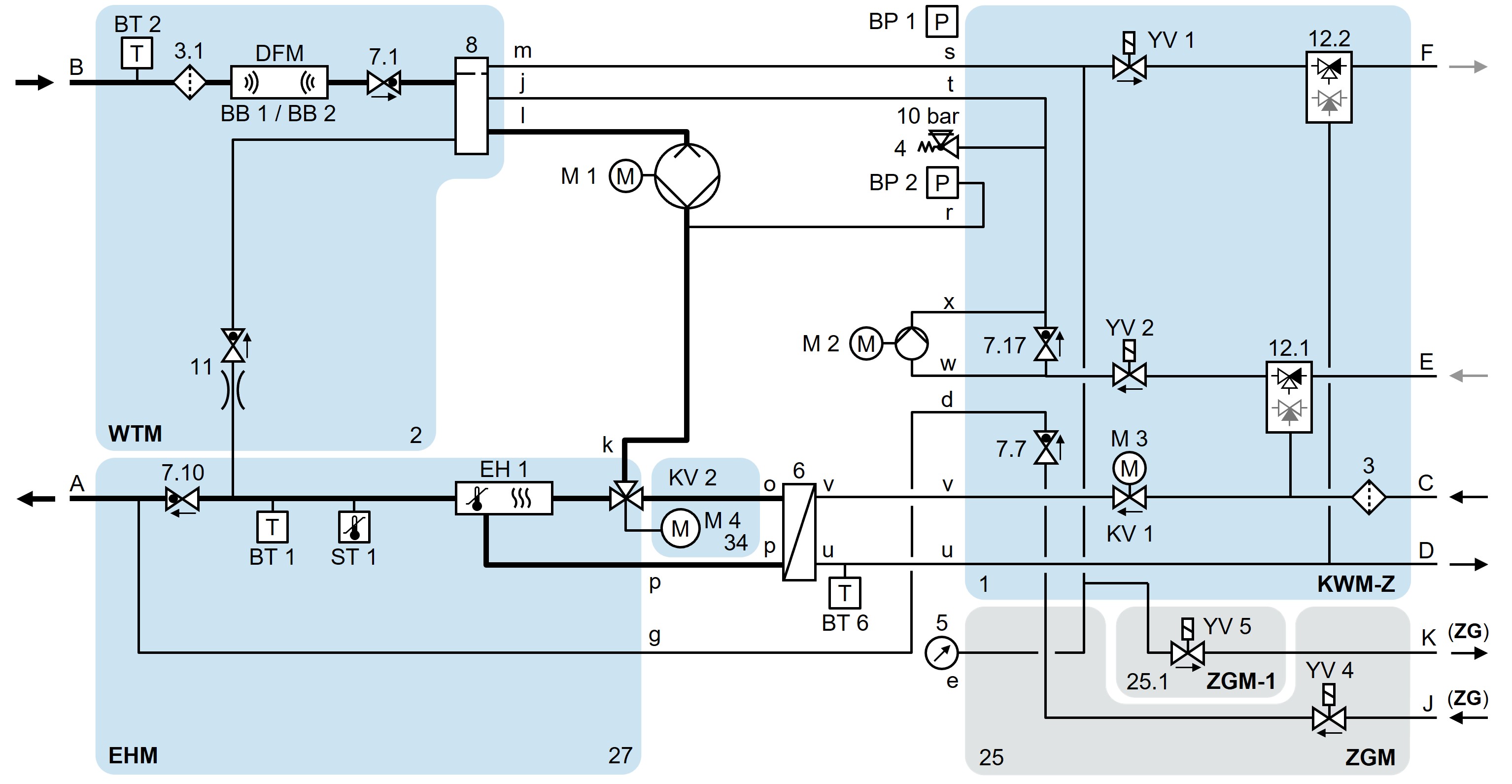
ВБ-140/160З61/62-8/16-4С-А2-ЗЛ-ЗФ-ЗГ

linkлегенда