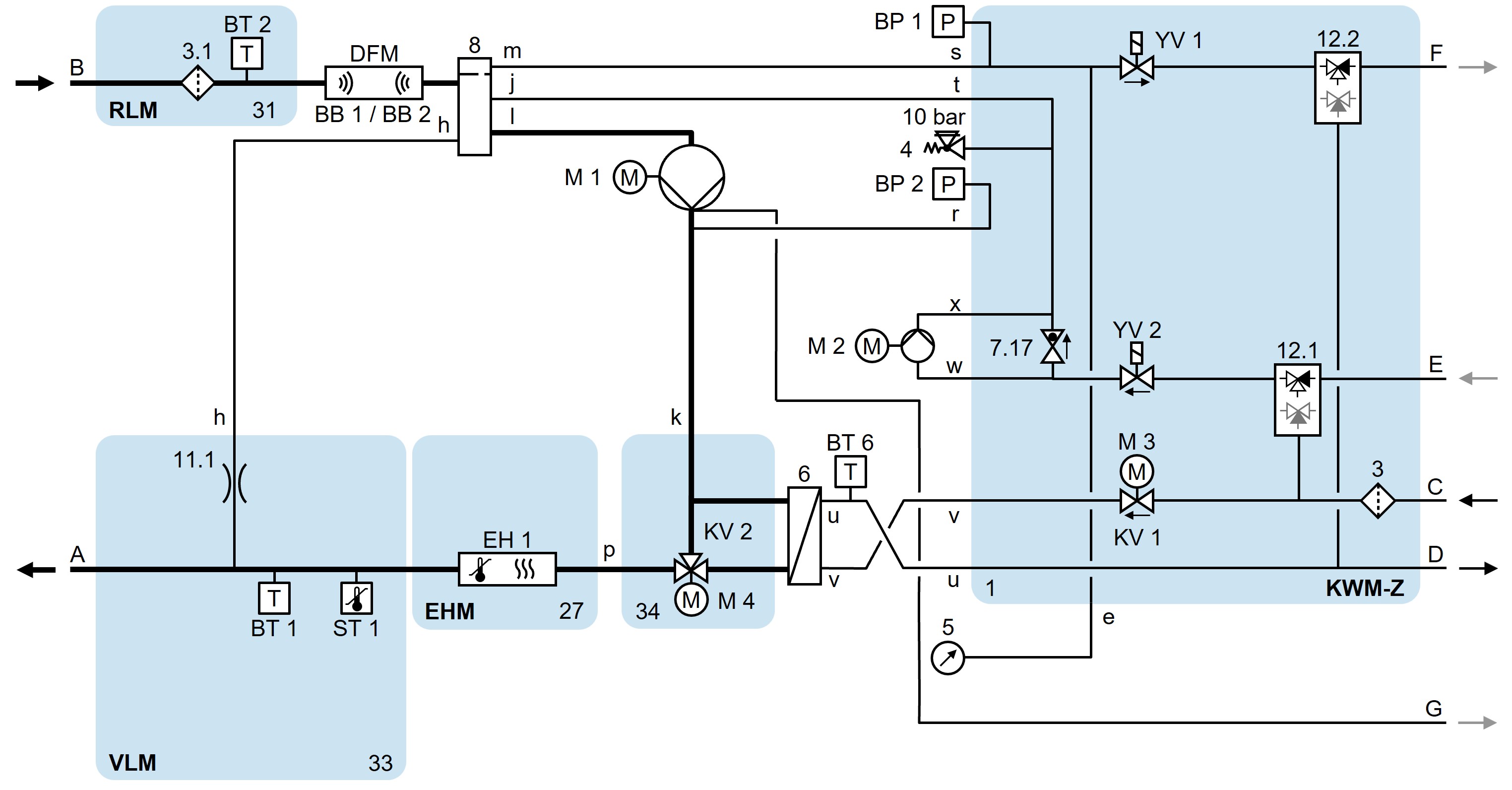
HB-140/160Z62-16-6R-B2

HB-140/160Z62-16-6R-B2-ZF

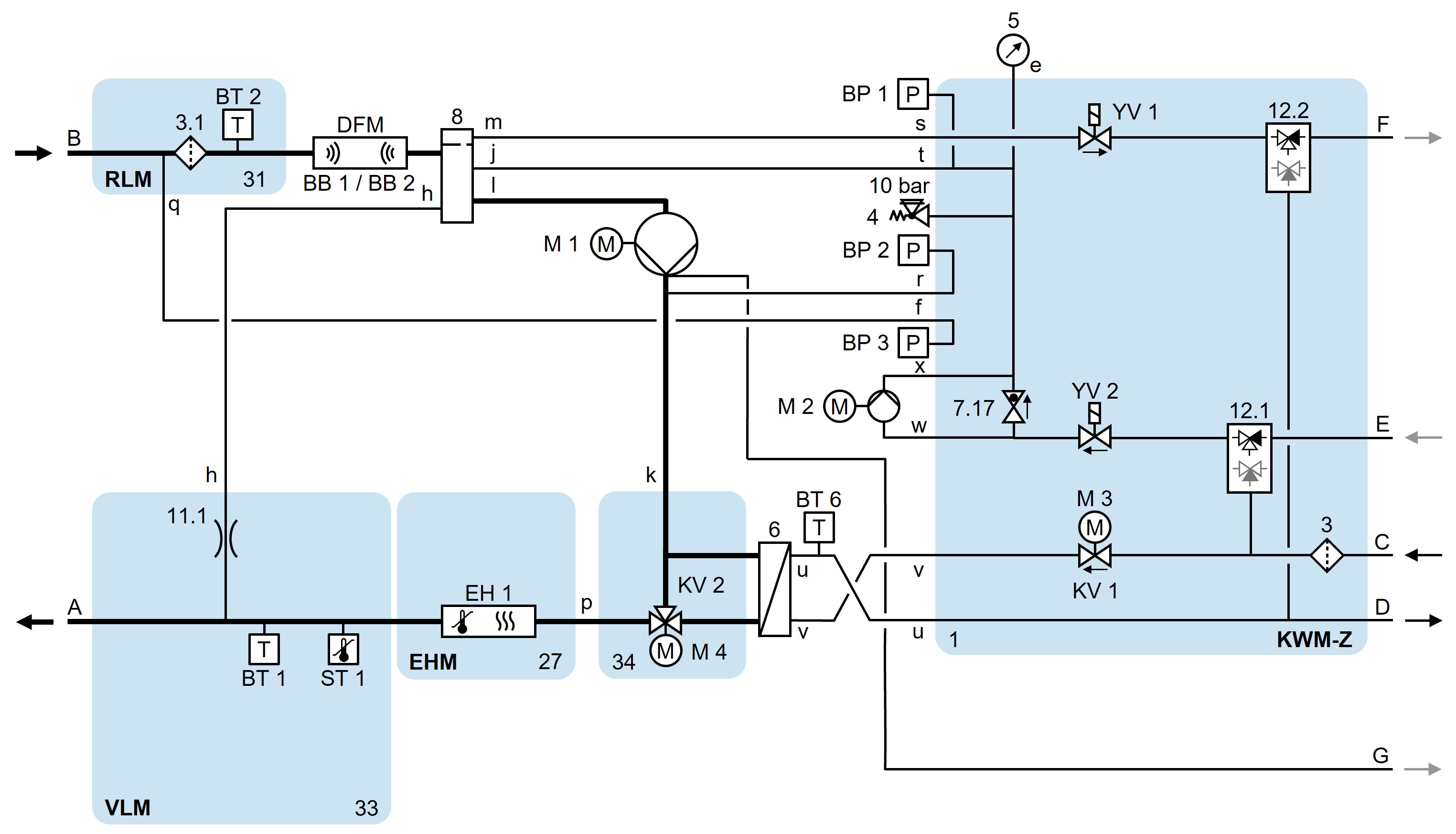
HB-140/160Z62-16-6R-E2

HB-140/160Z62-16-6R-E2-ZF

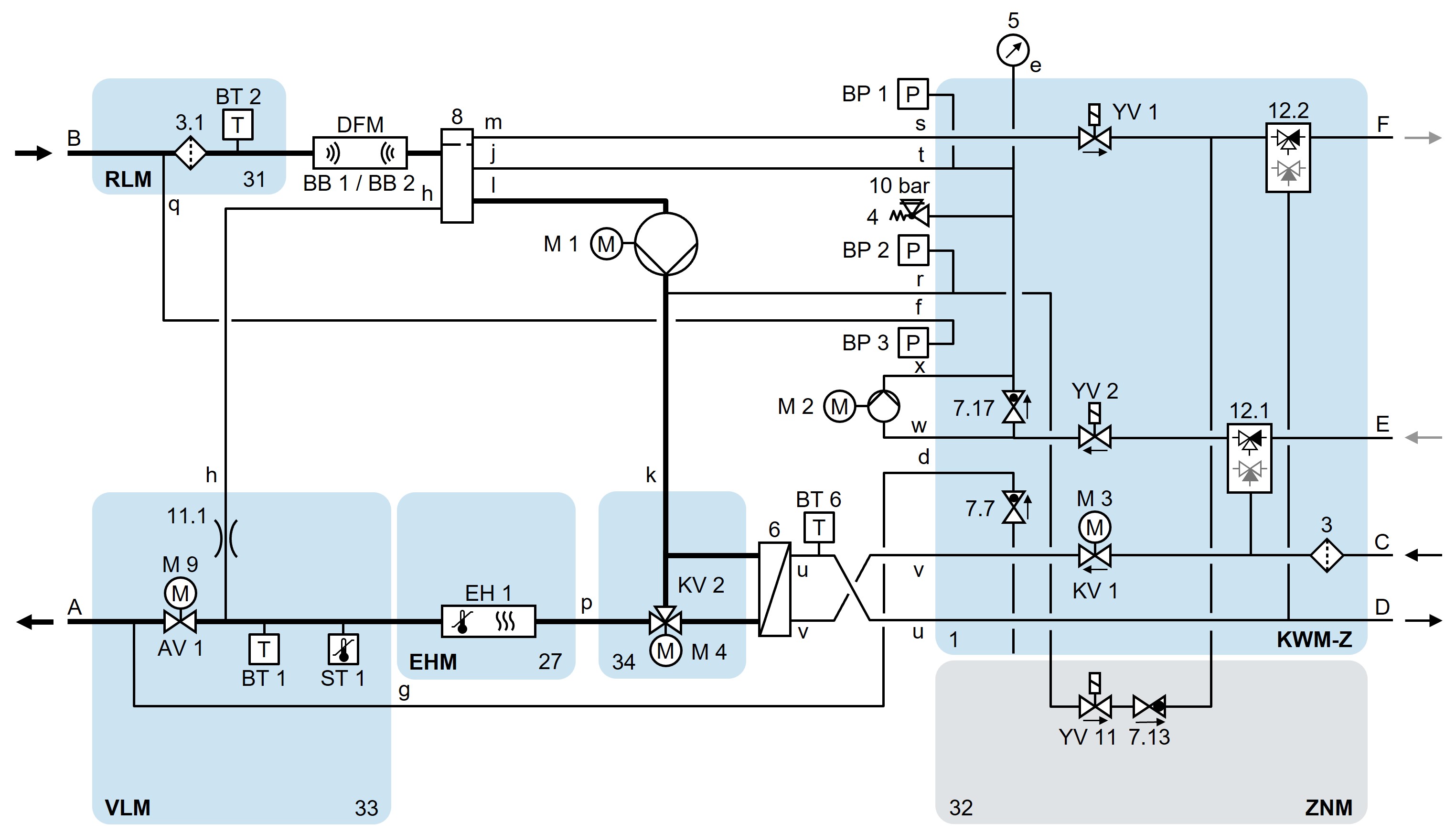
HB-140/160Z62-16-6R-B2/E2-ZF-ZN

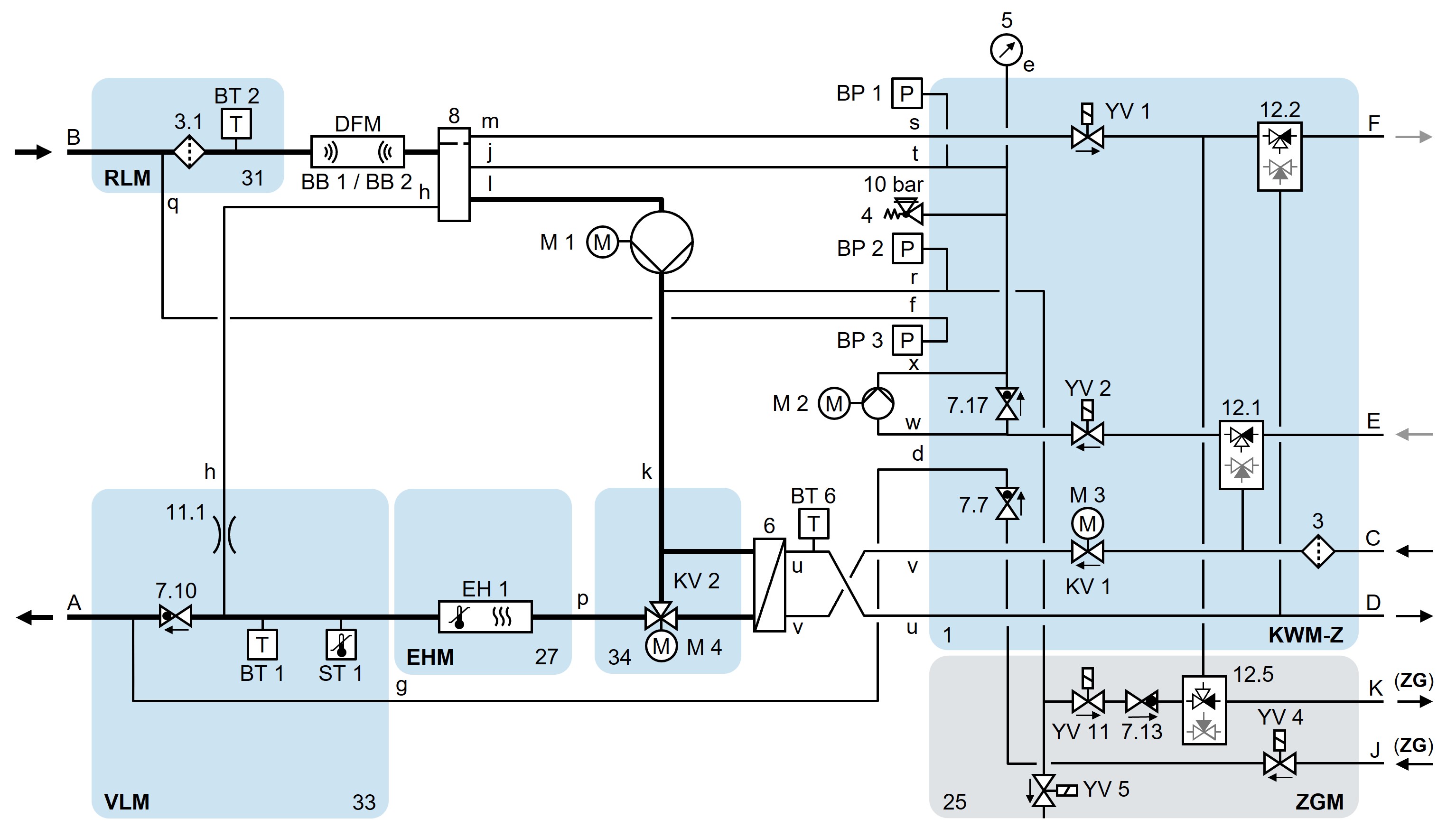
HB-140/160Z62-16-6R-B2/E2-ZF-ZG

link legend