Download page C8842: Arresto di sicurezza tramite allarme e controllo esterno.
C8842: Arresto di sicurezza tramite allarme e controllo esterno
Versione speciale (Appendice A): Arresto di sicurezza tramite allarme e controllo esterno
Descrizione
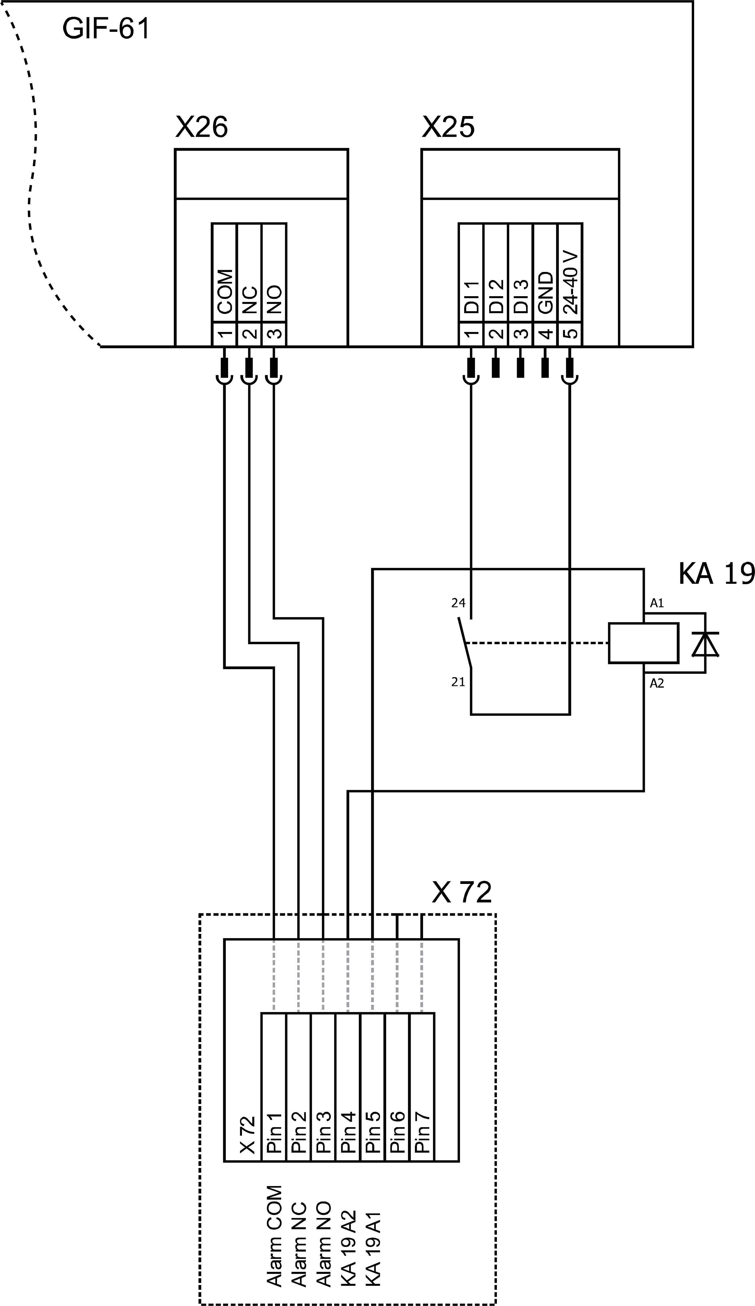
In questa versione, il dispositivo è dotato di un relè aggiuntivo (KA 19), che può essere utilizzato per spegnere il dispositivo in modo sicuro. Per il funzionamento, il relè (KA 19) deve essere alimentato con una tensione esterna di 24 VDC. Se la tensione esterna a 24 VDC viene interrotta, il relè (KA 19) si spegne e spegne l'unità tramite un contatto privo di potenziale.
Modificare l'impostazione dei parametri
Per questa versione, è richiesta la seguente impostazione nel menu principale in [Impostazione] > [Varie]:
Perimetro [Safety off via ext. Contact] → accendere la funzione con il cursore ().
Impostare il perimetro [Temperatura svuotamento stampo] su «90 °C».
NOTA!
Il perimetro [Safety off via ext. Contact] è acceso, le restanti Funzioni del controllo esterno (commutazione del Valore teorico 1 o 2) vengono disattivate tramite il contatto privo di potenziale.
Modificare lo schema elettrico (estratto)
Modificare la disposizione dei componenti
Modificare la legenda
Abbreviazione
Denominazione
Esecuzione
KA 19
Relè di spegnimento di sicurezza
Datenschutz - Data protection - Protection de données
Wir setzen Cookies ein, um Ihnen die Nutzung unserer Webseite zu erleichtern. Weitere Informationen zu Cookies finden Sie in unserer Datenschutzerklärung. We use cookies to help you use our website. More information about cookies can be found in our privacy policy. Notre site utilise des cookies afin de vous garantir un service optimal. En utilisant ce site web, vous acceptez les présentes conditions. Vous trouverez privacy policy de plus amples informations. Privacy Policy