Download page C8842: Wyłączenie bezpieczeństwa poprzez alarm i sterowanie zewnętrzne.
C8842: Wyłączenie bezpieczeństwa poprzez alarm i sterowanie zewnętrzne
Wersja specjalna (dodatek A): Wyłączenie bezpieczeństwa poprzez alarm i sterowanie zewnętrzne
Opis
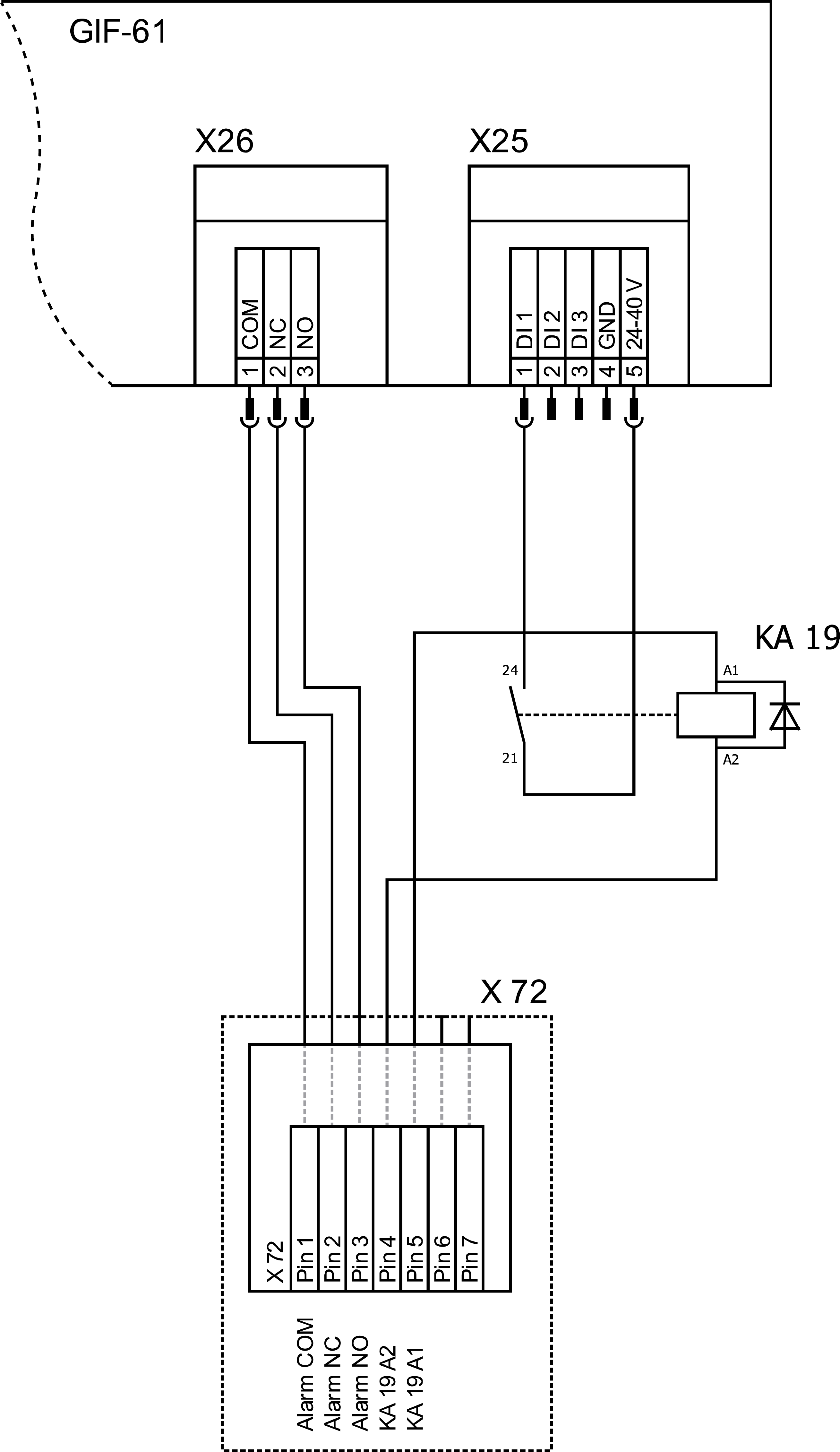
W tej wersji urządzenie jest wyposażone w dodatkowy przekaźnik (KA 19), który może być używany do bezpiecznego wyłączenia urządzenia. Do pracy przekaźnik (KA 19) musi być zasilany zewnętrznym napięciem 24 VDC. Jeśli zewnętrzne napięcie 24 VDC zostanie przerwane, przekaźnik (KA 19) wyłącza się i wyłącza urządzenie za pomocą styku bezpotencjałowego.
zmiana ustawienia parametru
W tej wersji wymagane jest następujące Ustawienie w menu głównym w obszarze [Ustawienia] > [Różne]:
Parametry [Bezpieczne -OFF Przez Wew. Kontakt] → włączanie funkcji za pomocą suwaka ().
Ustaw parametry [Temperatura opróżniania formy] na „90° C”.
UWAGA!
Czy parametr [Bezpieczny. -OFF Przez Wew. Kontakt] jest włączony, pozostałe Funkcje sterowania zewnętrznego (przełączanie dane planowe 1 lub 2) są dezaktywowane przez styk bezpotencjałowy.
Schemat elektryczny zmiana poziomu (fragment)
zmiana układu komponentów
zmiana poziomu legendy
skrót
Oznaczenie
wykonanie
KA19
Przekaźnik wyłączania bezpieczeństwa
Datenschutz - Data protection - Protection de données
Wir setzen Cookies ein, um Ihnen die Nutzung unserer Webseite zu erleichtern. Weitere Informationen zu Cookies finden Sie in unserer Datenschutzerklärung. We use cookies to help you use our website. More information about cookies can be found in our privacy policy. Notre site utilise des cookies afin de vous garantir un service optimal. En utilisant ce site web, vous acceptez les présentes conditions. Vous trouverez privacy policy de plus amples informations. Privacy Policy