Download page C8842: Защитное отключение через сигнализацию и внешняя система управления.
C8842: Защитное отключение через сигнализацию и внешняя система управления
Специальная версия (приложение A): безопасное отключение через сигнализацию и внешняя система управления
описание
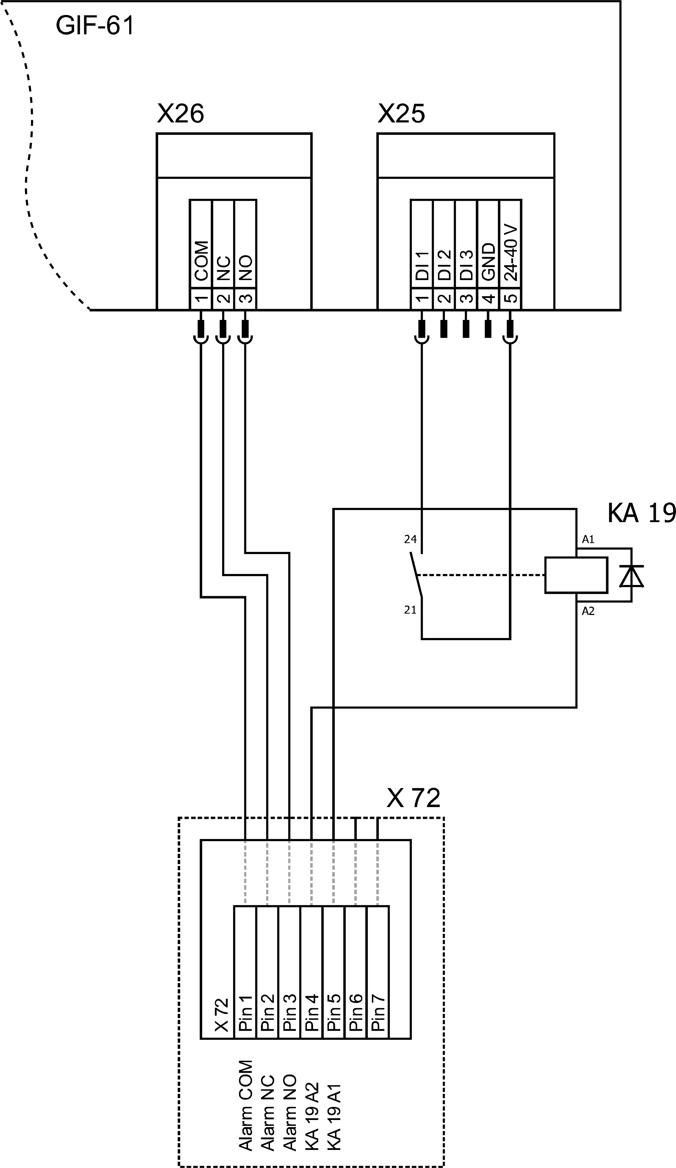
В этой версии устройство оснащено дополнительным реле (KA 19), которое можно использовать для безопасного выключения устройства. Для работы на реле (KA 19) должно подаваться внешнее напряжение 24 В постоянного тока. Если внешнее напряжение 24 В постоянного тока прерывается, реле (KA 19) отключается и выключает устройство через беспотенциальный контакт.
настройка параметров изменения
В этой версии требуется следующая настройка в главном меню в меню [Настройки] > [Разное]:
параметры [Безопасное отключение по доб. [Contact] → включение функции с помощью ползунка ().
Установите для параметров [температура опорожнения формы] значение «90°C».
ОБРАТИТЕ ВНИМАНИЕ!
Безопасны ли параметры []. -OFF по доб. Контакт] включен, остальные функции внешнего управления (целевое значение переключения 1 или 2) деактивируются через беспотенциальный контакт.
Изменения в электрическую схему (выдержка)
Внесение изменений в расположение компонентов
Изменения в условных обозначениях
аббревиатура
имя
Исполнение
KA19
Защитное запорное реле
Datenschutz - Data protection - Protection de données
Wir setzen Cookies ein, um Ihnen die Nutzung unserer Webseite zu erleichtern. Weitere Informationen zu Cookies finden Sie in unserer Datenschutzerklärung. We use cookies to help you use our website. More information about cookies can be found in our privacy policy. Notre site utilise des cookies afin de vous garantir un service optimal. En utilisant ce site web, vous acceptez les présentes conditions. Vous trouverez privacy policy de plus amples informations. Privacy Policy