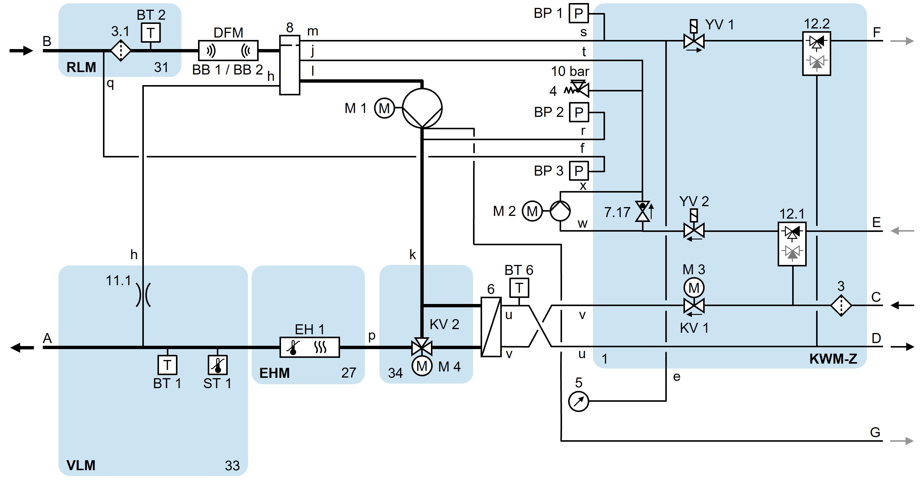
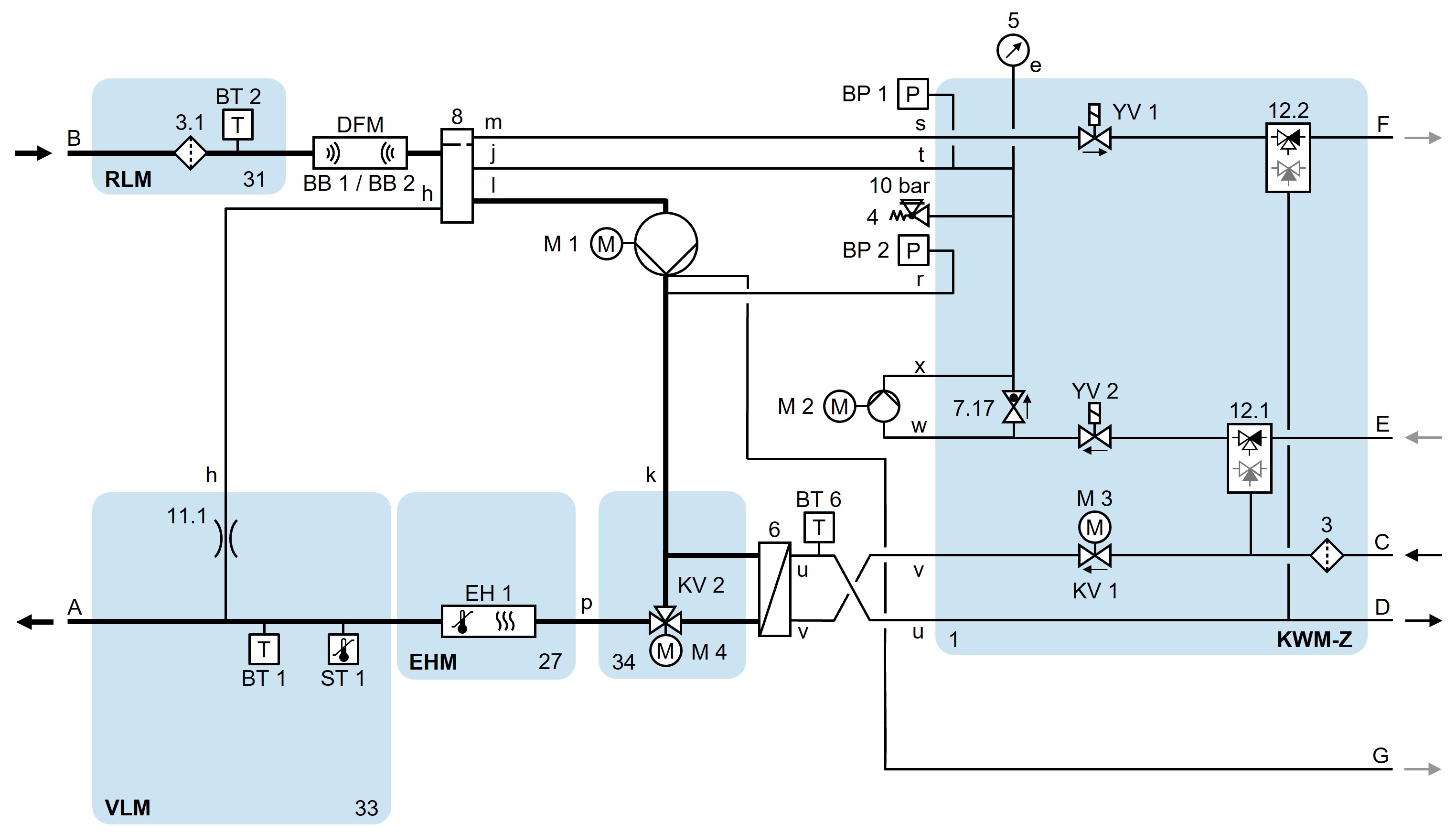
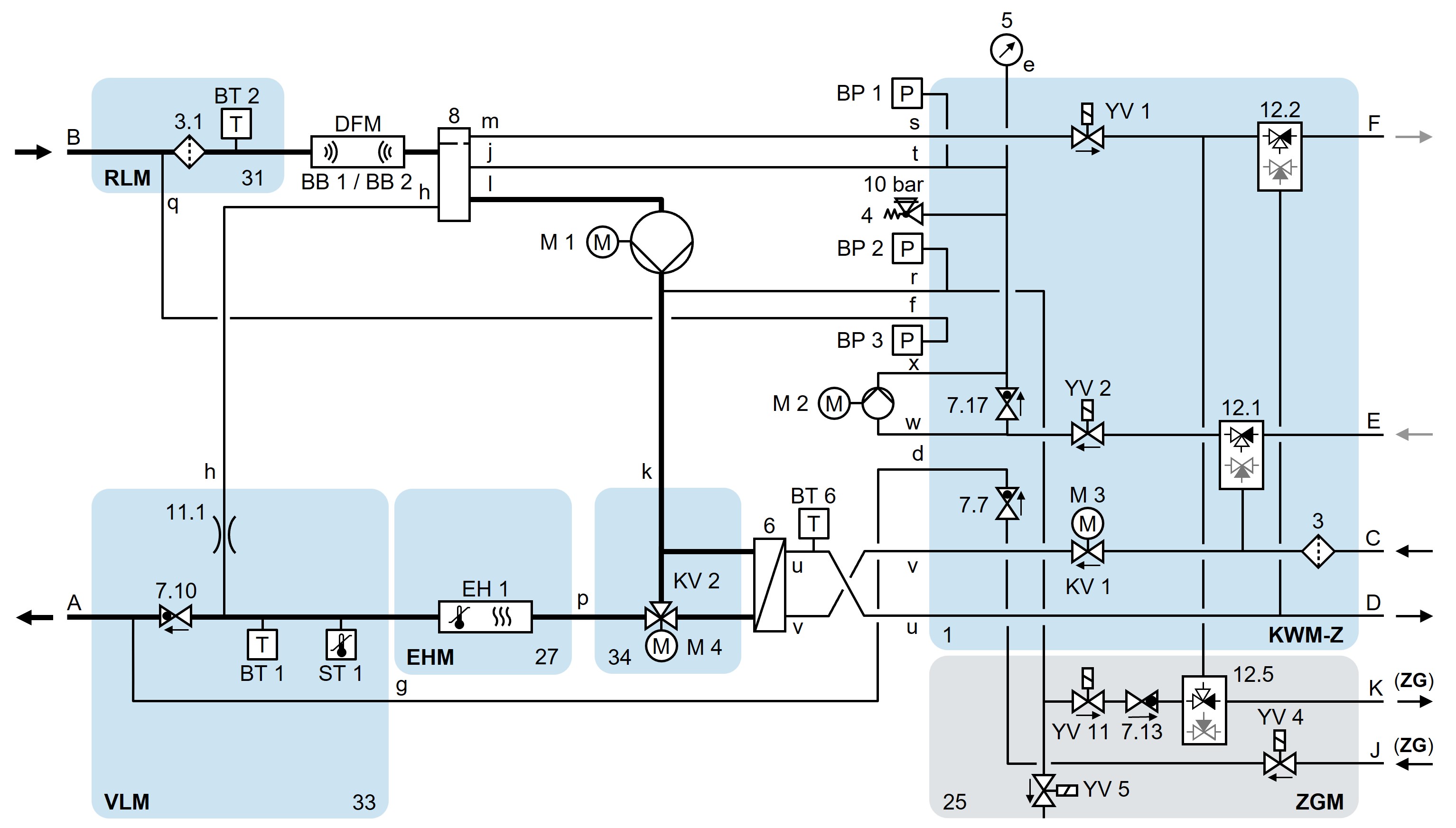
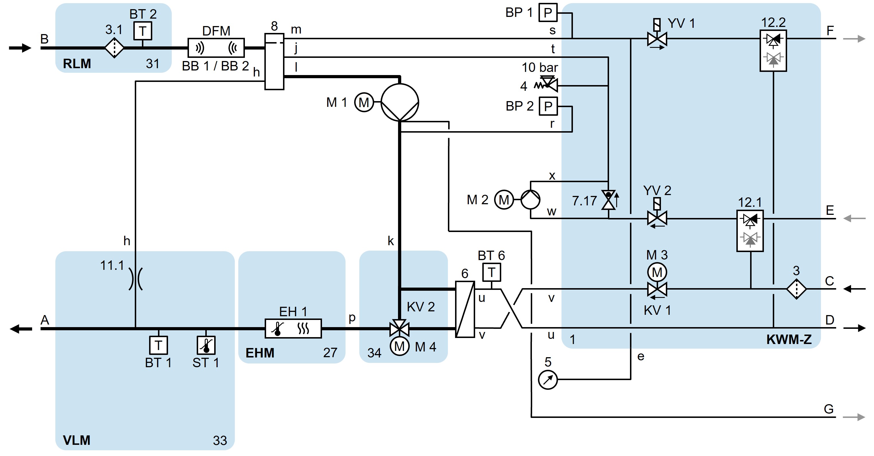
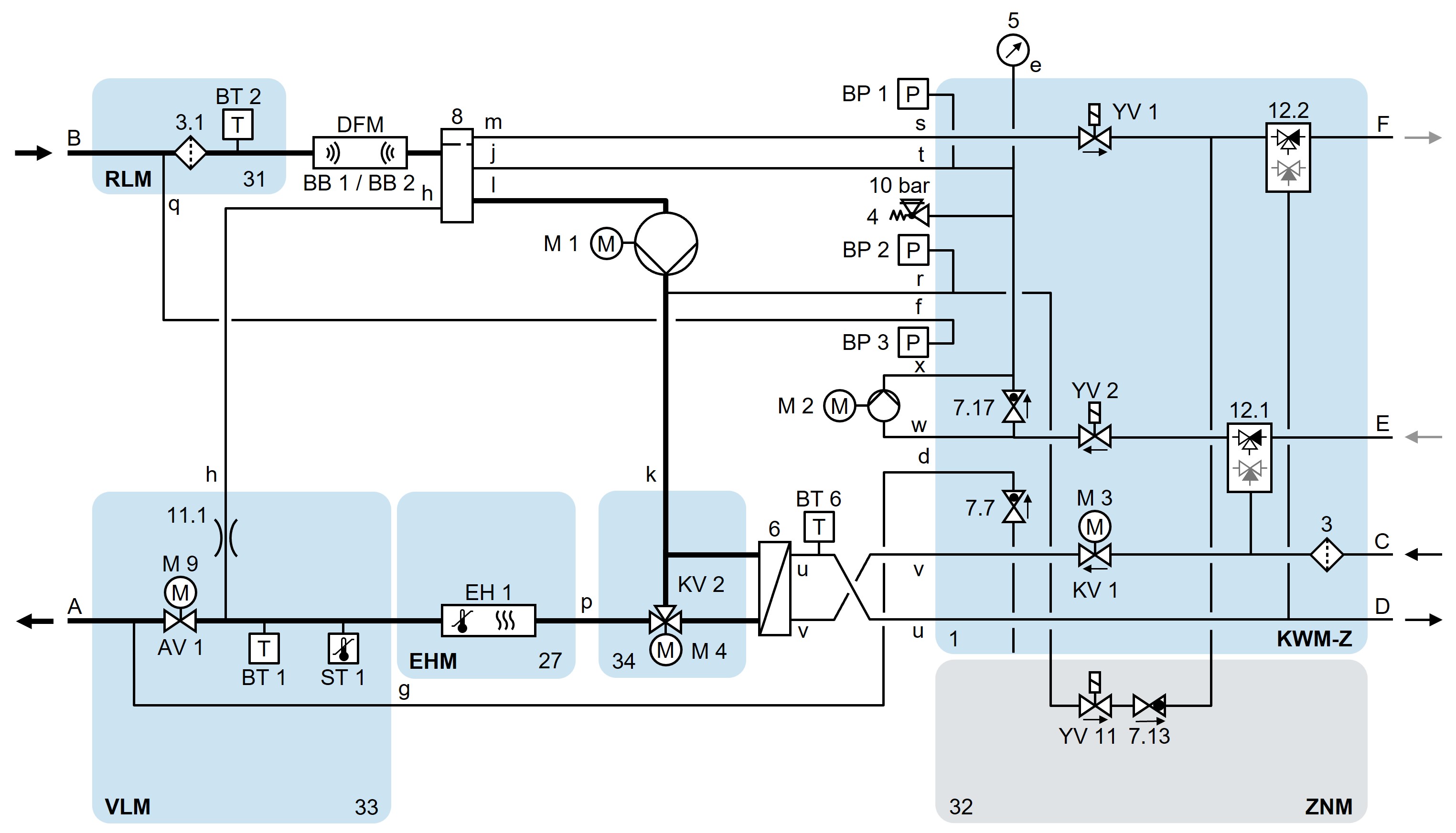
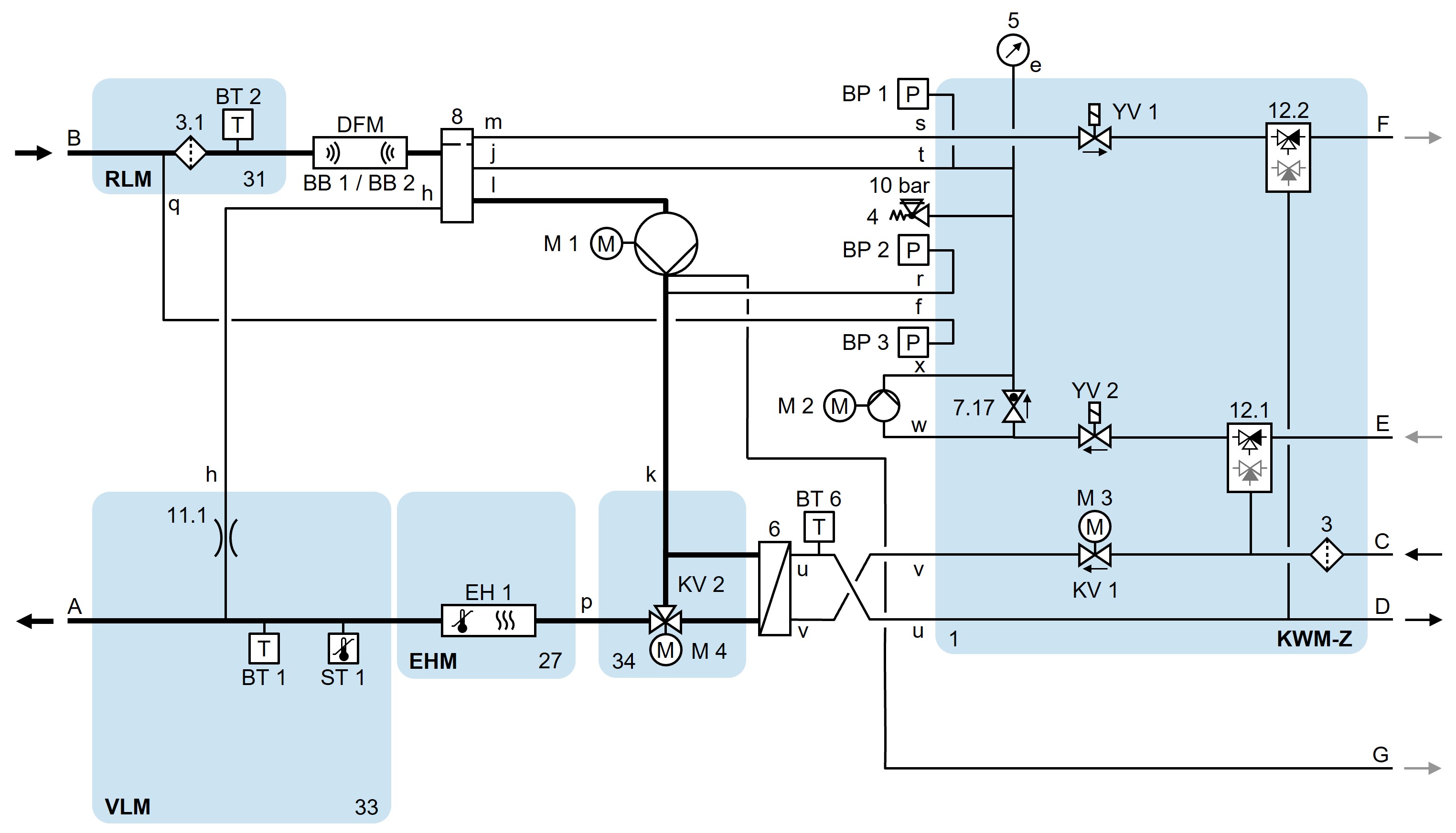
.Legende HB-100/140/160Z61 v2533ХБ-140/160З62-16-6Р-Б2

ХБ-140/160З62-16-6Р-Б2-ЗФ

ХБ-140/160З62-16-6Р-Э2

ХБ-140/160З62-16-6Р-Э2-ЗФ

ХБ-140/160З62-16-6Р-Б2/Э2-ЗФ-ЗН

ХБ-140/160З62-16-6Р-Б2/Э2-ЗФ-ЗГ

linkлегенда