Download page C8842: Bezpečnostné vypnutie prostredníctvom alarmu a externé riadenie.
C8842: Bezpečnostné vypnutie prostredníctvom alarmu a externé riadenie
Špeciálna verzia (dodatok A): Bezpečnostné vypnutie prostredníctvom alarmu a externé riadenie
Popis
V tejto verzii je zariadenie vybavené prídavným relé (KA 19), ktoré je možné použiť na bezpečné vypnutie zariadenia. Pre prevádzku musí byť relé (KA 19) napájané externým napätím 24 VDC. Ak dôjde k prerušeniu externého napätia 24 VDC, relé (KA 19) sa vypne a vypne zariadenie prostredníctvom bezpotenciálového kontaktu.
zmena a nastavenie parametrov
Pre túto verziu je potrebné nasledujúce Nastavenie v hlavnom menu v položke [Nastavenia] > [Rôzne]:
Parametre [Bezpečné -OFF Cez Ext. Kontakt] → zapnutie funkcie pomocou posuvníka ().
Nastavte parametre [teplota Vyprázdnenie formy] na „90° C.“
POZNÁMKA!
Sú parametre [bezpečné. -OFF Cez Ext. Kontakt] je zapnutý, zostávajúce Funkcie externého riadenia (spínacia cieľová hodnota 1 alebo 2) sa deaktivujú prostredníctvom bezpotenciálového kontaktu.
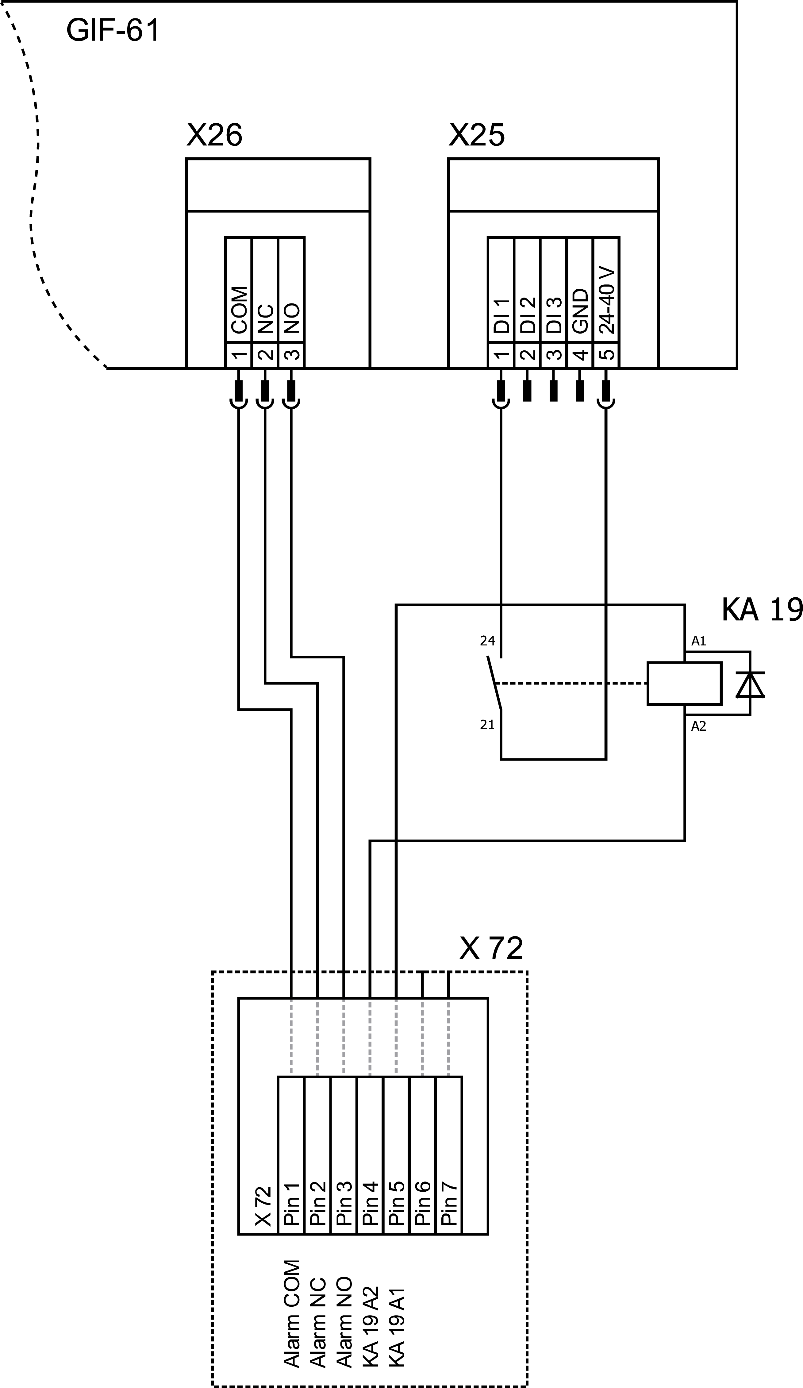
Zmena elektrickej schémy (výňatok)
Zmena a doplnenie usporiadania komponentov
Legenda zmena
skratka
Označenie
poprava
KA19
Bezpečnostné vypínacie relé
Datenschutz - Data protection - Protection de données
Wir setzen Cookies ein, um Ihnen die Nutzung unserer Webseite zu erleichtern. Weitere Informationen zu Cookies finden Sie in unserer Datenschutzerklärung. We use cookies to help you use our website. More information about cookies can be found in our privacy policy. Notre site utilise des cookies afin de vous garantir un service optimal. En utilisant ce site web, vous acceptez les présentes conditions. Vous trouverez privacy policy de plus amples informations. Privacy Policy