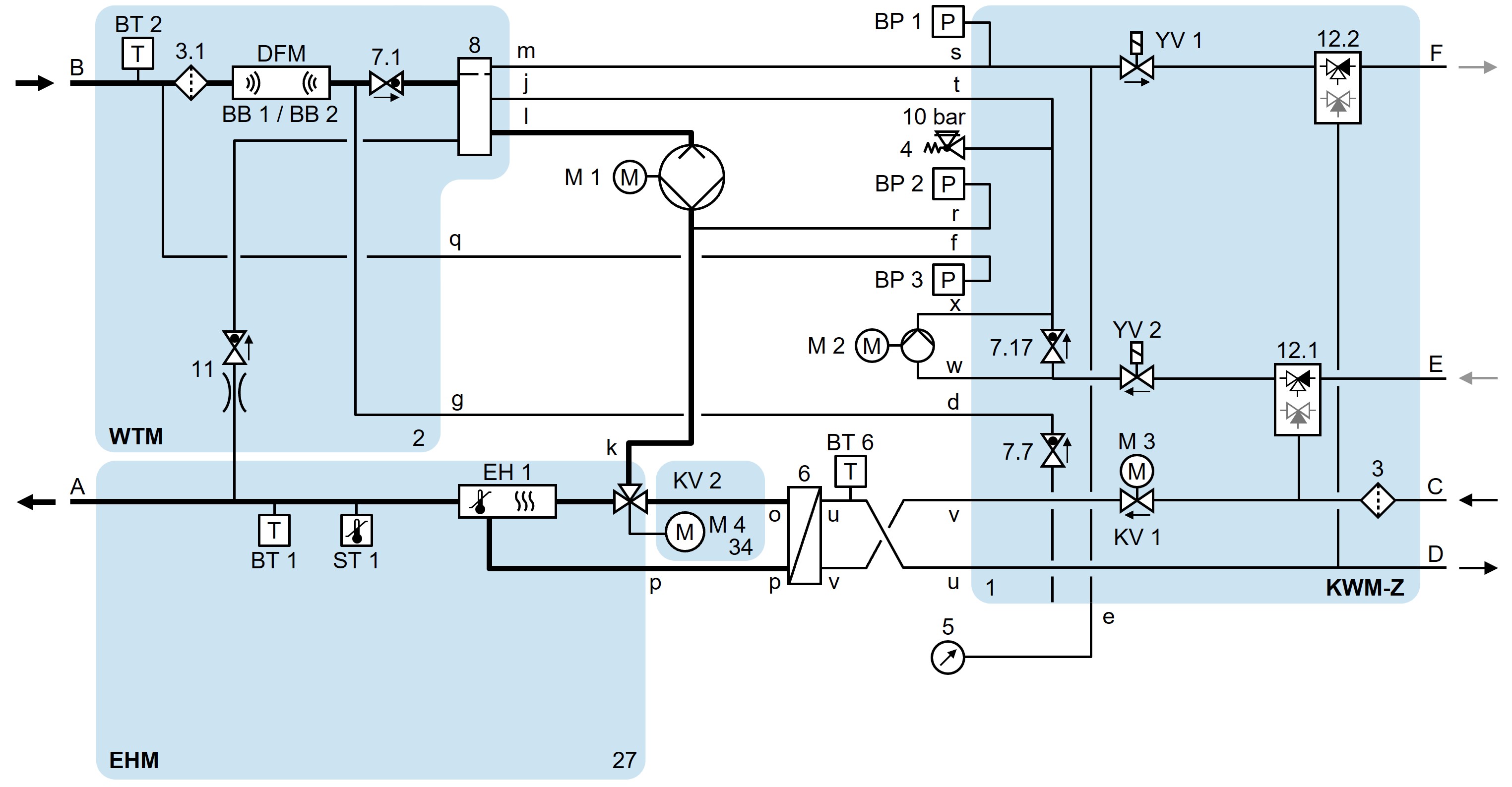
HB-140/160Z62-16-4S-B2

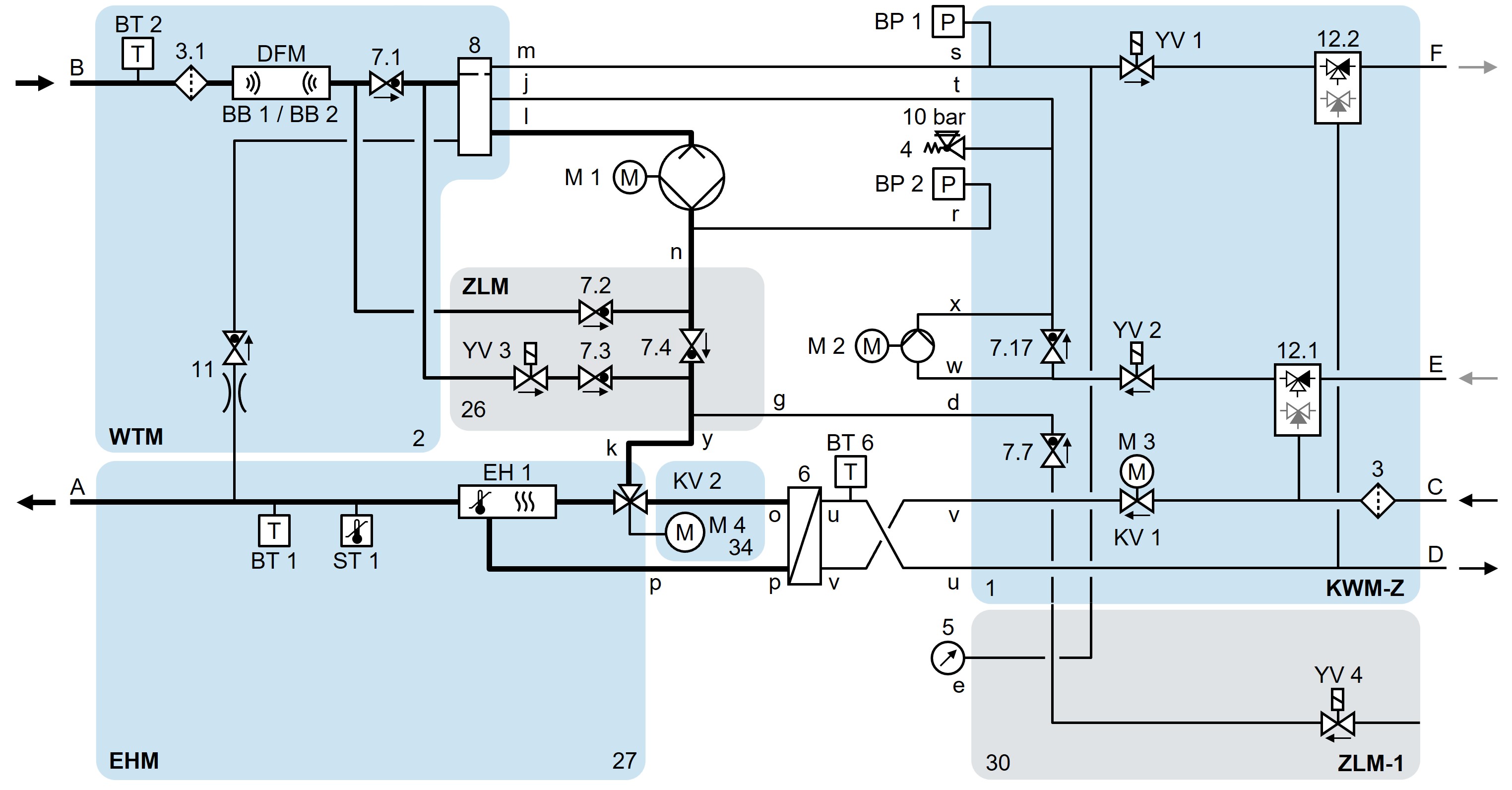
HB-140/160Z62-16-4S-B2-ZL

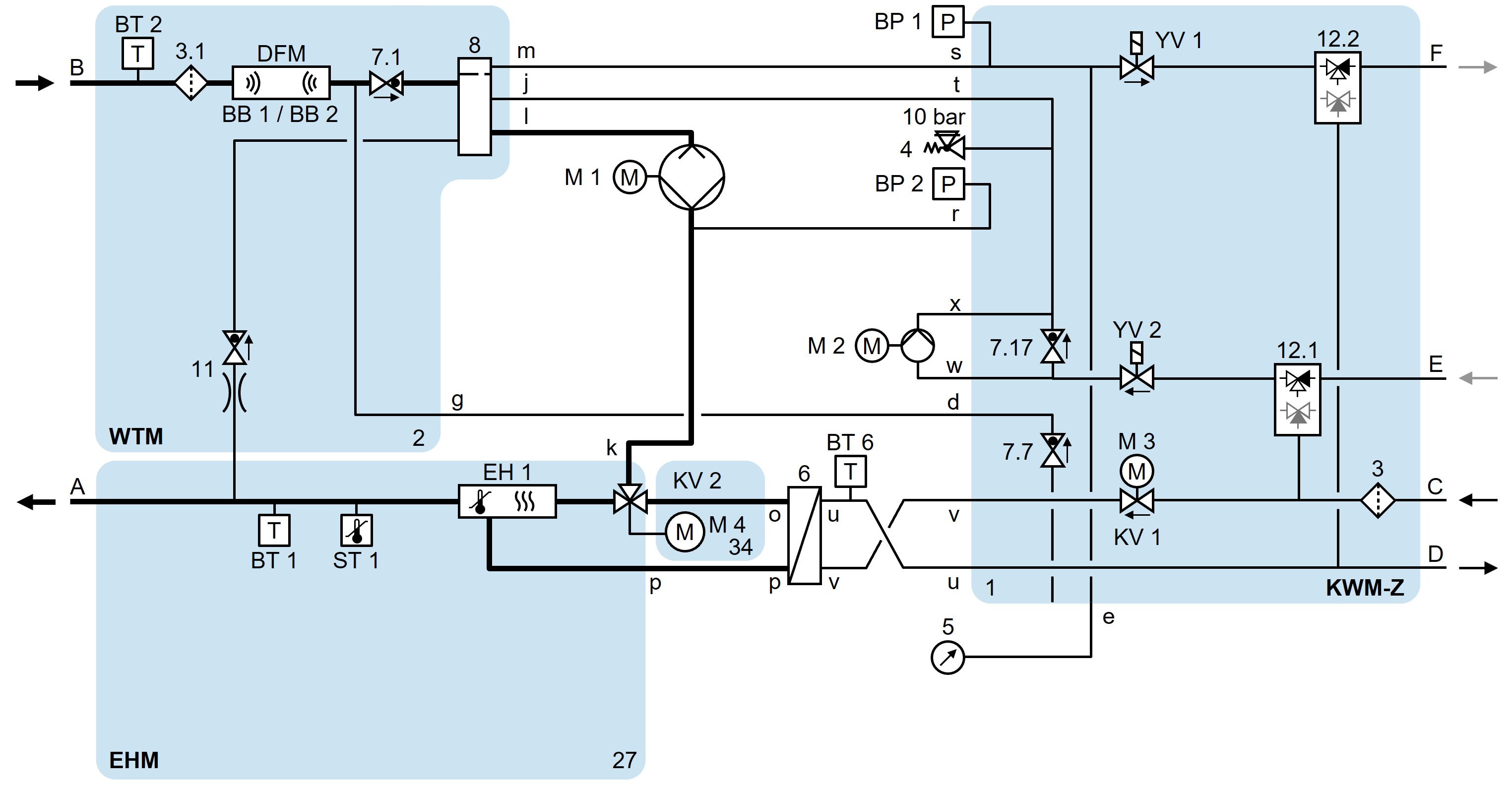
HB-140/160Z62-16-4S-B2-ZF

HB-140/160Z62-16-4S-B2-ZG

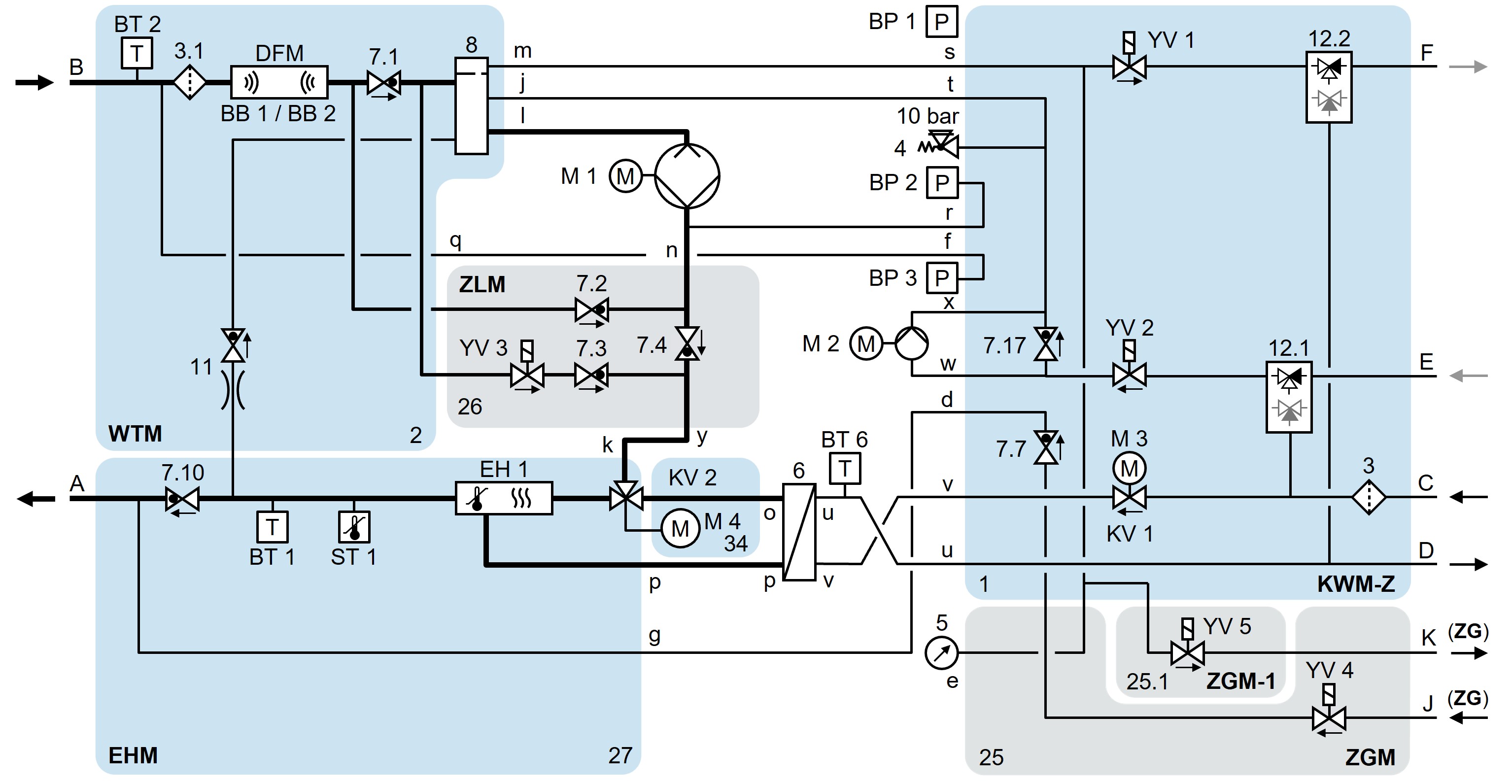
HB-140/160Z62-16-4S-B2-ZL-ZF-ZG

linklegenden