ΗΒ-180Ζ62-16-6Ρ-Β2/Ε2

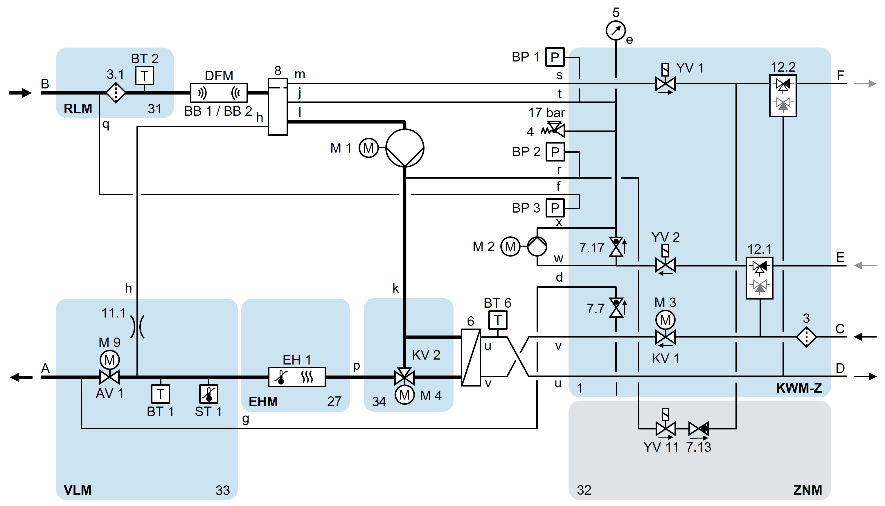
ΗΒ-180Ζ62-16-6Ρ-Β2/Ε2-ΖΦ-ΖΝ

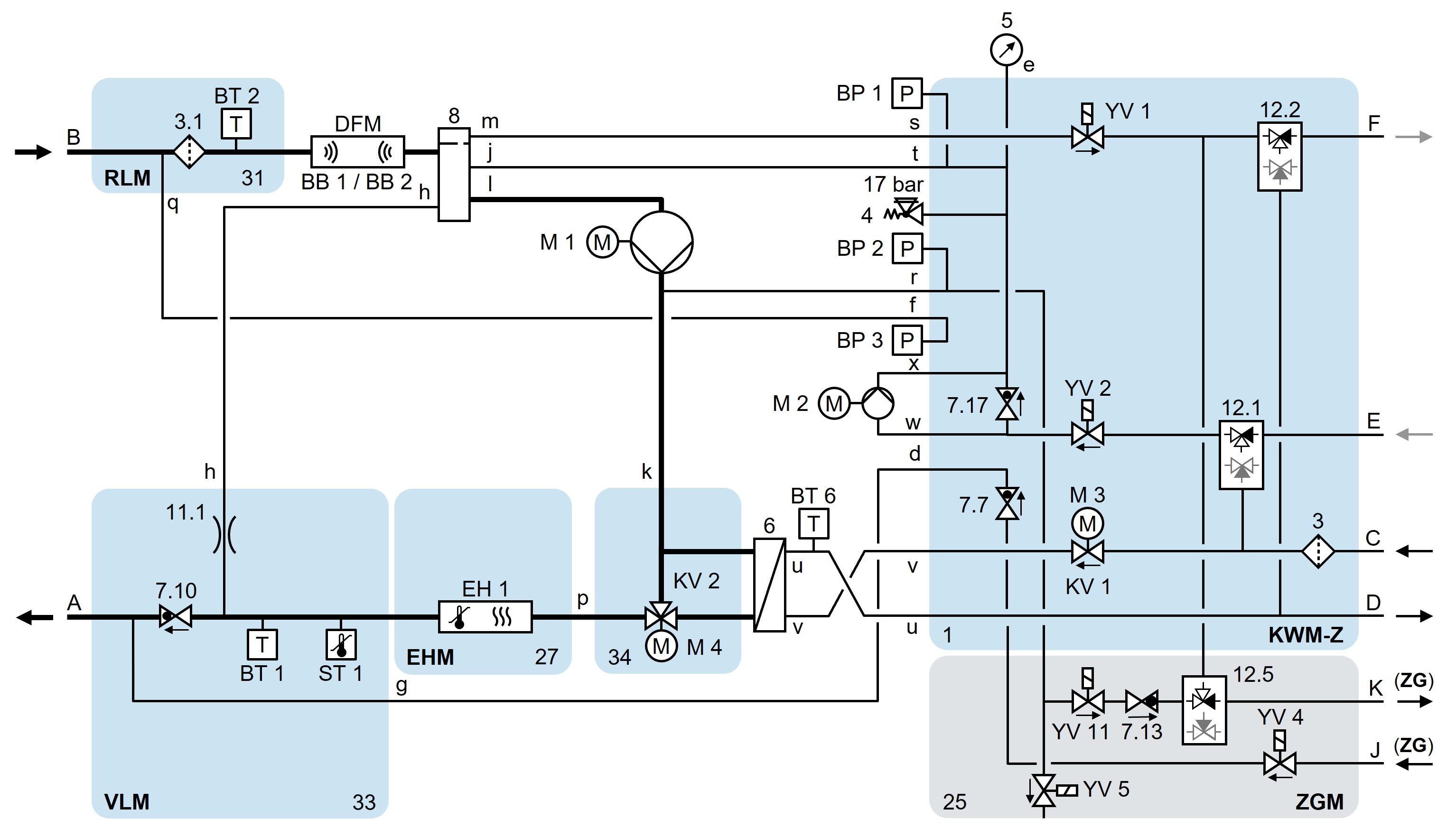
ΗΒ-180Ζ62-16-6Ρ-Β2/Ε2-ΖΦ-ΖΓ

linkθρύλος