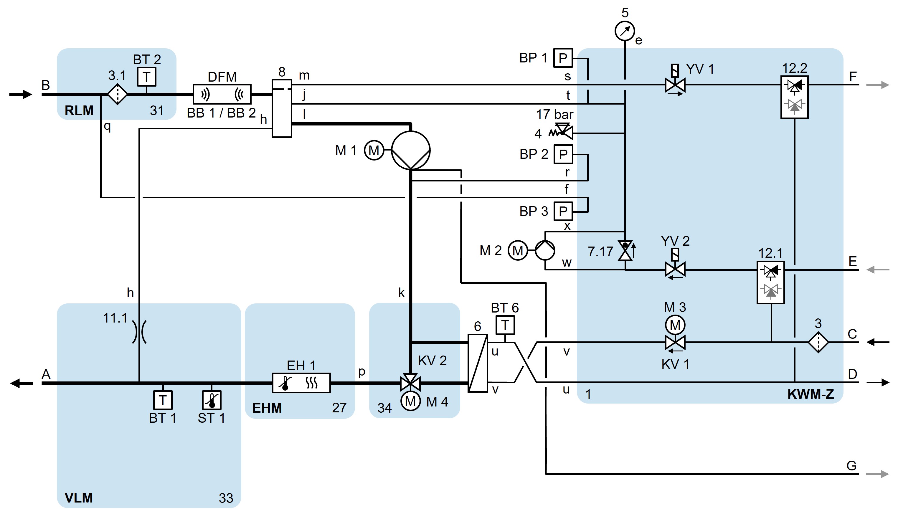
HB-180Z62-16-6R-B2/E2

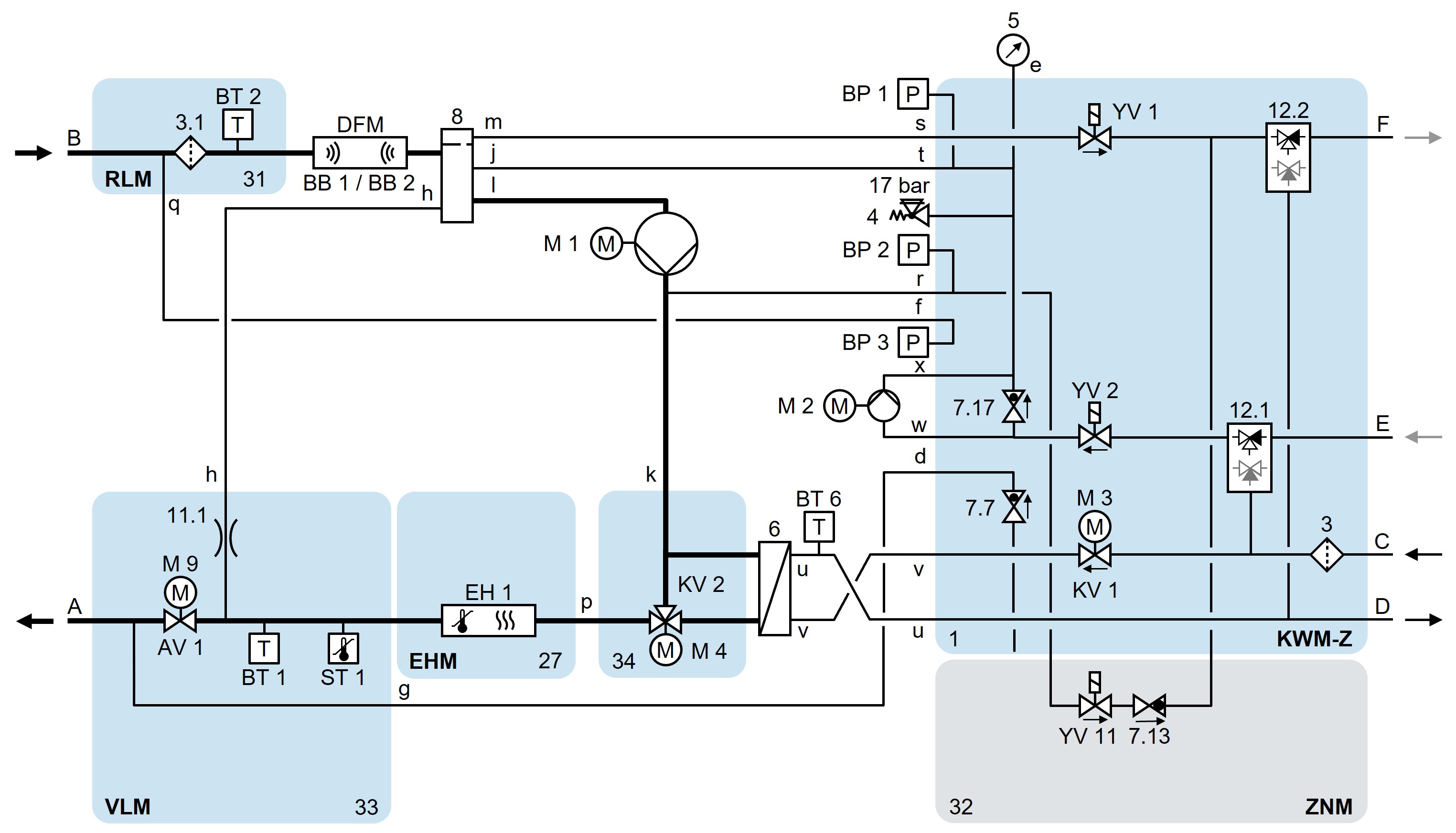
HB-180Z62-16-6R-B2/E2-ZF-ZN

HB-180Z62-16-6R-B2/E2-ZF-ZG

linkverklaring