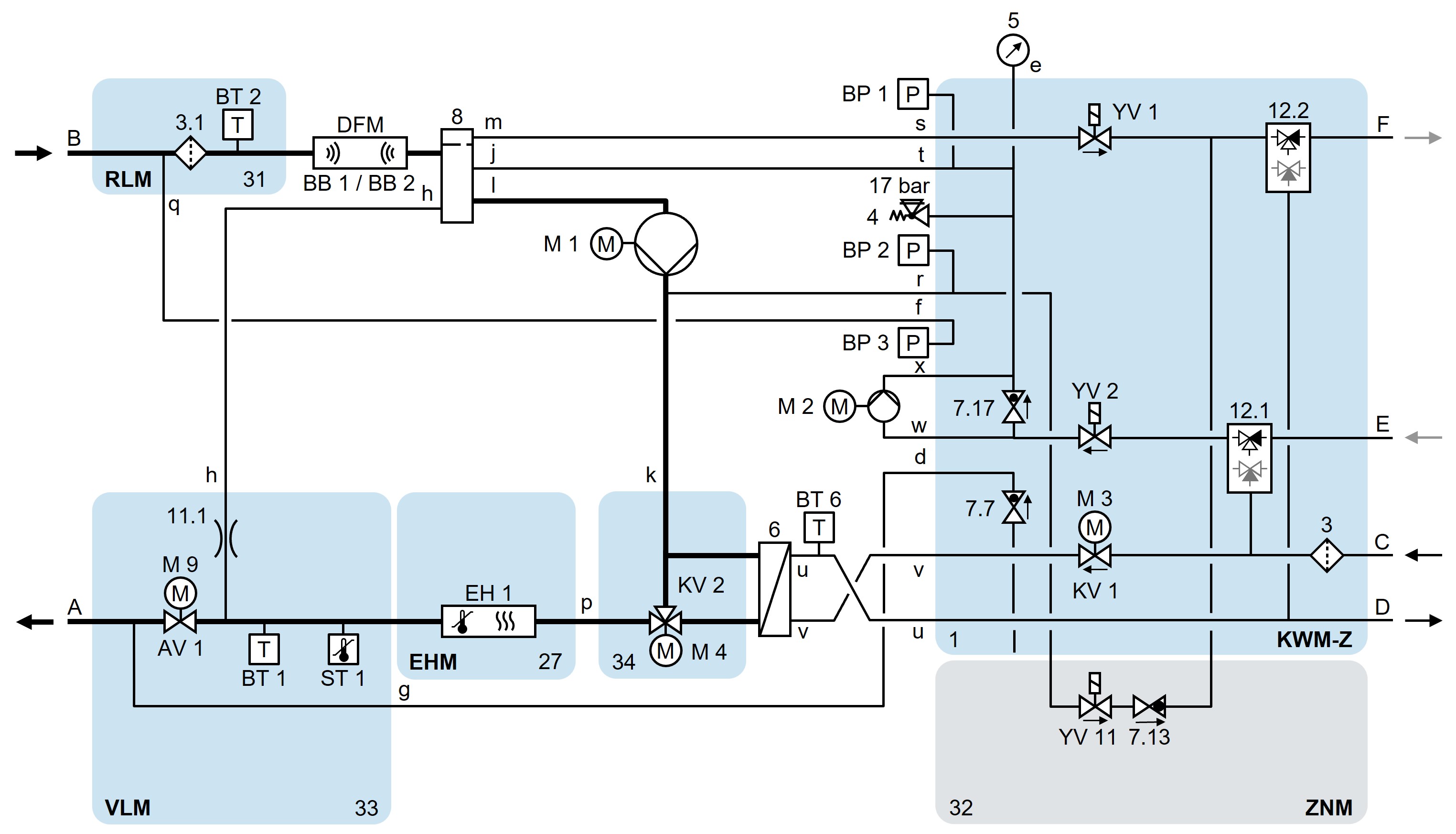
ХБ-180З62-16-6Р-Б2/Э2

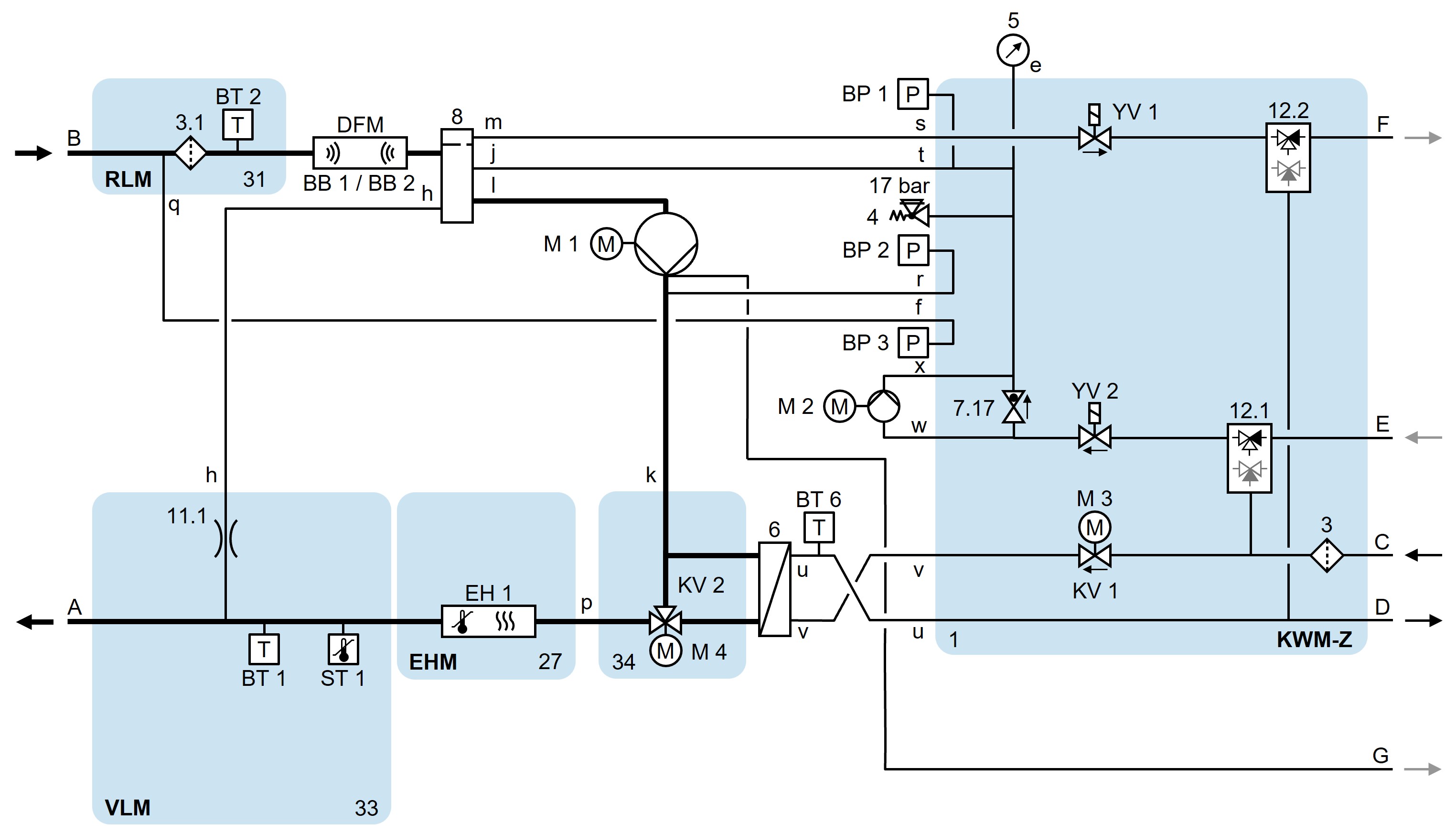
ХБ-180З62-16-6Р-Б2/Э2-ЗФ-ЗН

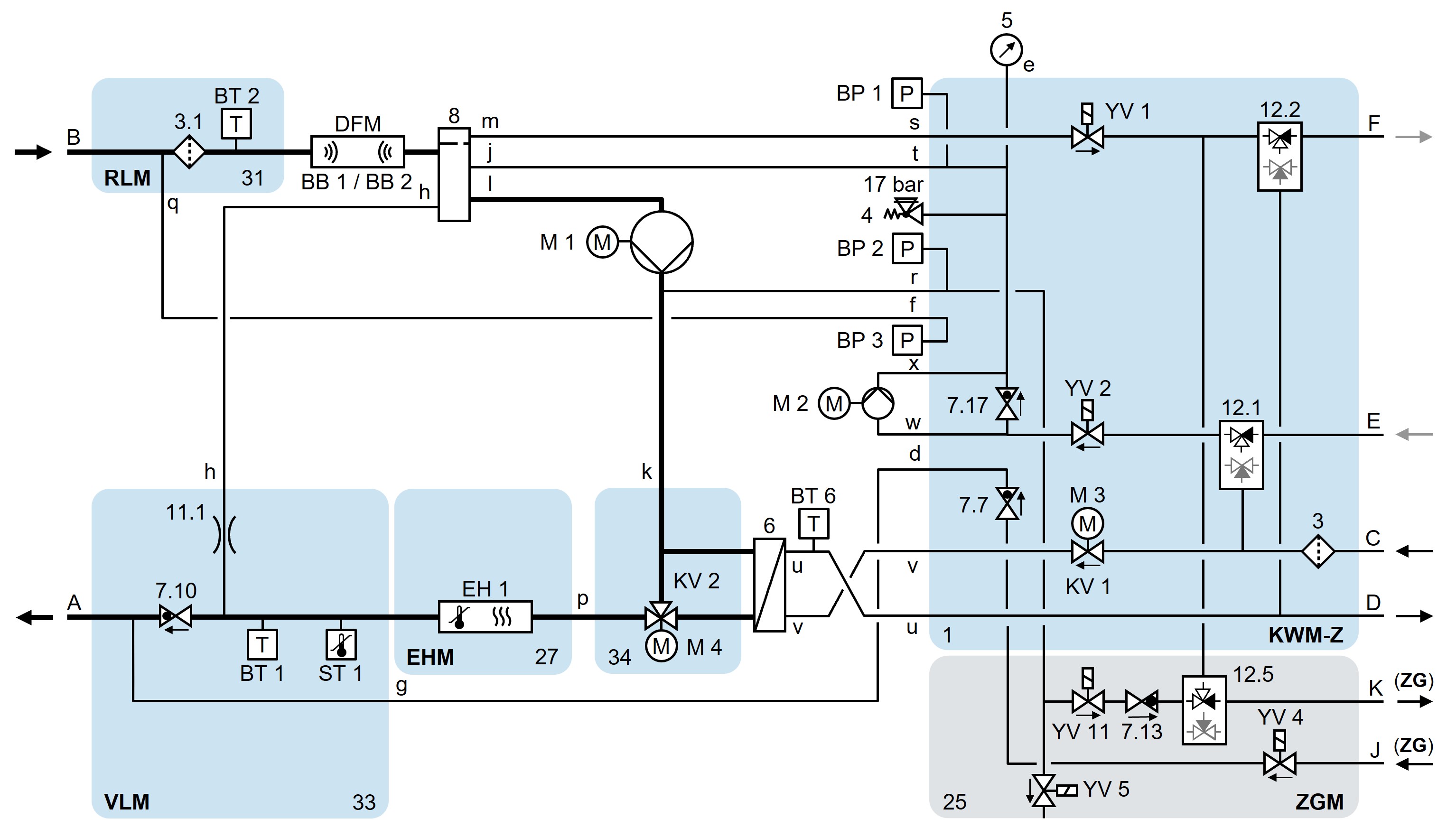
ХБ-180З62-16-6Р-Б2/Э2-ЗФ-ЗГ

linkлегенда