Data udveksles mellem maskinstyringen og Thermo-6 temperaturreguleringsapparatet via interface-serveren. Gate-6For at styre temperaturreguleringsapparatet via en ekstern controller, klik her...

Ethernet

  • Ethernet-interface OPC UA (EUROMAP 82.1 Release 1.01 / OPC 40082-1)til tilslutning af maksimalt 16 Thermo-6 temperaturreguleringsenheder og til tilslutning til maskinen

  • Skift med 2 stikkontakter RJ-45

BEMÆRK!

Afskærmede kabler i kategori 5 eller højere skal bruges til alle Ethernet-forbindelser. Disse kabler fås fra standardforhandlere.

DIGITAL (ZD)

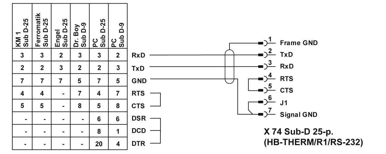
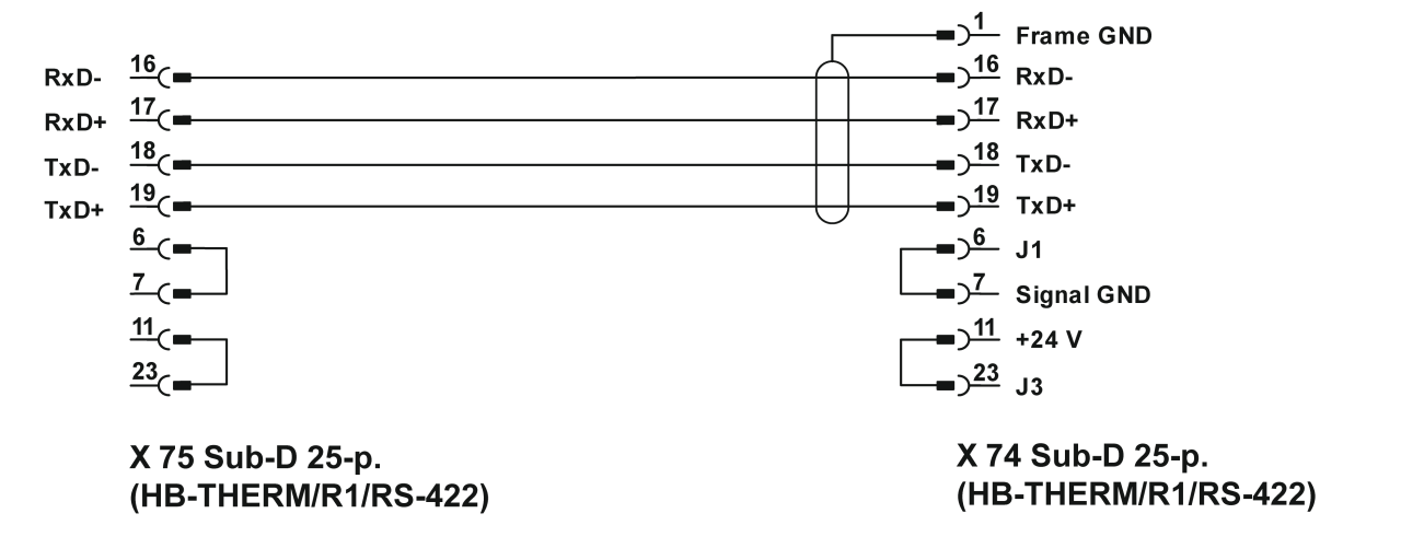
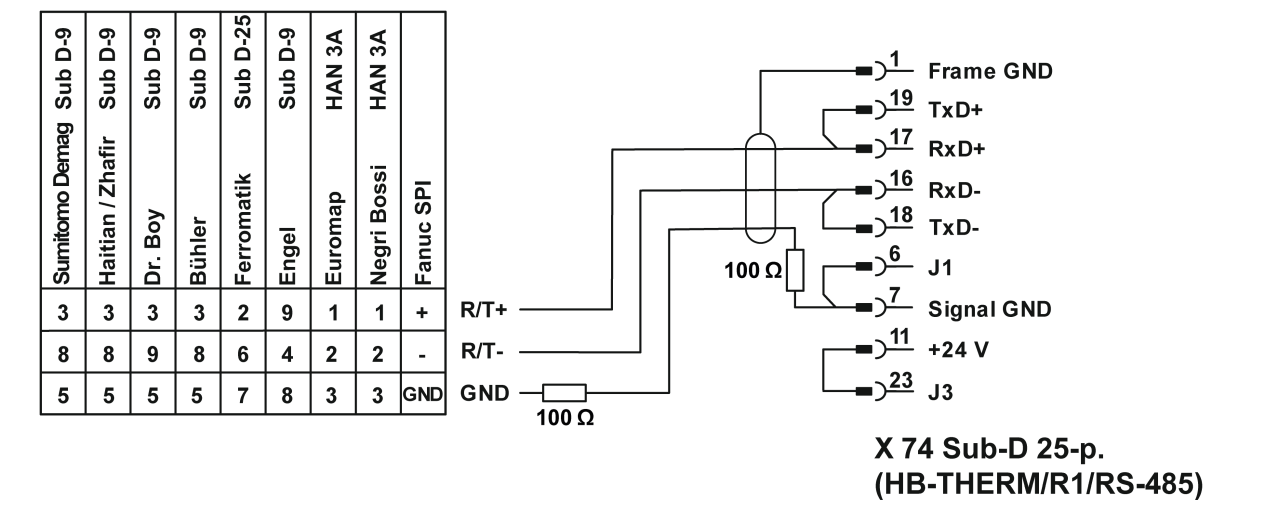
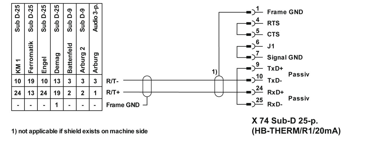
  • Seriel datagrænseflade 20 mA, RS-232, RS-422/485 (Billion, Bühler, Dr. Boy, Engel, Ferromatik Milacron, Haitian, KraussMaffei, Negri Bossi, SPI (Fanuc, etc.), Stork, Sumitomo Demag, Wittmann Battenfeld, Zhafir)

  • 1 stik Sub-D 25 pols (hun)

  • Interfacekabler findes i tilbehørskataloget

Tildeling af kabelstift

20 mA(current loop)

RS-232

RS-485

RS-422(tilslutningskabel)

CAN (ZC)

  • Seriel datagrænseflade CAN-Bus (Sumitomo Demag), CANopen (EUROMAP 66; Netstal, etc.)
  • 1 stik Sub-D 9 pols (hun)
  • Interfacekabler findes i tilbehørskataloget

Tildeling af kabelstift

Adapter (kun til Demag-maskiner,) O/ID T22590

  • Demag: udstyr 1 med adresse 13
  • Netstal: Enhed 1 med adresse 31

PROFIBUS-DP (ZP)

  • Seriel PROFIBUS-DPdatagrænseflade til op til 4 temperaturreguleringsenheder
  • 1 9-bens Sub-D 9 pols (hun)

BEMÆRK!

Type A Profibus-kabler skal bruges til Profibus-forbindelser. Disse kabler fås fra standardforhandlere.