Τα δεδομένα ανταλλάσσονται μεταξύ του ελεγκτή του μηχανήματος και της μονάδας ελέγχου θερμοκρασίας Thermo-6 μέσω του διακομιστή διασύνδεσης. Gate-6Για να ελέγξετε τη μονάδα ελέγχου θερμοκρασίας μέσω εξωτερικού ελεγκτή, κάντε κλικ εδώ...

Ethernet

  • OPC UA (EUROMAP 82.1 Release 1.01 / OPC 40082-1)Διεπαφή Ethernet για σύνδεση κατ 'ανώτατο όριο 16 μονάδων ελέγχου θερμοκρασίας Thermo-6 και για σύνδεση με το μηχάνημα

  • Διακόπτης με 2 υποδοχές RJ-45

ΣΗΜΕΊΩΣΗ!

Η θωρακισμένη κατηγορία 5 ή υψηλότερα καλώδια πρέπει να χρησιμοποιούνται για όλες τις συνδέσεις Ethernet. Αυτά τα καλώδια είναι διαθέσιμα από τους τυποποιημένους λιανοπωλητές.

DIGITAL (ZD)

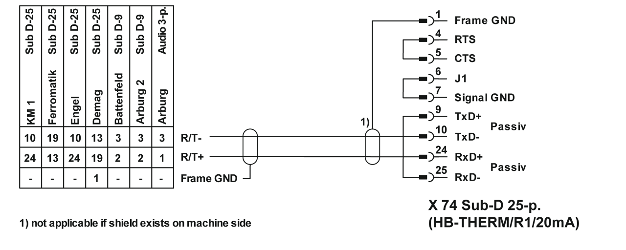
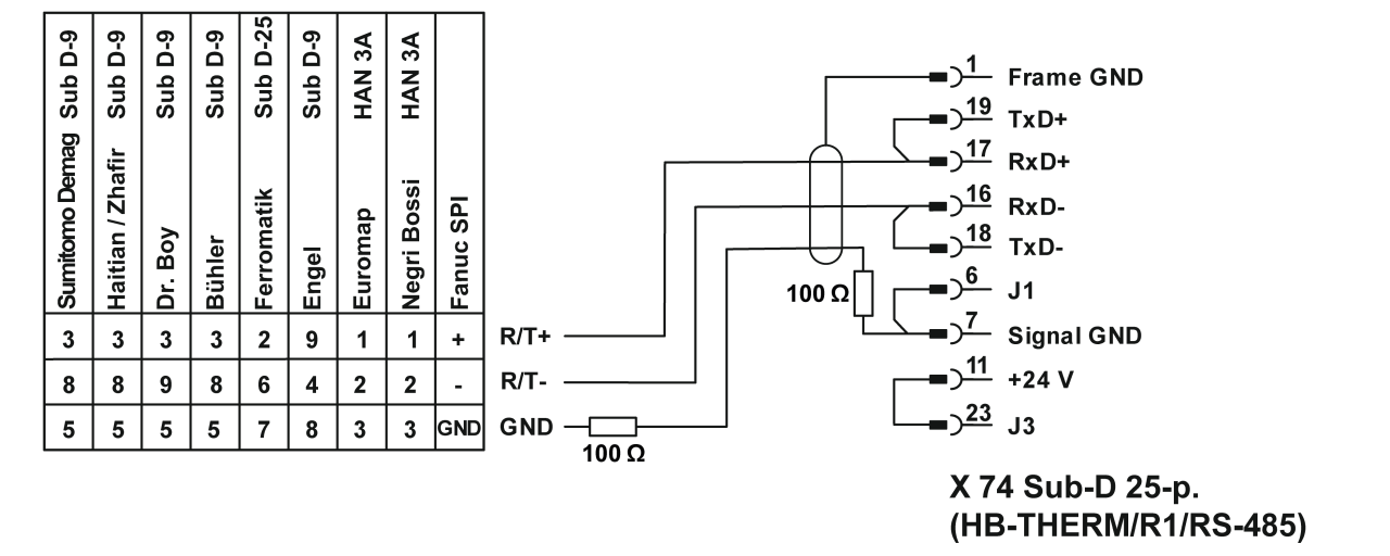
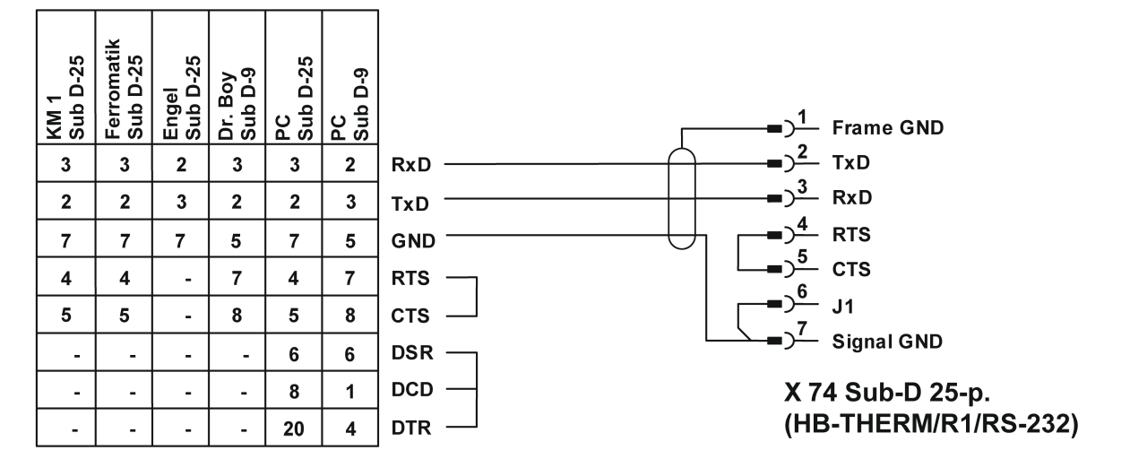
  • Σειριακή διεπαφή δεδομένων 20 mA, RS-232, RS-422/485 (Billion, Bühler, Dr. Boy, Engel, Ferromatik Milacron, Haitian, KraussMaffei, Negri Bossi, SPI (Fanuc, etc.), Stork, Sumitomo Demag, Wittmann Battenfeld, Zhafir)

  • 1 υποδοχή Υπο-D 25 ακίδες

  • Τα καλώδια διασύνδεσης μπορούν να βρεθούν στον κατάλογο εξαρτημάτων

Ανάθεση καρφιτσών καλωδίων

20 mA(τρέχων βρόχος)

RS-232

RS-485

RS-422(καλώδιο σύνδεσης)

CAN (ZC)

  • Σειριακή διεπαφή δεδομένων CAN-Bus (Sumitomo Demag), CANopen (EUROMAP 66; Netstal, etc.)
  • 1 υποδοχή Sub-D 9 ακίδες
  • Τα καλώδια διασύνδεσης μπορούν να βρεθούν στον κατάλογο εξαρτημάτων

Ανάθεση καρφιτσών καλωδίων

προσαρμογέα (μόνο για μηχανές Demag,) O/ID T22590

  • Demag: συσκευή 1 με διεύθυνση 13
  • Netstal: Συσκευή 1 με διεύθυνση 31

PROFIBUS-DP (ZP)

  • Τμηματική PROFIBUS-DPδιεπαφή δεδομένων για έως και 4 μονάδες ελέγχου θερμοκρασίας
  • 1 υποδοχή Sub-D 9 ακίδων

ΣΗΜΕΊΩΣΗ!

Τα καλώδια Profibus τύπου A πρέπει να χρησιμοποιούνται για συνδέσεις Profibus. Αυτά τα καλώδια είναι διαθέσιμα από τους τυποποιημένους λιανοπωλητές.