Podaci se razmjenjuju između regulatora stroja i Jedinica za kontrolu temperature Thermo-6 putem poslužitelj sučelja. Gate-6Da biste upravljali Jedinica za kontrolu temperature putem vanjskog regulatora, kliknite ovdje...

Ethernet

  • Ethernet sučelje OPC UA (EUROMAP 82.1 Release 1.01 / OPC 40082-1)za povezivanje maksimalno 16 Thermo-6 jedinica za kontrolu temperature i za spajanje na stroj

  • Prekidač s 2 utičnice RJ-45

NAPOMENA!

Za sve Ethernet veze moraju se koristiti zaštićeni kablovi kategorije 5 ili više. Ovi kabeli su dostupni od standardnih trgovaca.

DIGITAL (ZD)

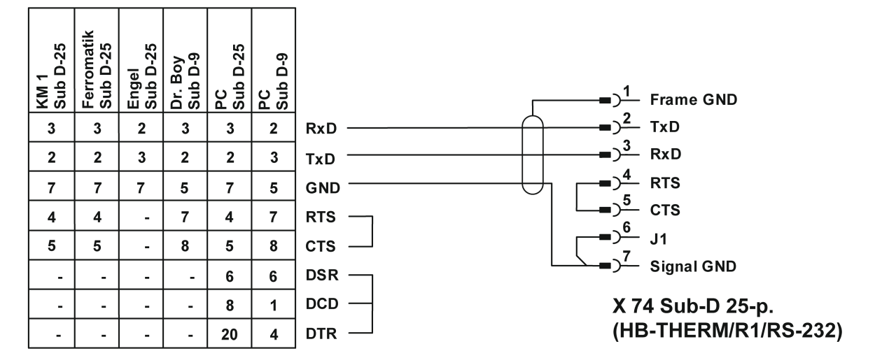
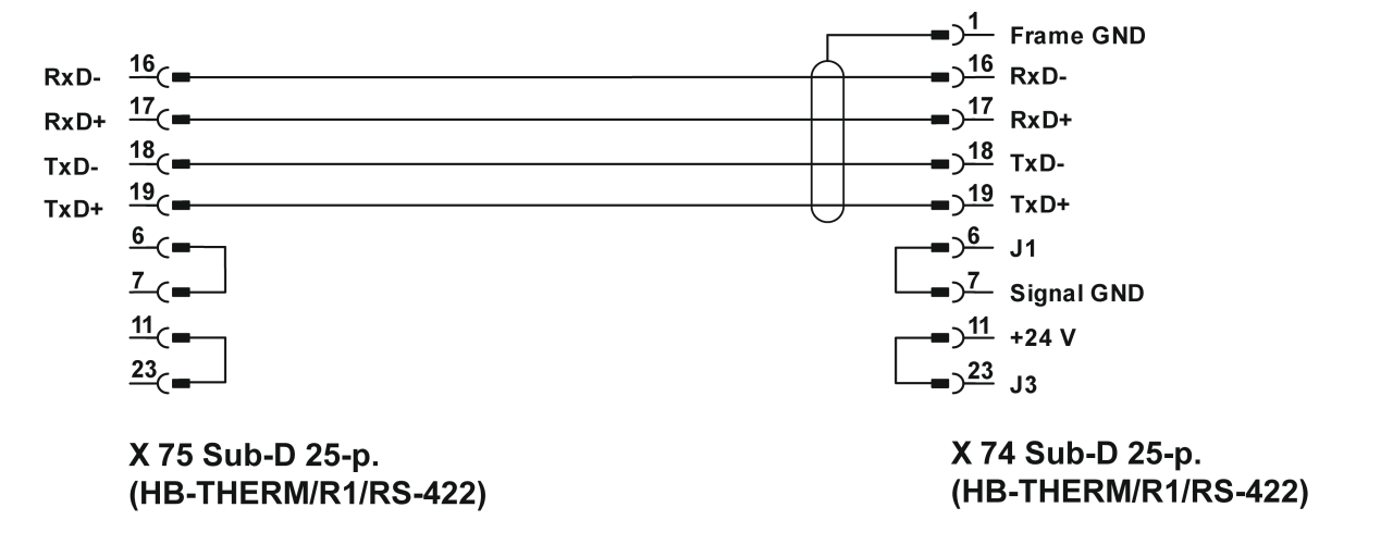
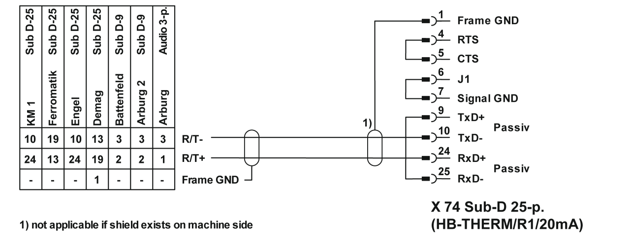
  • Sučelje serijskih podataka 20 mA, RS-232, RS-422/485 (Billion, Bühler, Dr. Boy, Engel, Ferromatik Milacron, Haitian, KraussMaffei, Negri Bossi, SPI (Fanuc, etc.), Stork, Sumitomo Demag, Wittmann Battenfeld, Zhafir)

  • 1 25-pinska Sub-D utičnica

  • Kabeli sučelja mogu se naći u katalogu dodatne opreme

Dodjela kabelske igle

20 mA(current loop)

RS-232

RS-485

RS-422(Priključni kabel)

CAN (ZC)

  • Sučelje serijskih podataka CAN-Bus (Sumitomo Demag), CANopen (EUROMAP 66; Netstal, etc.)
  • 1 Sub-D 9-pinska utičnica
  • Kabeli sučelja mogu se naći u katalogu dodatne opreme

Dodjela kabelske igle

Adapter (samo za Demag strojeve, O/ID T22590)

  • Demag: uređaj 1 s adresom 13
  • Netstal: Uređaj 1 s adresom 31

PROFIBUS-DP (ZP)

  • Serijsko PROFIBUS-DPpodatkovno sučelje za do 4 jedinice za kontrolu temperature
  • 1 Sub-D 9-pinska utičnica

NAPOMENA!

Profibus kabeli tipa UKLJ moraju se koristiti za Profibus veze. Ovi kabeli su dostupni od standardnih trgovaca.