Az adatcsere a gépvezérlés és a Thermo-6 hőmérséklet-szabályozó egység között az interfész szerveren keresztül történik. Gate-6A Temperáló készülék külső vezérlőn keresztüli vezérléséhez kattintson ide...

Ethernet

  • Ethernet csatlakozó maximum 16 Thermo-6 hőmérséklet-szabályozó egység csatlakoztatásához és a géphez való OPC UA (EUROMAP 82.1 Release 1.01 / OPC 40082-1)csatlakoztatáshoz

  • Kapcsoló 2 aljzattal RJ-45

MEGJEGYZÉS!

Minden Ethernet-csatlakozáshoz árnyékolt 5. Vagy magasabb kategóriájú kábeleket kell használni. Ezek a kábelek a szokásos kiskereskedőktől kaphatók.

DIGITAL (ZD)

  • Soros adatinterfész 20 mA, RS-232, RS-422/485 (Billion, Bühler, Dr. Boy, Engel, Ferromatik Milacron, Haitian, KraussMaffei, Negri Bossi, SPI (Fanuc, etc.), Stork, Sumitomo Demag, Wittmann Battenfeld, Zhafir)

  • 1 db. Sub-D 25 pólusú csatlakozó

  • Interfész kábelek megtalálhatók a tartozékok katalógusban

Kábeltű hozzárendelés

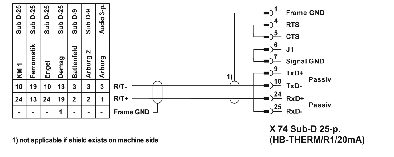
20 mA(current loop)

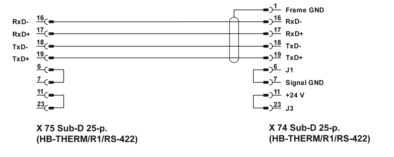
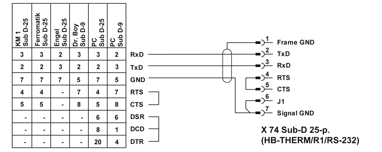
RS-232

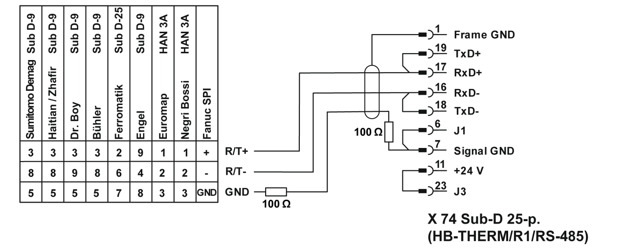
RS-485

RS-422(csatlakozókábel)

CAN (ZC)

  • Soros adatinterfész CAN-Bus (Sumitomo Demag), CANopen (EUROMAP 66; Netstal, etc.)
  • 1 db. Sub-D 9 pólusú aljzat
  • Interfész kábelek megtalálhatók a tartozékok katalógusban

Kábeltű hozzárendelés

Adapter (csak Demag gépekhez,) O/ID T22590

  • Demag: 1. Készülék 13. Címmel
  • Netstal: 1. Eszköz 31. Címmel

PROFIBUS-DP (ZP)

  • Soros PROFIBUS-DPadatinterfész akár 4 hőmérséklet-szabályozó egységhez
  • 1 9 tűs Sub-D aljzat

MEGJEGYZÉS!

A típusú Profibus kábeleket kell használni a Profibus csatlakozásokhoz. Ezek a kábelek a szokásos kiskereskedőktől kaphatók.