I dati vengono scambiati tra la macchina di controllo della macchina e l'Unità di termoregolazione Thermo-6 tramite il server di interfaccia. Gate-6Per controllare l'Unità di termoregolazione tramite un controller esterno, fare clic qui...

Ethernet

  • Interfaccia Ethernet OPC UA (EUROMAP 82.1 Release 1.01 / OPC 40082-1)per il collegamento di un massimo di 16 unità di controllo della temperatura Thermo-6 e per la connessione alla macchina

  • Interruttore con 2 prese RJ-45

NOTA!

È necessario utilizzare cavi schermati di categoria 5 O superiore per tutte le connessioni Ethernet. Questi cavi sono disponibili presso i rivenditori standard.

DIGITAL (ZD)

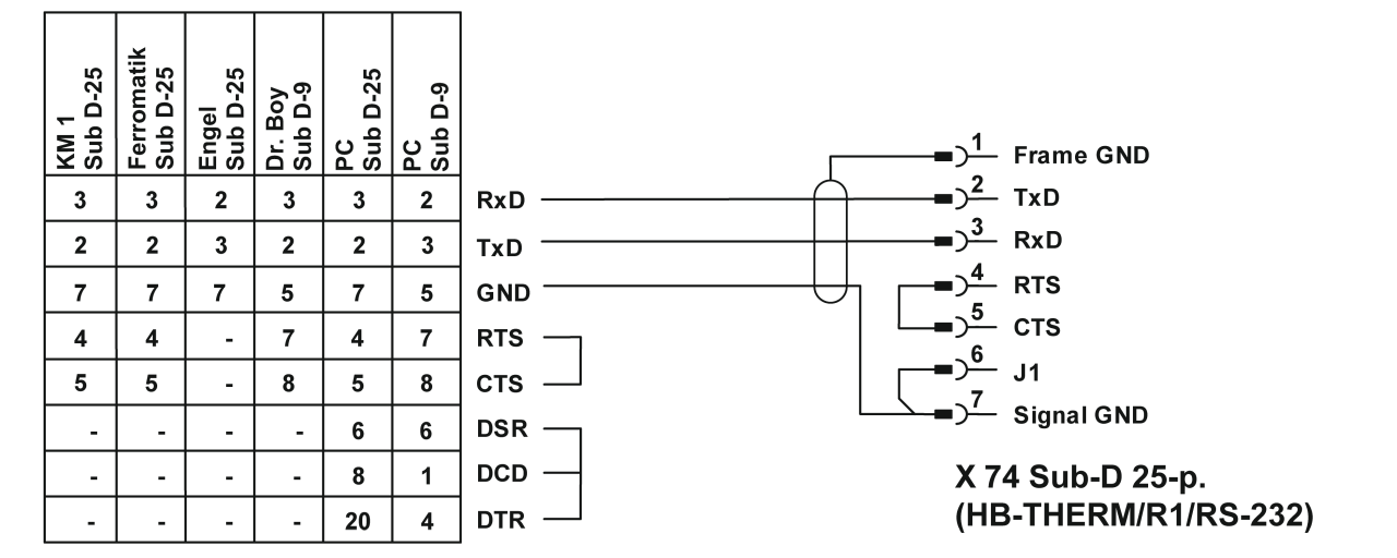
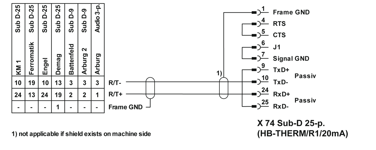
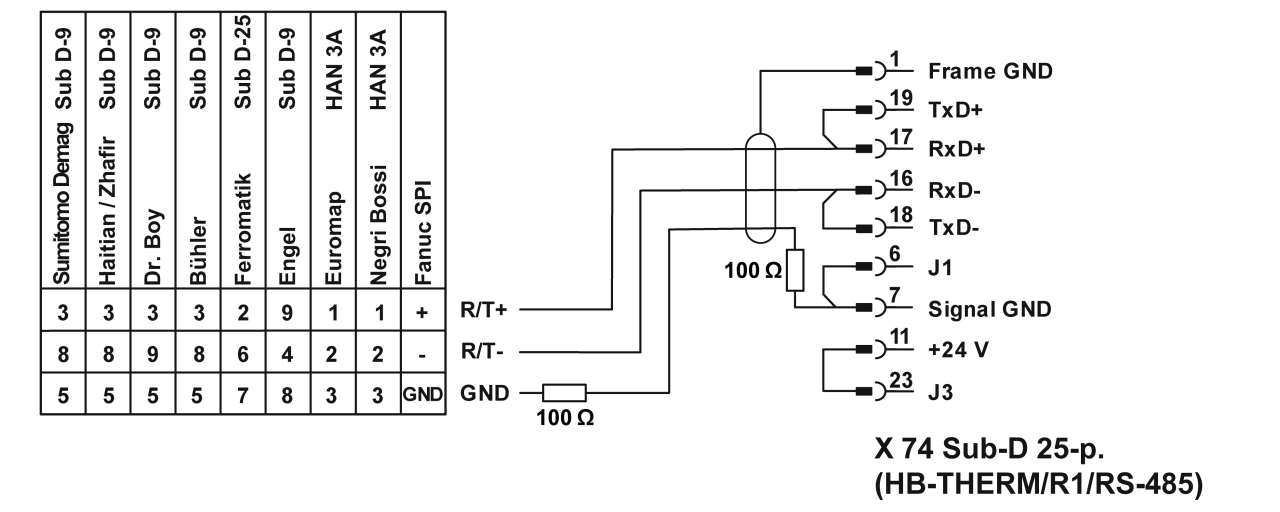
  • Interfaccia dati seriale 20 mA, RS-232, RS-422/485 (Billion, Bühler, Dr. Boy, Engel, Ferromatik Milacron, Haitian, KraussMaffei, Negri Bossi, SPI (Fanuc, etc.), Stork, Sumitomo Demag, Wittmann Battenfeld, Zhafir)

  • 1 connettore Sub-D a 25 pin (femmina)

  • I cavi di interfaccia sono disponibili nel catalogo degli accessori

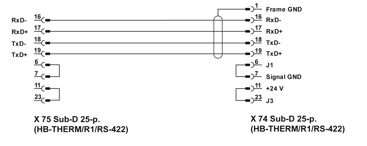
Assegnazione dei pin del cavo

20 mA(current loop)

RS-232

RS-485

RS-422(cavo di connessione)

CAN (ZC)

  • Interfaccia dati seriale CAN-Bus (Sumitomo Demag), CANopen (EUROMAP 66; Netstal, etc.)
  • 1 connettore Sub-D a 9 pin (femmina)
  • I cavi di interfaccia sono disponibili nel catalogo degli accessori

Assegnazione dei pin del cavo

Adattatore (solo per macchine Demag) O/ID T22590

  • Demag: unità 1 con indirizzo 13
  • Netstal: dispositivo 1 con indirizzo 31

PROFIBUS-DP (ZP)

  • interfaccia dati seriale PROFIBUS-DPper un massimo di 4 unità di controllo della temperatura
  • 1 connettore Sub-D a 9 pin

NOTA!

I cavi Profibus di tipo A devono essere utilizzati per le connessioni Profibus. Questi cavi sono disponibili presso i rivenditori standard.