Обмен даннымимежду контроллером машины и блоком управления температурой Термо-6 осуществляется через интерфейсный сервер. Gate-6Чтобы управлять блоком контроля температуры с помощью внешнего контроллера, нажмите здесь....Fernsteuerung 1 v2533
Ethernet
Интерфейс OPC UA (EUROMAP 82.1 Release 1.01 / OPC 40082-1)Ethernet для подключения максимум 16 терморегуляторов Thermo-6 и подключения к аппарату
Выключатель с 2 розетками RJ-45
ОБРАТИТЕ ВНИМАНИЕ!
Для всех подключений Ethernet необходимо использовать экранированные кабели категории 5 или выше. Эти кабели можно приобрести в стандартных магазинах.
DIGITAL (ZD)
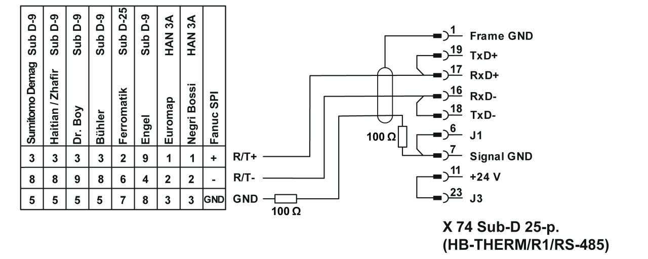
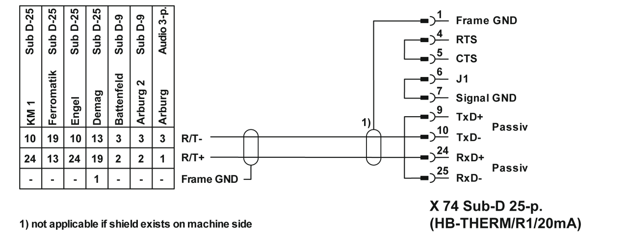
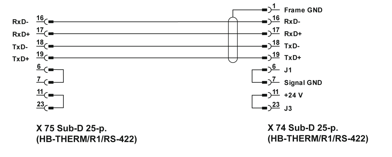
Последовательный интерфейс передачи данных 20 mA, RS-232, RS-422/485 (Billion, Bühler, Dr. Boy, Engel, Ferromatik Milacron, Haitian, KraussMaffei, Negri Bossi, SPI (Fanuc, etc.), Stork, Sumitomo Demag, Wittmann Battenfeld, Zhafir)
1 25-тонный дирижер Sub-D
Интерфейсные кабели можно найти в каталоге аксессуаров
Последовательный интерфейс PROFIBUS-DPпередачи данных для до 4 блоков контроля температуры
1 9-контактный разъем Sub-D, 1 разъем
ОБРАТИТЕ ВНИМАНИЕ!
Тип A. Для соединений Profibus должны использоваться кабели Profibus. Эти кабели можно приобрести в стандартных магазинах.
Datenschutz - Data protection - Protection de données
Wir setzen Cookies ein, um Ihnen die Nutzung unserer Webseite zu erleichtern. Weitere Informationen zu Cookies finden Sie in unserer Datenschutzerklärung. We use cookies to help you use our website. More information about cookies can be found in our privacy policy. Notre site utilise des cookies afin de vous garantir un service optimal. En utilisant ce site web, vous acceptez les présentes conditions. Vous trouverez privacy policy de plus amples informations. Privacy Policy