Data utbyts mellan maskinstyrningen och Thermo-6 Tempereringsaggregat via gränssnittsservern. Gate-6För att styra temperaturkontrollenheten via en extern styrenhet, klicka här...

Ethernet

  • Ethernet-gränssnitt OPC UA (EUROMAP 82.1 Release 1.01 / OPC 40082-1)för anslutning av maximalt 16 Thermo-6 temperaturkontrollenheter och för anslutning till maskinen

  • Omkopplare med 2 uttag RJ-45

ANMÄRKNING!

Skärmade kablar i kategori 5 eller högre måste användas för alla Ethernet-anslutningar. Dessa kablar är tillgängliga från vanliga återförsäljare.

DIGITAL (ZD)

  • Seriellt datagränssnitt 20 mA, RS-232, RS-422/485 (Billion, Bühler, Dr. Boy, Engel, Ferromatik Milacron, Haitian, KraussMaffei, Negri Bossi, SPI (Fanuc, etc.), Stork, Sumitomo Demag, Wittmann Battenfeld, Zhafir)

  • 1 Sub-D uttag 25 (hona)

  • Gränssnittskablar finns i tillbehörskatalogen

Tilldelning av kabelstift

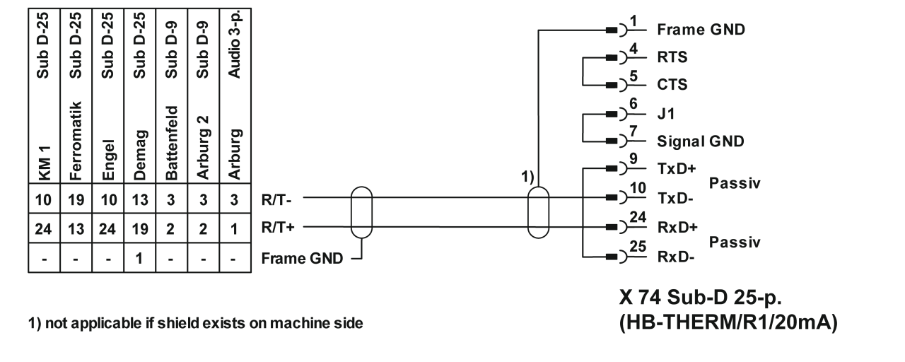
20 mA(current loop)

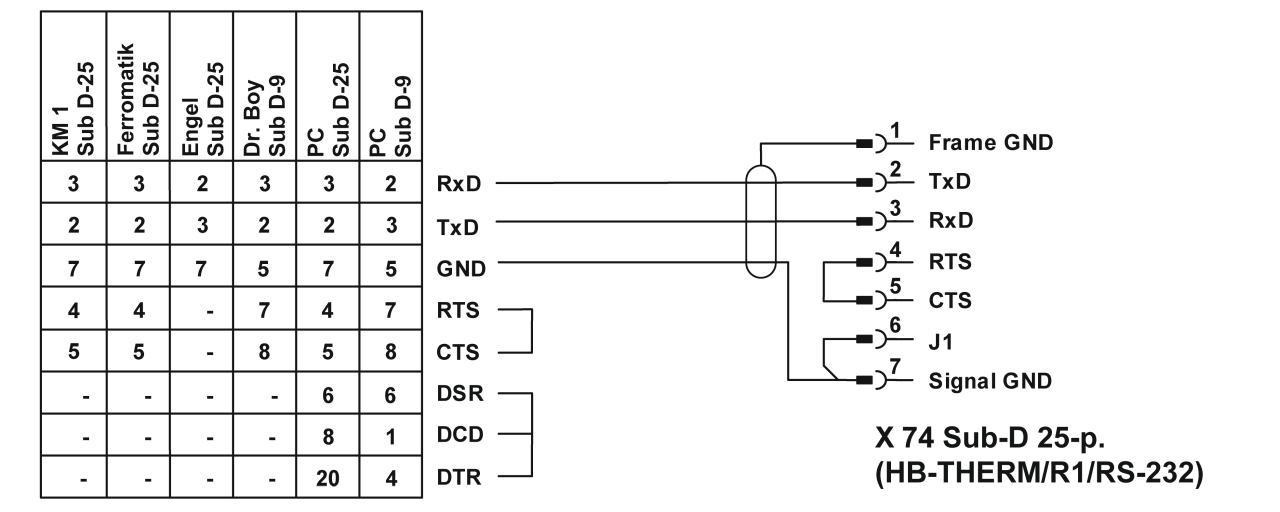
RS-232

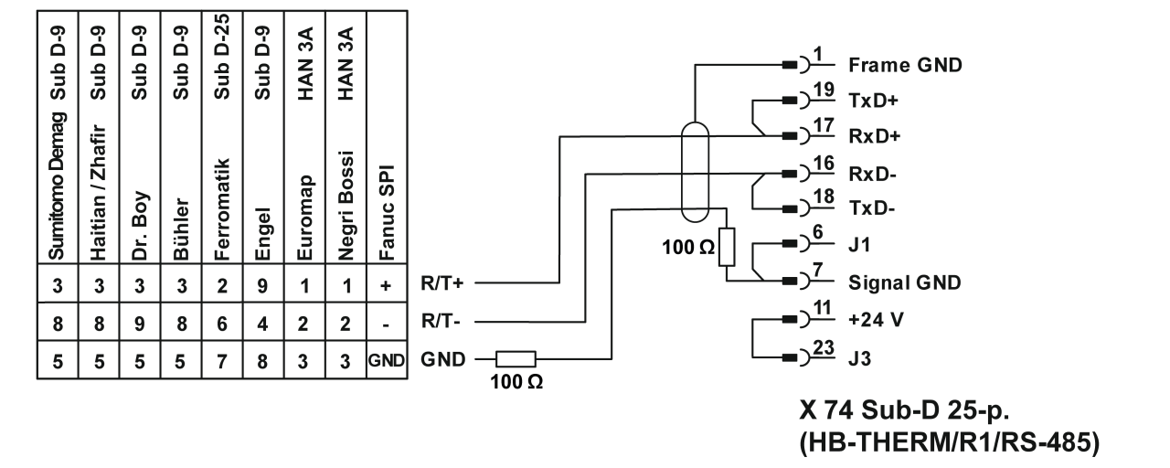
RS-485

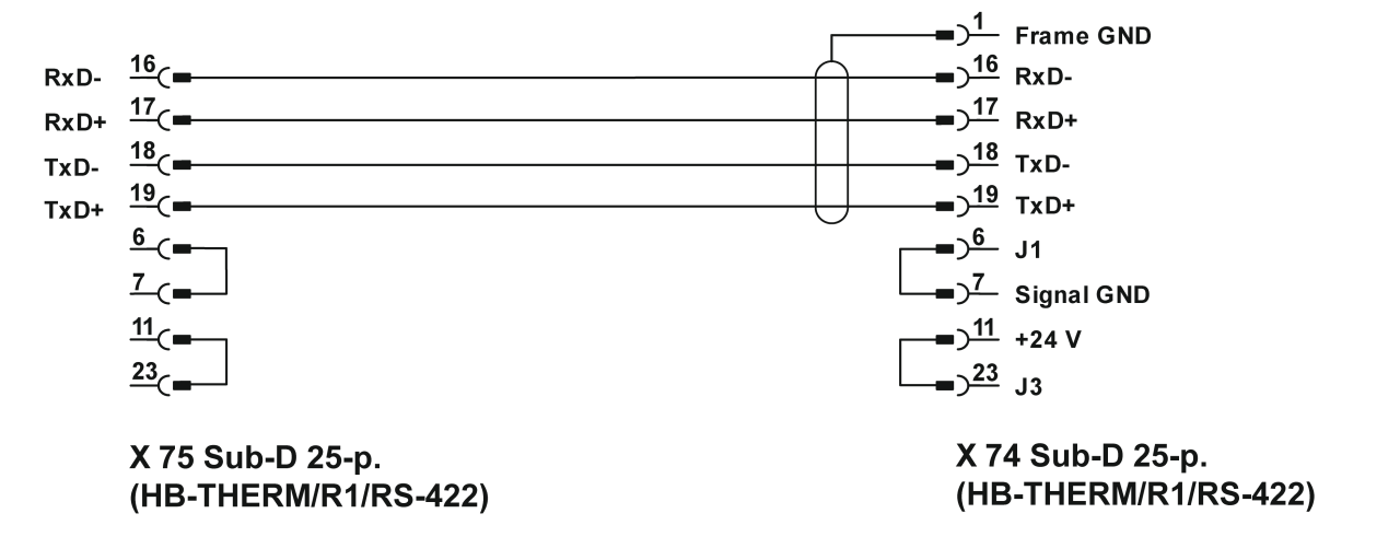
RS-422(anslutningskabel)

CAN (ZC)

  • Seriellt datagränssnitt CAN-Bus (Sumitomo Demag), CANopen (EUROMAP 66; Netstal, etc.)
  • 1 uttag Sub-D 9 (hona)
  • Gränssnittskablar finns i tillbehörskatalogen

Tilldelning av kabelstift

Adapter (endast för Demag maskiner,) O/ID T22590

  • Demag: aggregat 1 med adress 13
  • Netstal: Enhet 1 med adress 31

PROFIBUS-DP (ZP)

  • Seriellt PROFIBUS-DPdatagränssnitt för upp till 4 temperaturkontrollenheter
  • 1 9-stifts Sub-D 9 (hona)

ANMÄRKNING!

Profibus-kablar av typ A måste användas för Profibus-anslutningar. Dessa kablar är tillgängliga från vanliga återförsäljare.