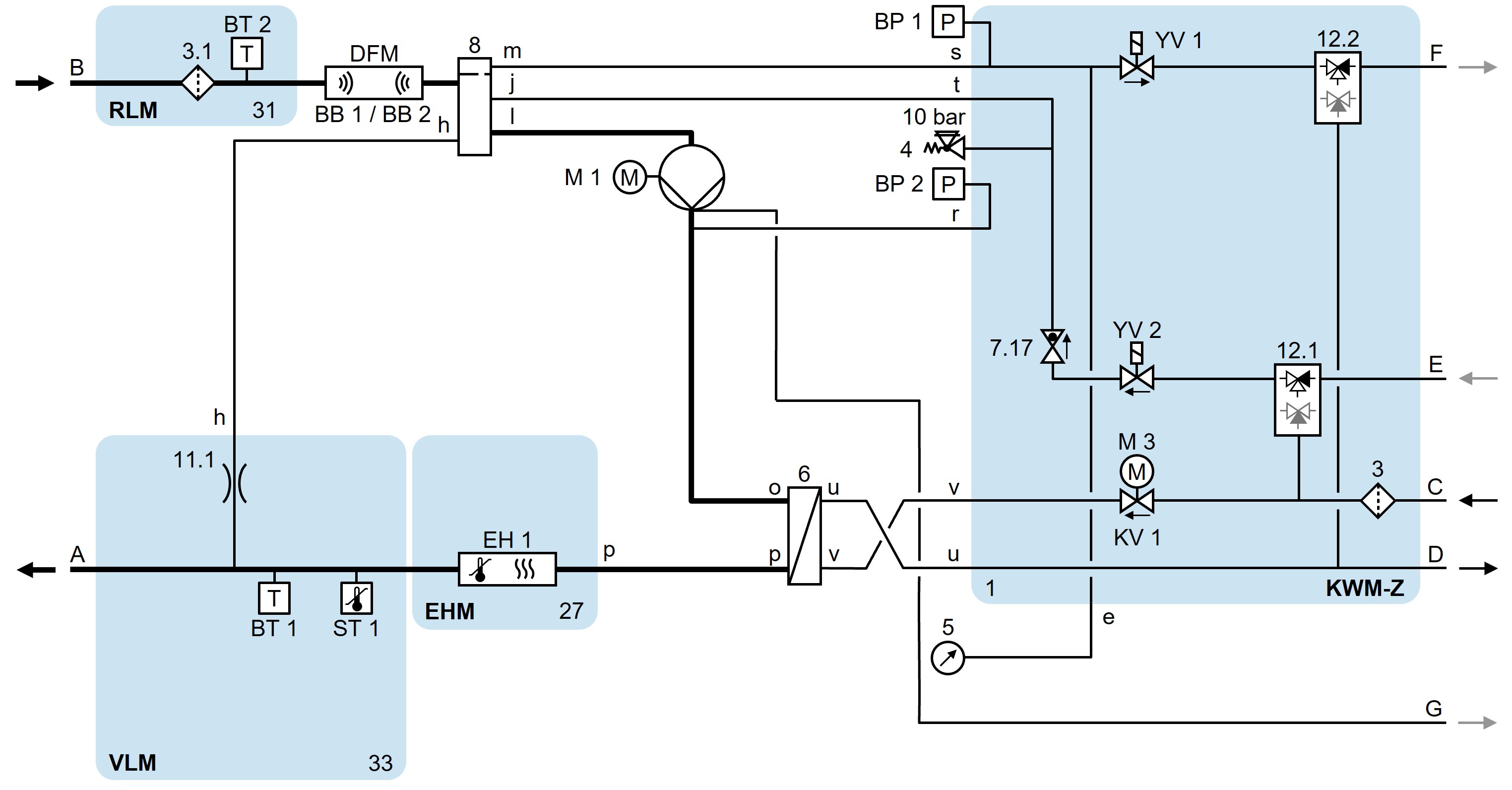
НБ-100З62-16-6П-В2

ВБ-100З62-16-6П-В2-ЗФ

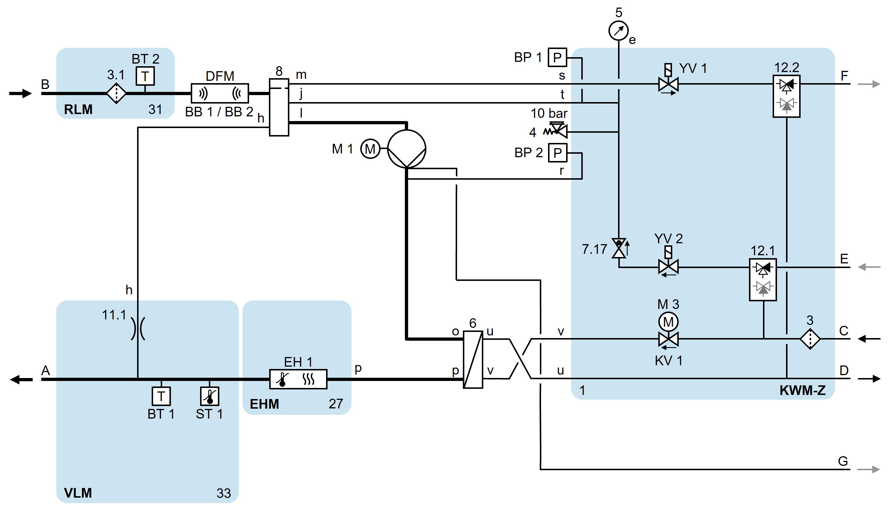
ВБ-100З62-16-6П-Е2

ВБ-100З62-16-6П-Е2-ЗФ

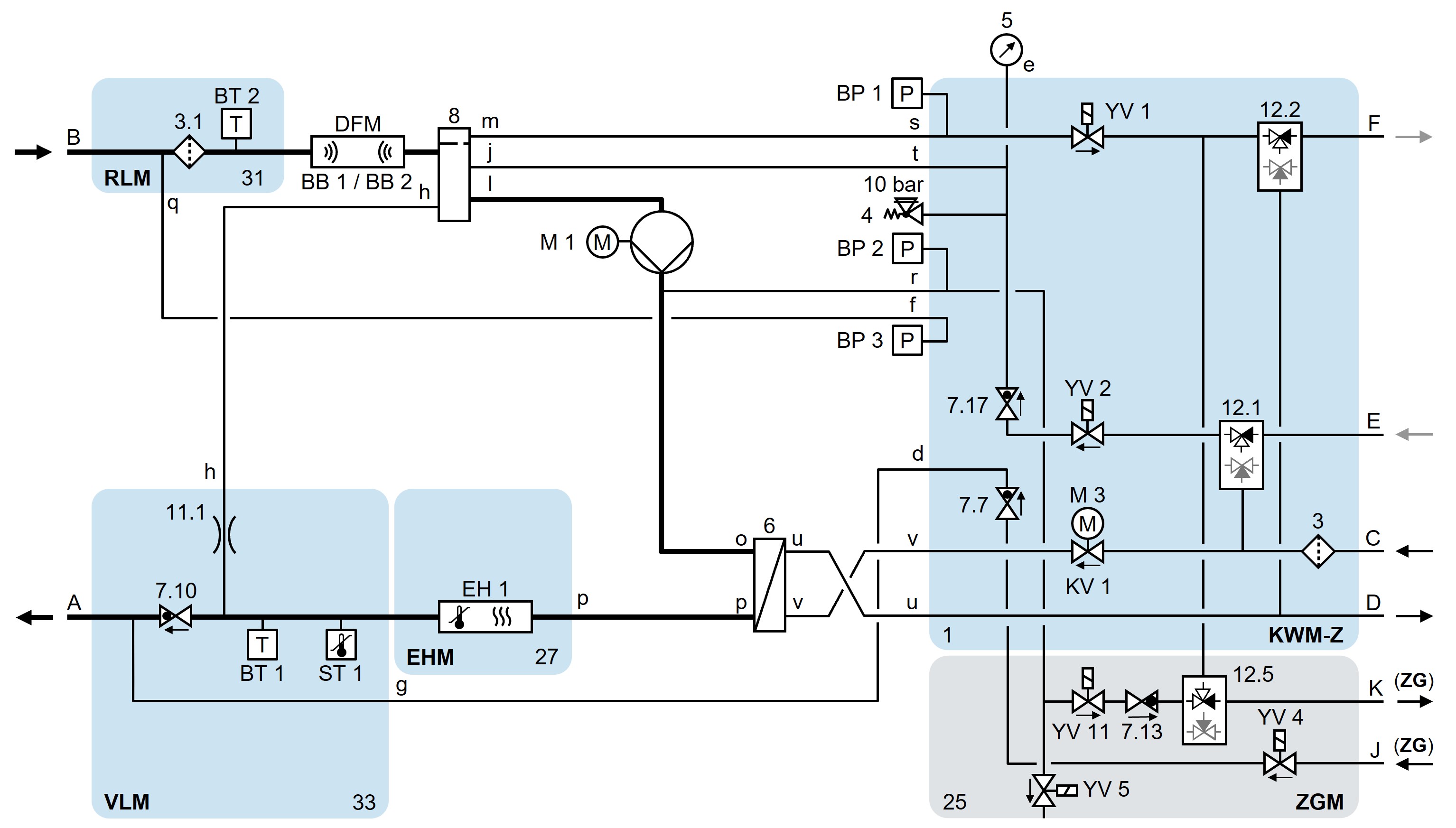
ВБ-100З62-16-6П-Б2/Е2-ЗФ-ЗГ

ВБ-100З62-16-6П-Б2/Е2-ЗФ-ЗН

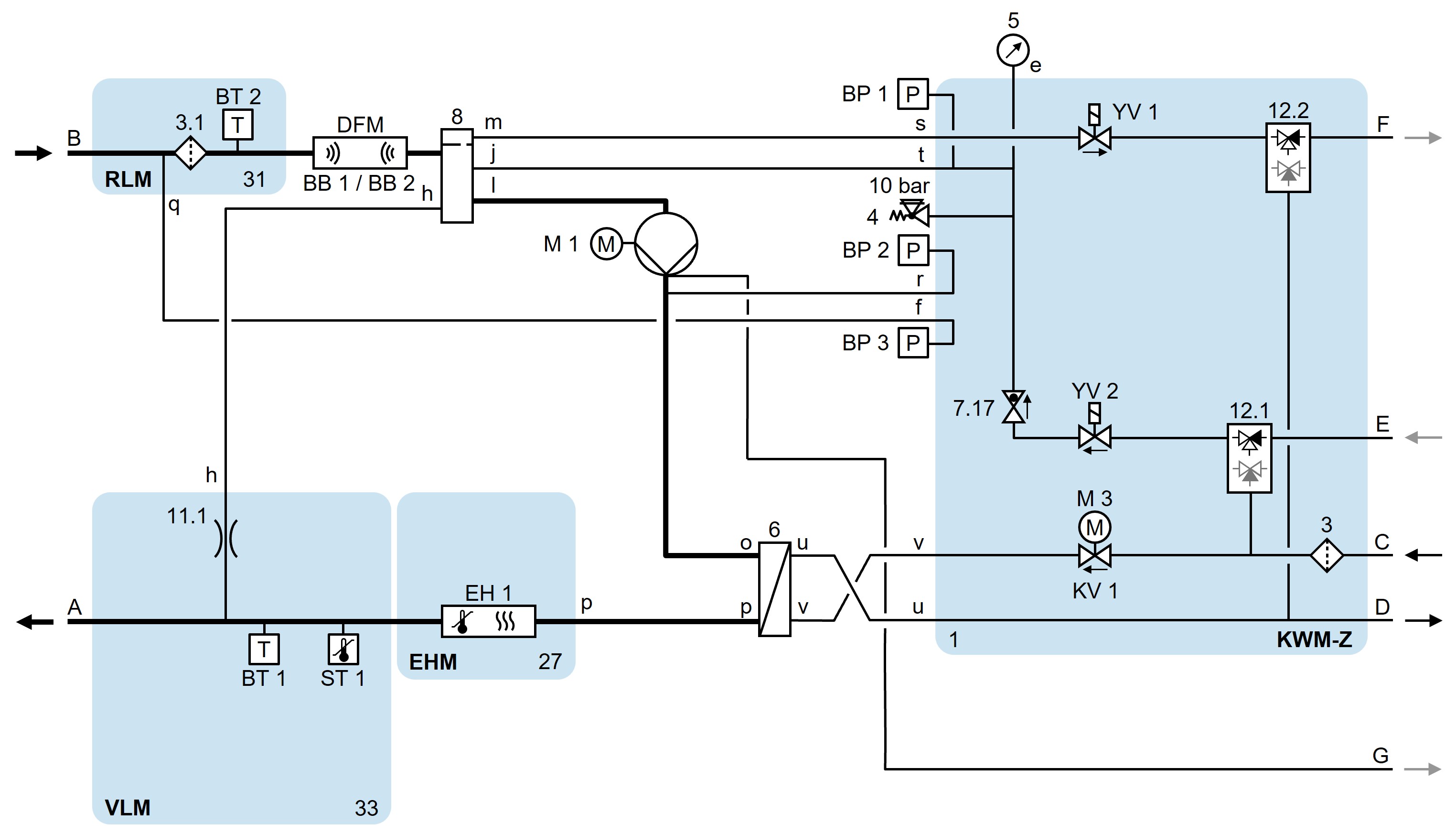
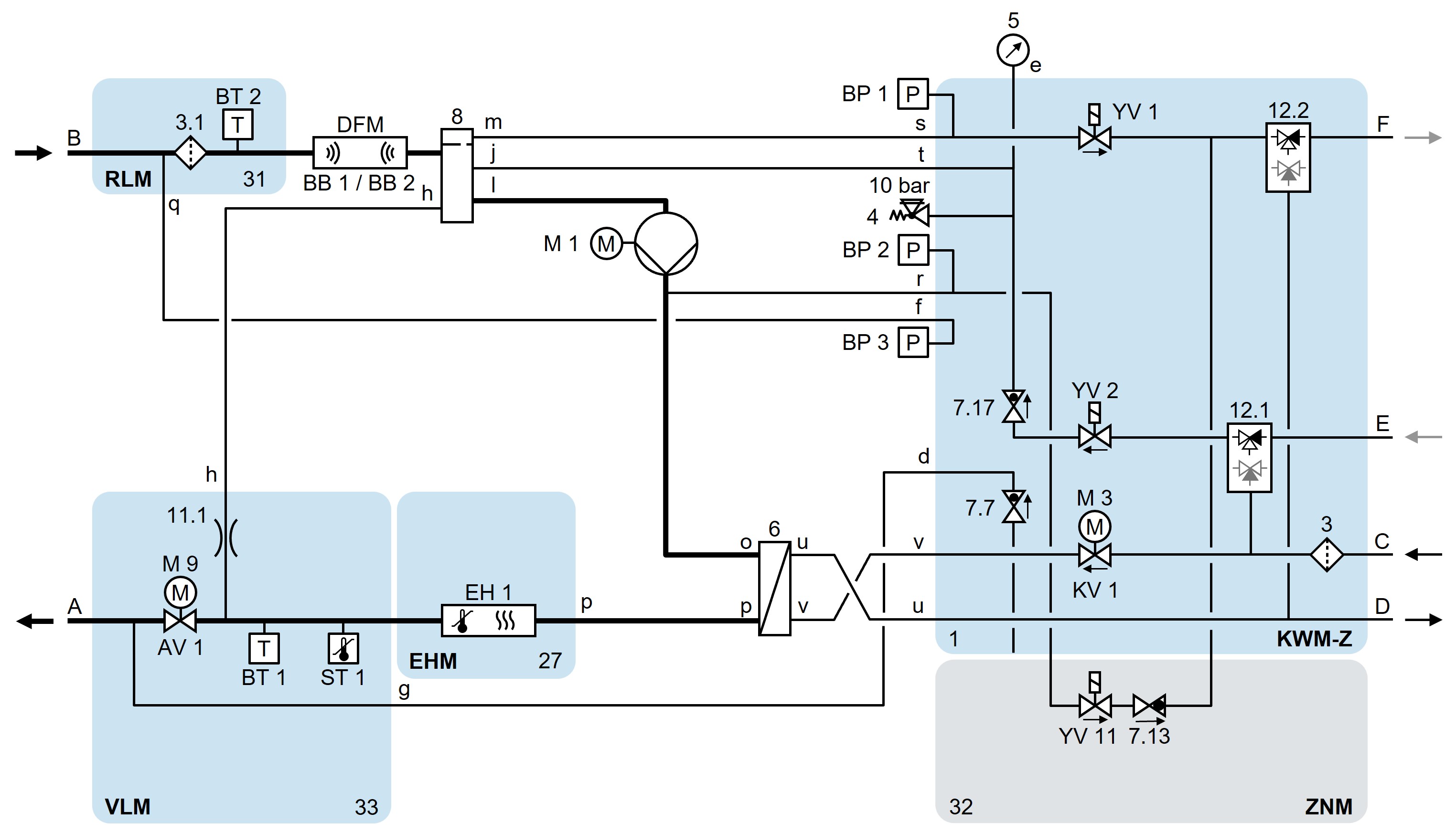
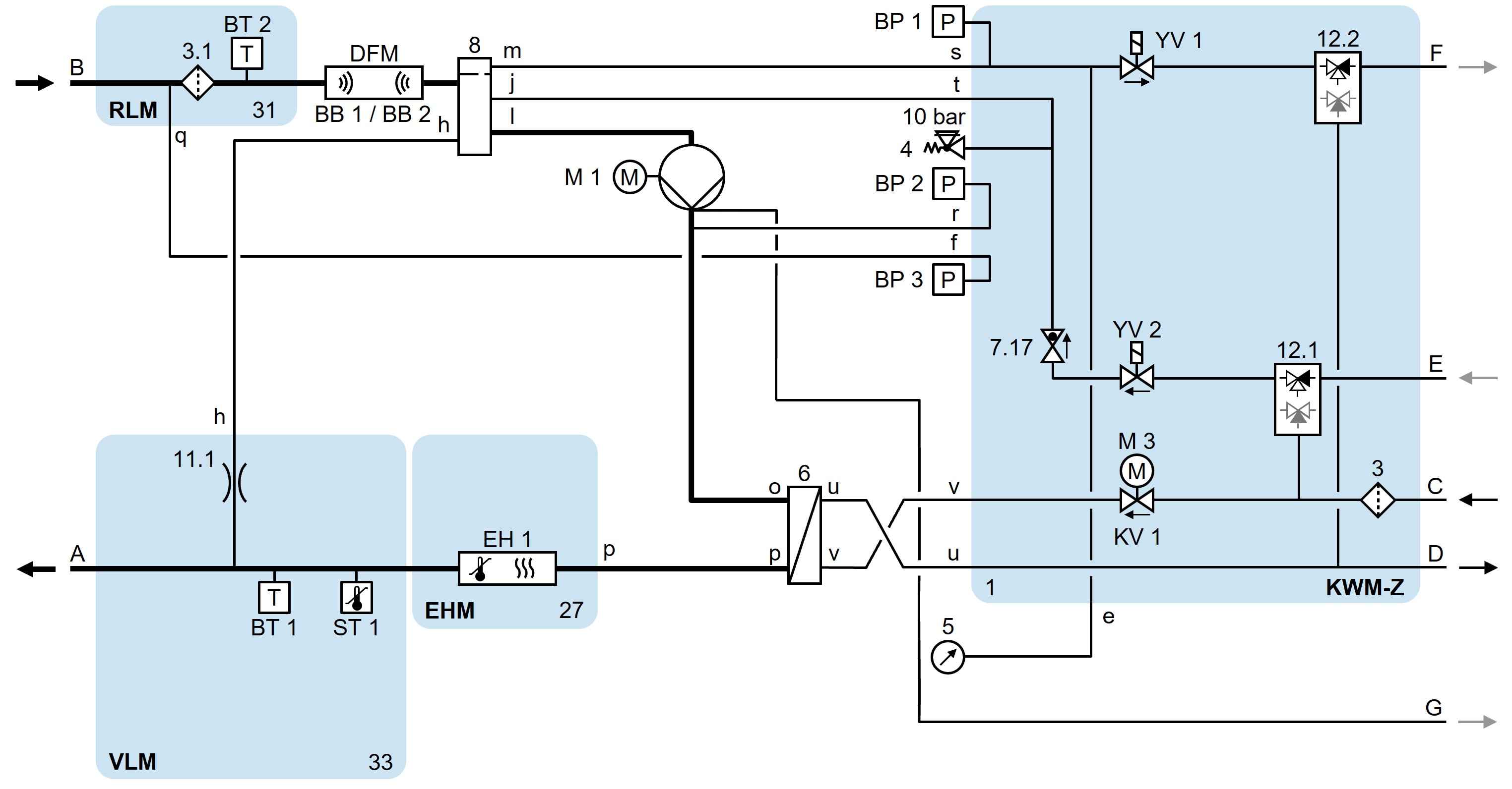
linkлегенда