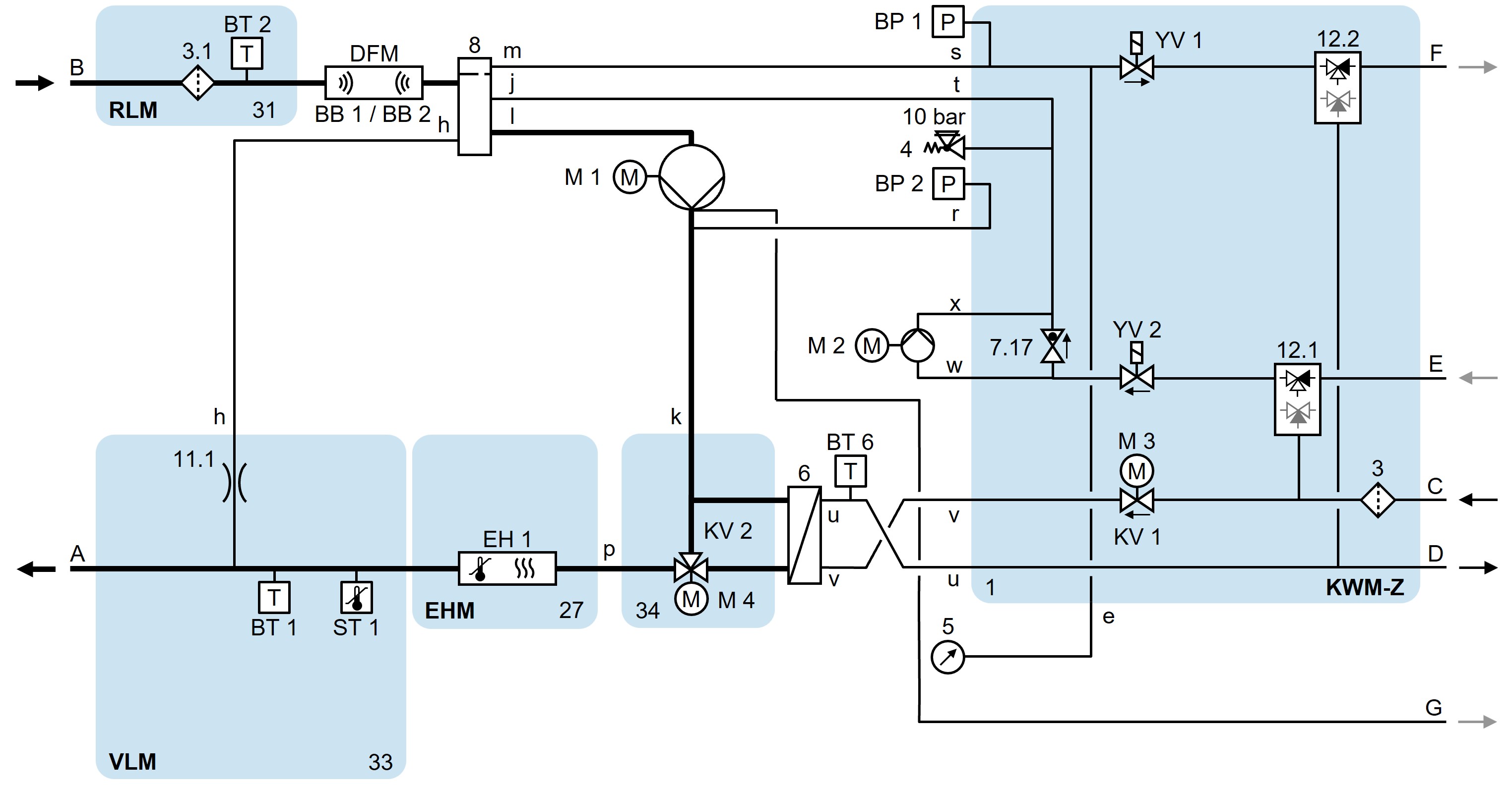
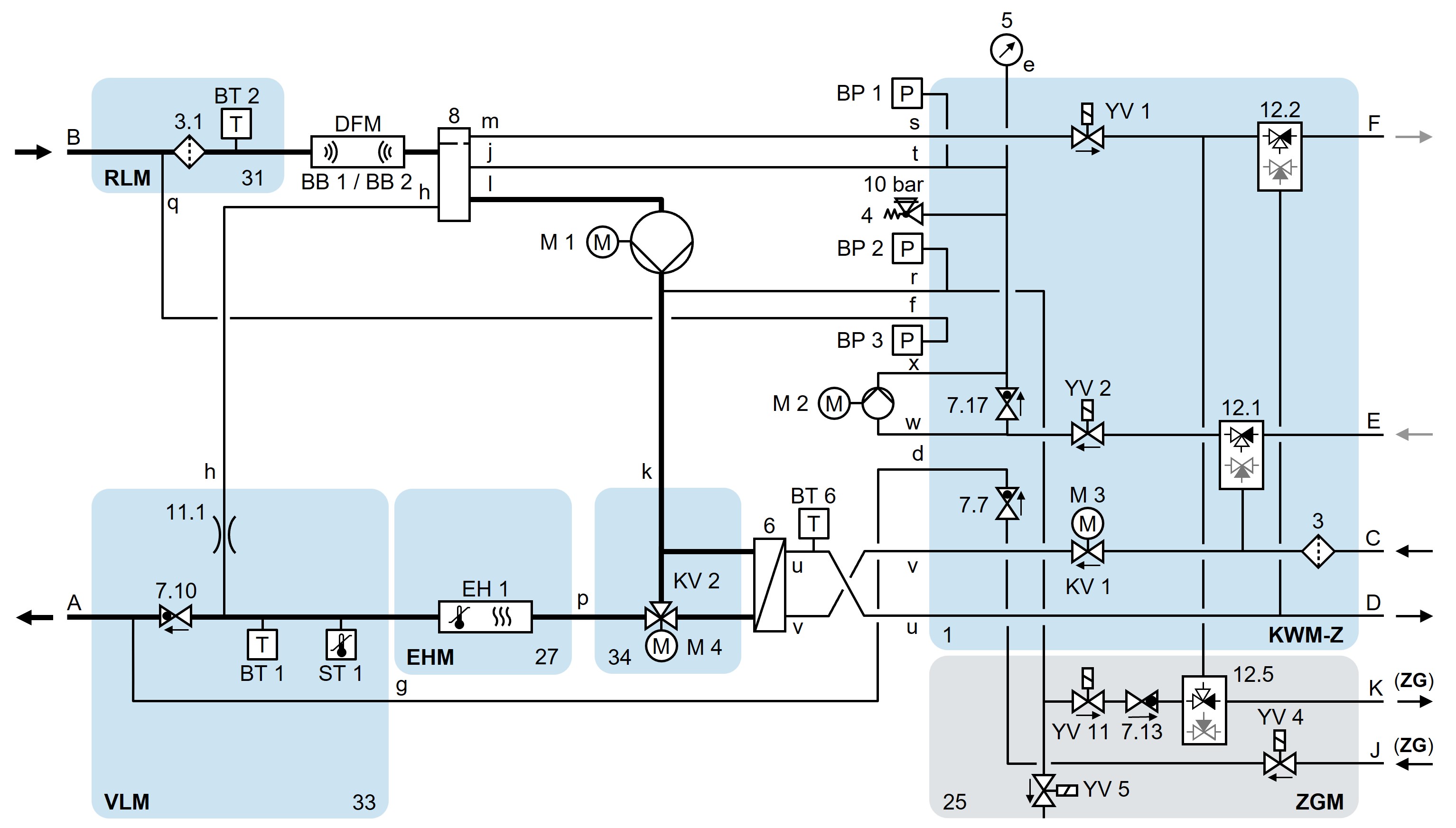
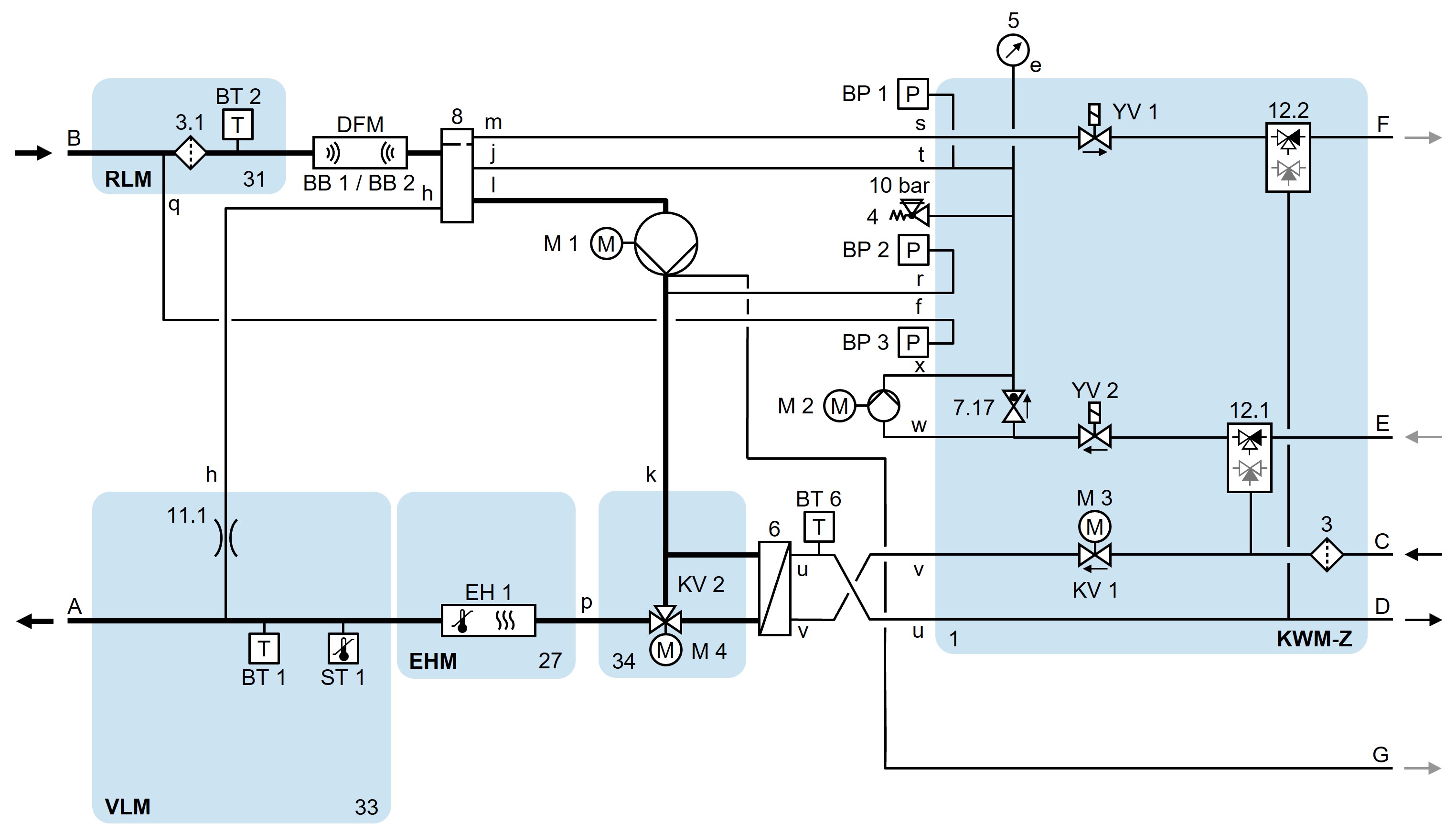
.Legende HB-100/140/160Z61 v2533ХБ-140/160З62-16-6Р-В2

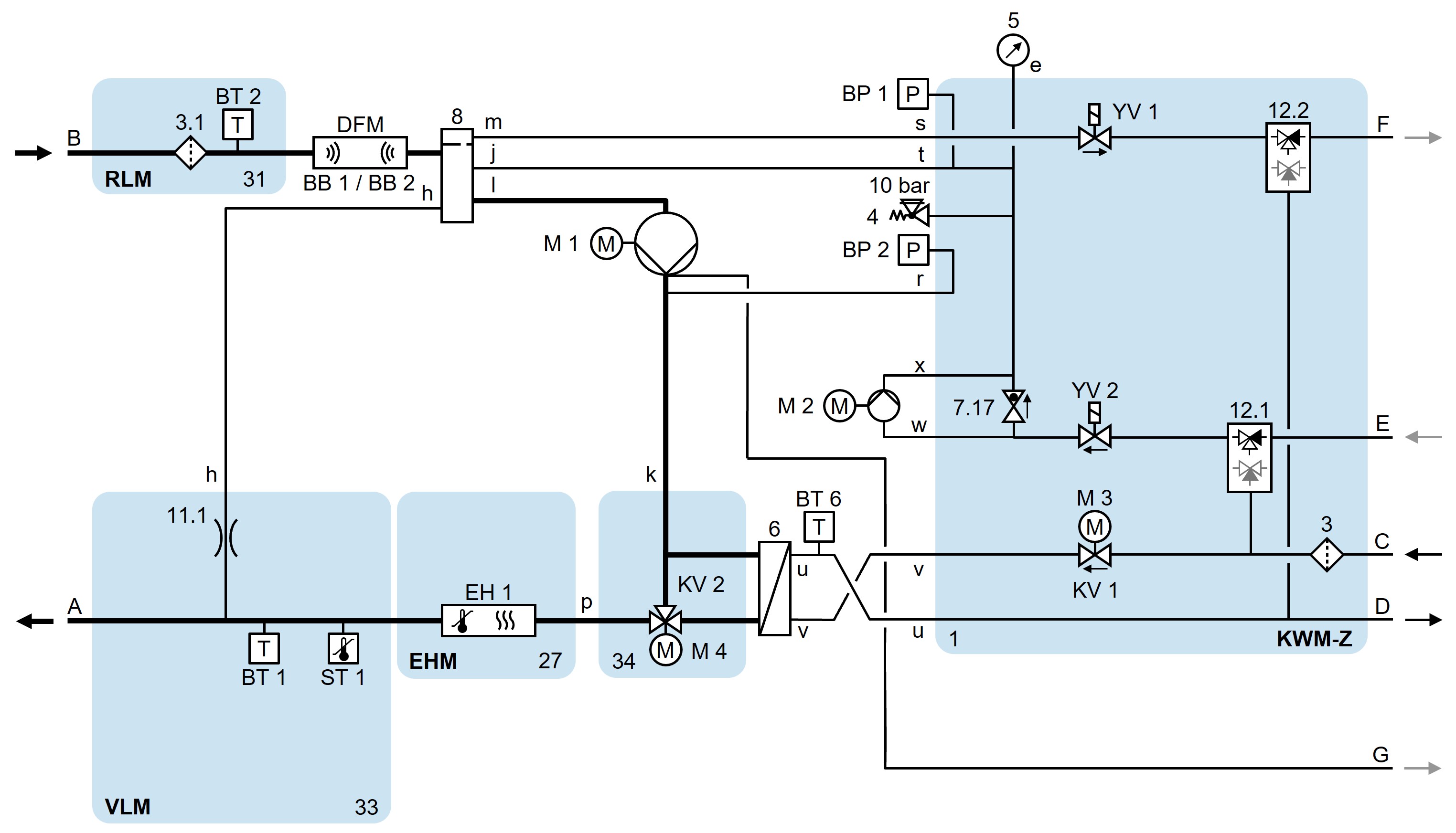
ВБ-140/160З62-16-6Р-Б2-ЗФ

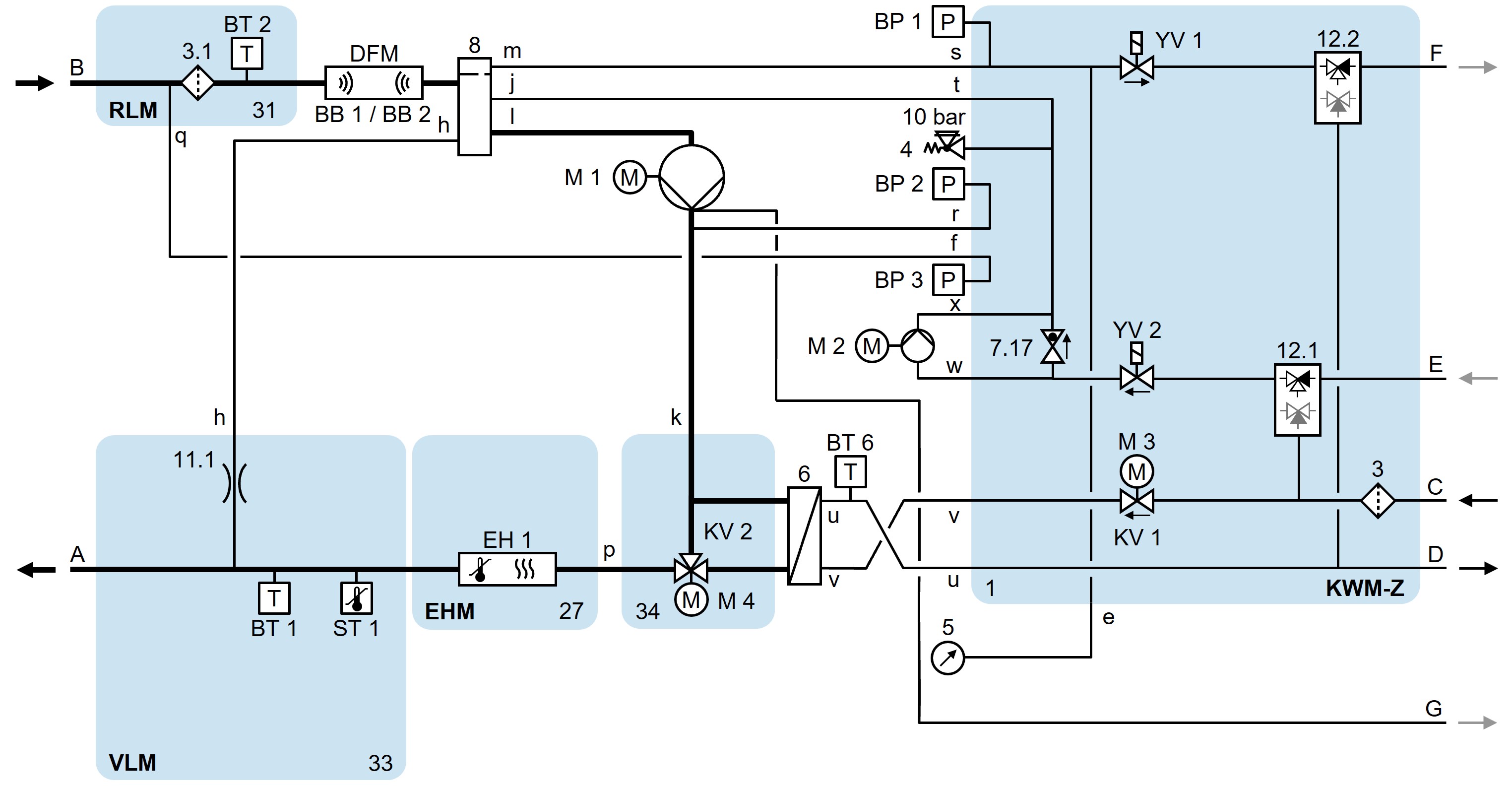
ВБ-140/160З62-16-6Р-Е2

ВБ-140/160З62-16-6Р-Е2-ЗФ

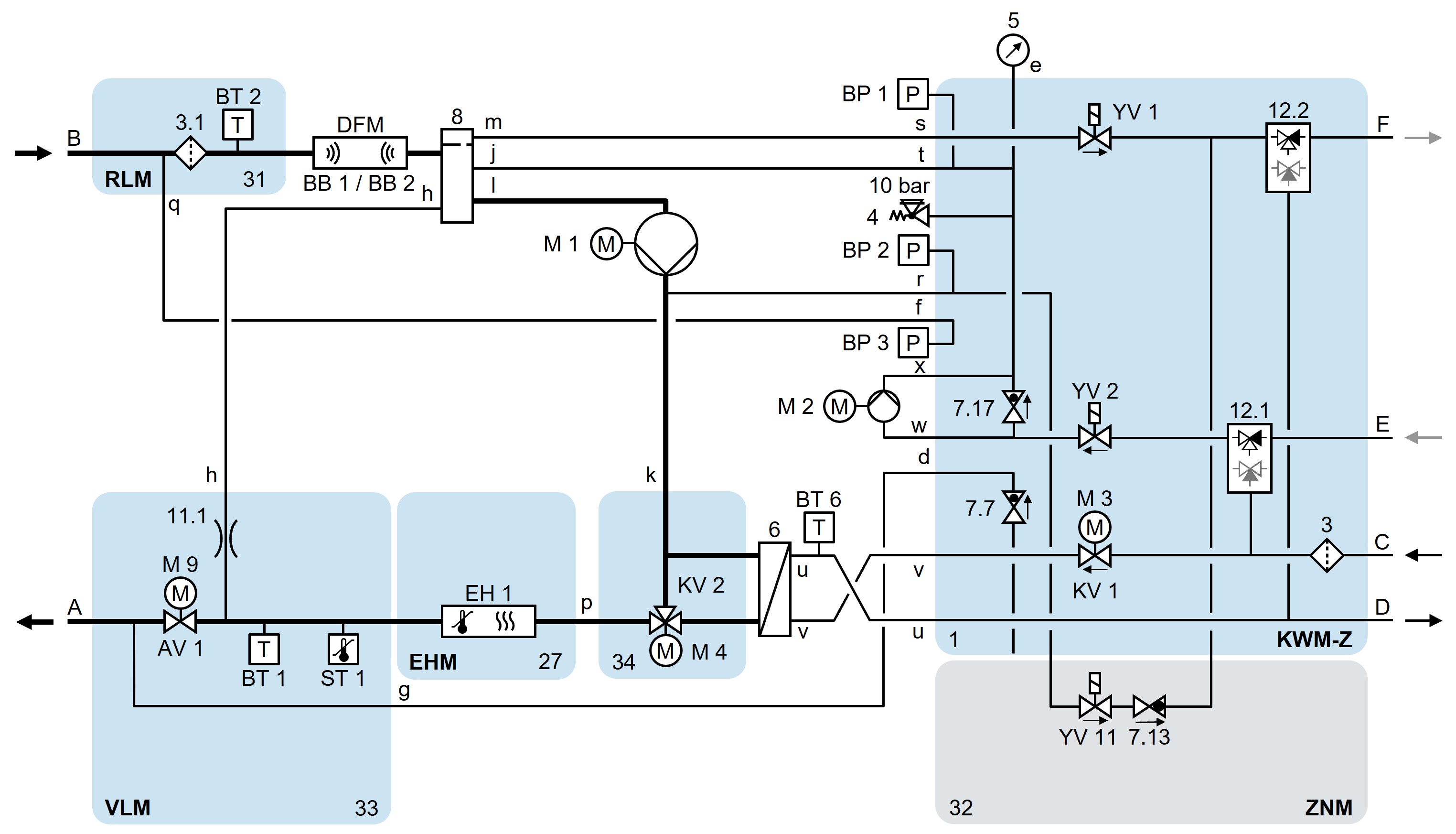
ВБ-140/160З62-16-6Р-Б2/Е2-ЗФ-ЗН

ВБ-140/160З62-16-6Р-Б2/Е2-ЗФ-ЗГ

linkлегенда