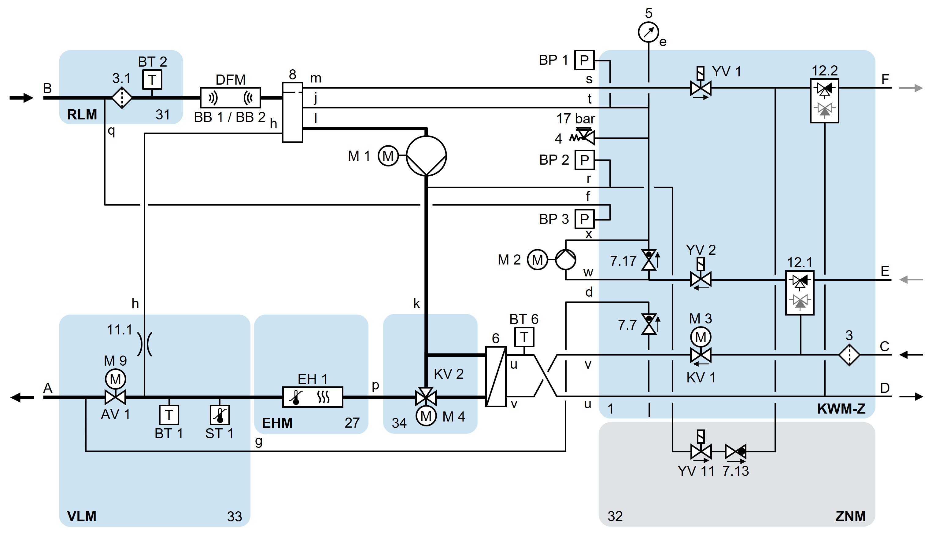
ВБ-180З62-16-6Р-В2/Е2

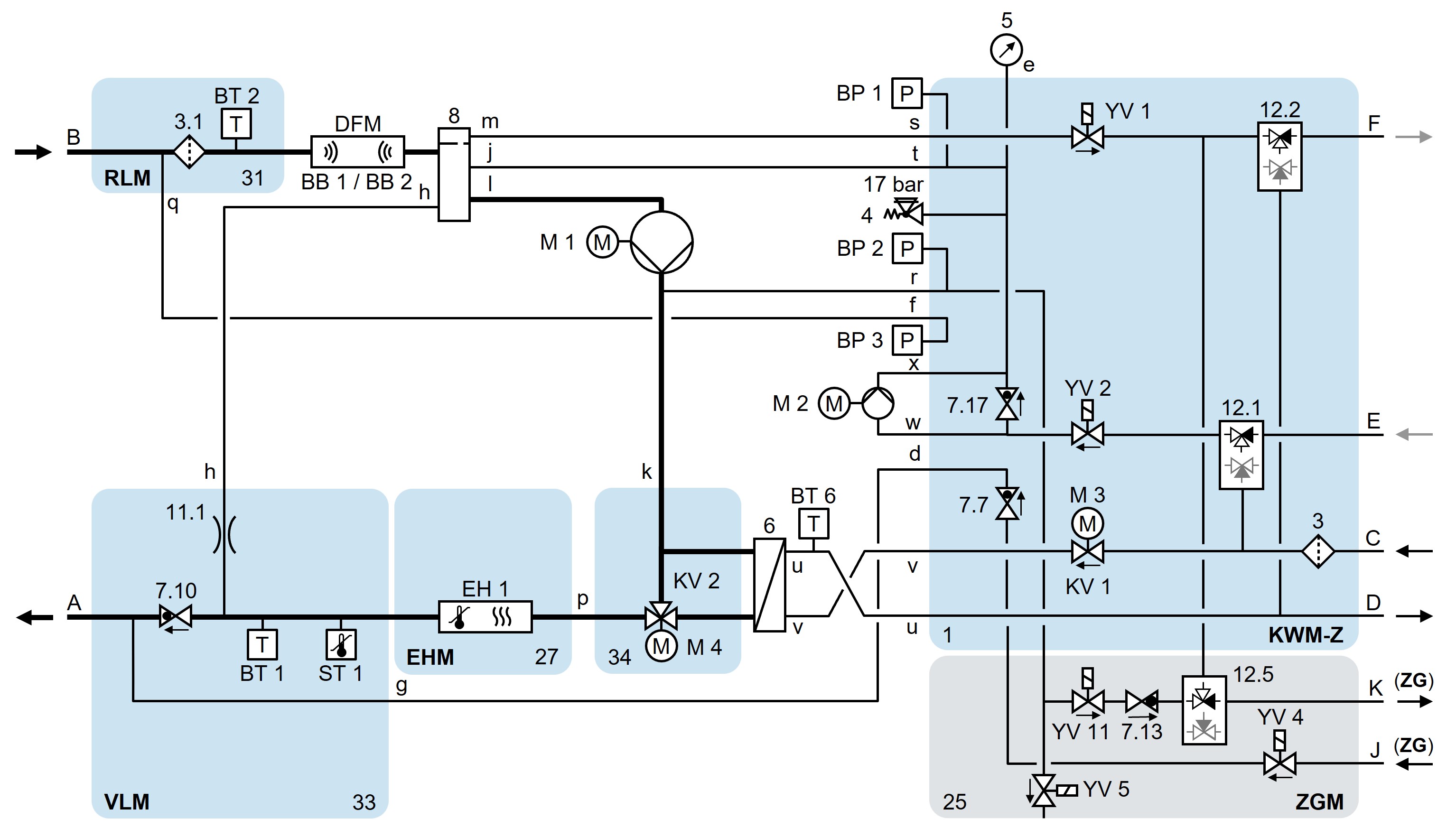
ВБ-180З62-16-6Р-Б2/Е2-ЗФ-ЗН

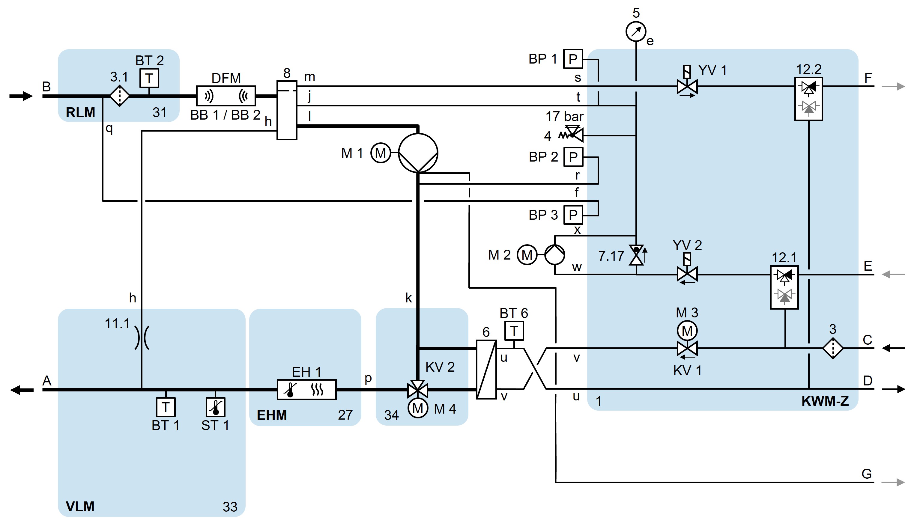
ВБ-180З62-16-6Р-Б2/Е2-ЗФ-ЗГ

linkлегенда