Data jsou vyměňována mezi řídicím strojem a řídicí jednotkou Thermo-6 Temperační přístroj přes server rozhraní. Gate-6Chcete-li ovládat Temperační přístroj pomocí externího regulátoru, klikněte zde...

Ethernet

  • Ethernetové rozhraní OPC UA (EUROMAP 82.1 Release 1.01 / OPC 40082-1)pro připojení maximálně 16 regulačních jednotek teploty Thermo-6 a pro připojení ke stroji

  • Spínač se 2 zásuvkami RJ-45

UPOZORNĚNÍ!

Pro všechna připojení Ethernet musí být použity stíněné kabely kategorie 5 nebo vyšší. Tyto kabely jsou k dispozici u standardních prodejců.

DIGITAL (ZD)

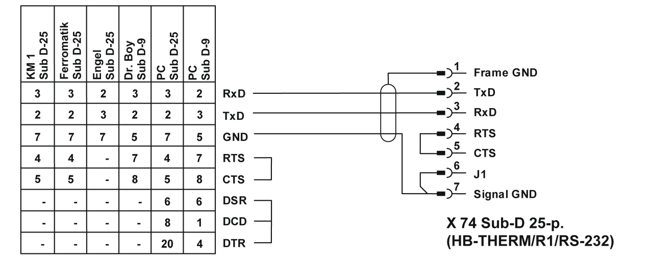
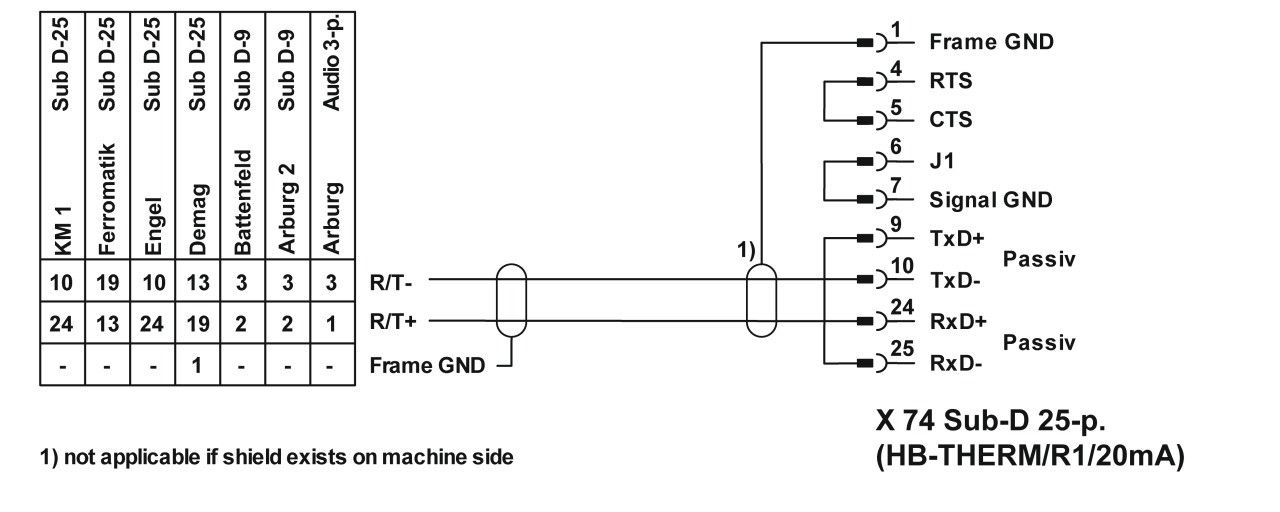
  • Sériové datové rozhraní 20 mA, RS-232, RS-422/485 (Billion, Bühler, Dr. Boy, Engel, Ferromatik Milacron, Haitian, KraussMaffei, Negri Bossi, SPI (Fanuc, etc.), Stork, Sumitomo Demag, Wittmann Battenfeld, Zhafir)

  • 1 konektor Sub-D 25-pin (samice)

  • Kabely rozhraní najdete v katalogu příslušenství

Přiřazení kabelového kolíku

20 mA(current loop)

RS-232

RS-485

RS-422(připojovací kabel)

CAN (ZC)

  • Sériové datové rozhraní CAN-Bus (Sumitomo Demag), CANopen (EUROMAP 66; Netstal, etc.)
  • 1 konektor Sub-D 9-pin (samice)
  • Kabely rozhraní najdete v katalogu příslušenství

Přiřazení kabelového kolíku

Adaptér (pouze pro stroje Demag,) O/ID T22590

  • Demag: přístroj 1 s adresou 13
  • Netstal: Zařízení 1 s adresou 31

PROFIBUS-DP (ZP)

  • Sériové datové PROFIBUS-DProzhraní až pro 4 jednotky regulace teploty
  • 1 9-pinová zásuvka Sub-D 9-pin

UPOZORNĚNÍ!

Pro připojení Profibus musí být použity kabely Profibus typu A. Tyto kabely jsou k dispozici u standardních prodejců.