Download page C8842: Sikkerhedsafbrydelse via alarm og fjernstyring.
C8842: Sikkerhedsafbrydelse via alarm og fjernstyring
Specialudgave (tillæg A): Sikkerhedsafbrydelse via alarm og fjernstyring
Beskrivelse
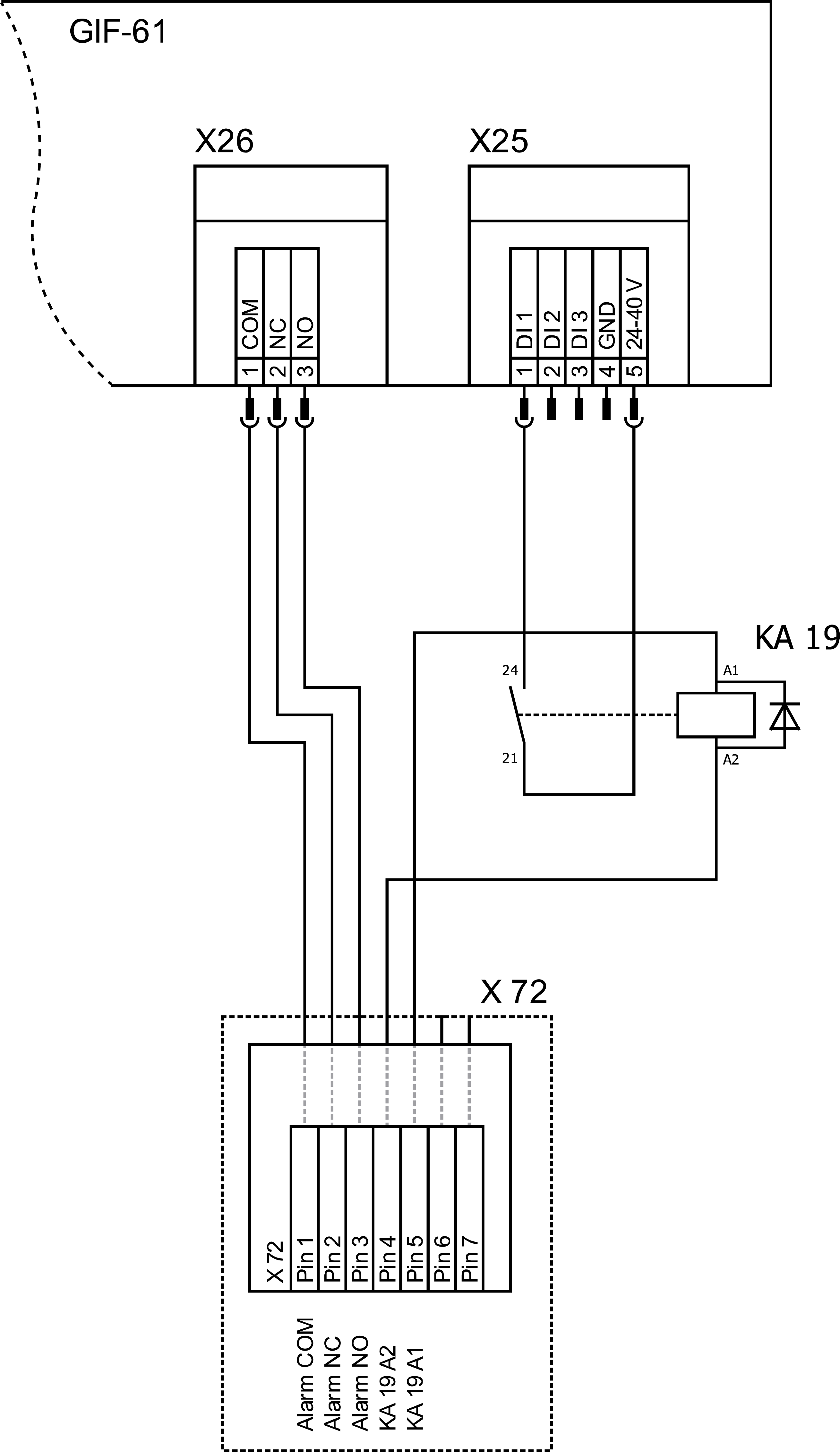
I denne version er udstyret med et ekstra relæ (KA 19), som kan bruges til at slukke for enheden sikkert. Til drift skal relæet (KA 19) forsynes med en ekstern 24 VDC spænding. Hvis den eksterne 24 VDC spænding afbrydes, slukker relæet (KA 19) og slukker for enheden via en potentialfri kontakt.
Indstilling af parameterændring
For denne version kræves følgende Indstilling i hovedmenuen under [Indstillinger] > [Diverse]:
Parametre [Safe -OFF Via Ext. Kontakt] → tænde funktionen med skyderen ().
Indstil parameteren [Formtømningstemperatur] til „90° C.“
BEMÆRK!
Er parametrene [Sikker. -OFF Via Ext. Kontakt] er tændt, de resterende Funktioner ved fjernstyring (skift af nominel værdi 1 eller 2) deaktiveres via den potentialfri kontakt.
Elektrisk diagram Ændring (uddrag)
Ordningen for ændringskomponenter
Ændring af legende
forkortelse
Betegnelse
henrettelse
KA19
Sikkerhedsafbrydelse relæ
Datenschutz - Data protection - Protection de données
Wir setzen Cookies ein, um Ihnen die Nutzung unserer Webseite zu erleichtern. Weitere Informationen zu Cookies finden Sie in unserer Datenschutzerklärung. We use cookies to help you use our website. More information about cookies can be found in our privacy policy. Notre site utilise des cookies afin de vous garantir un service optimal. En utilisant ce site web, vous acceptez les présentes conditions. Vous trouverez privacy policy de plus amples informations. Privacy Policy