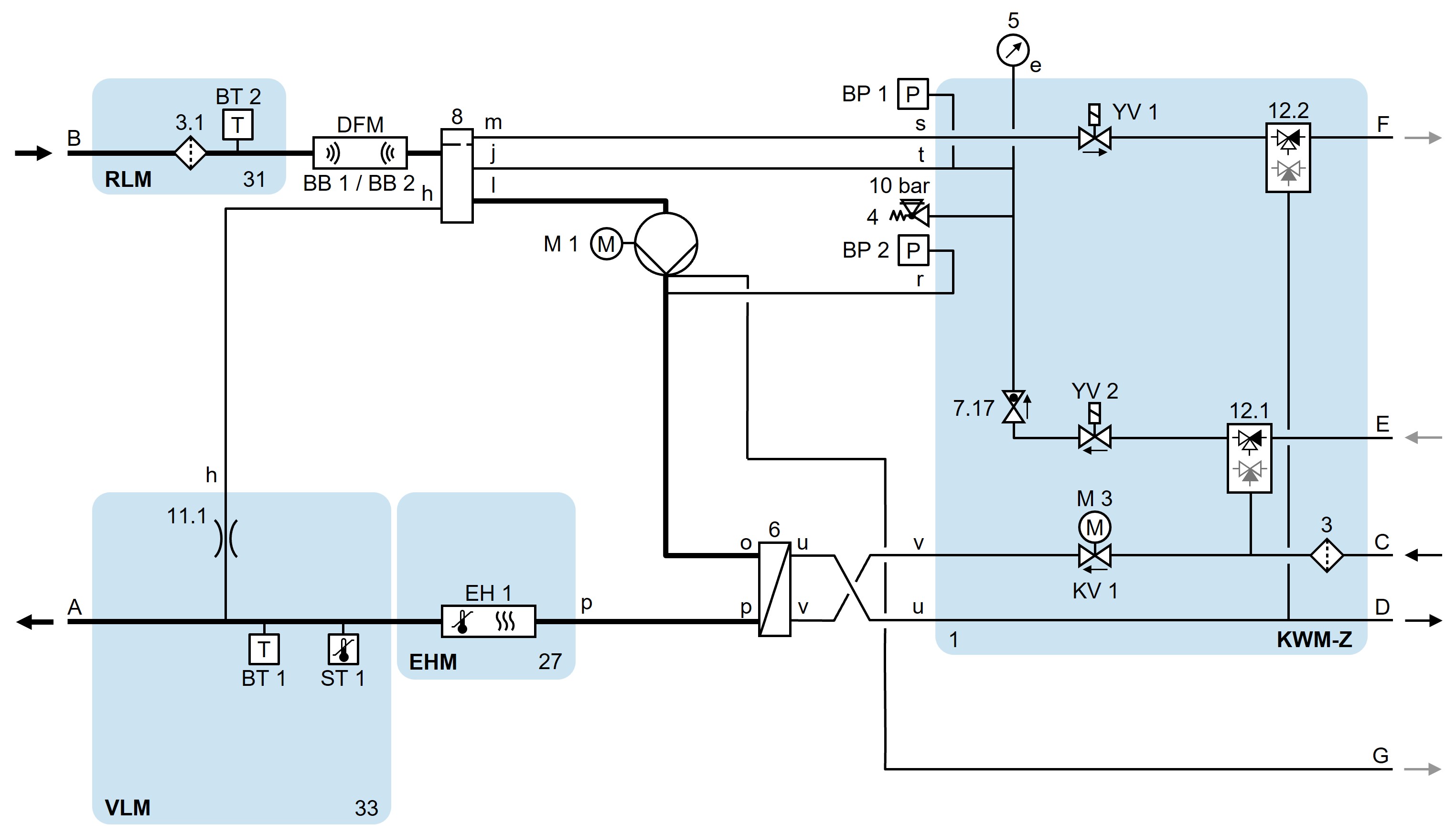
ΗΒ-100Ζ62-16-6Ρ-Β2

ΗΒ-100Ζ62-16-6Π-Β2-ΖΦ

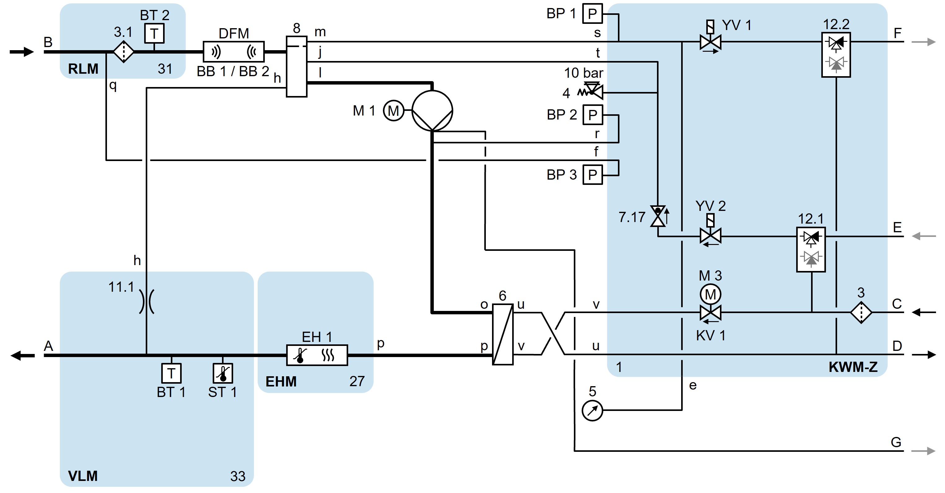
ΗΒ-100Ζ62-16-6Π-Ε2

ΗΒ-100Ζ62-16-6Π-Ε2-ΖΦ

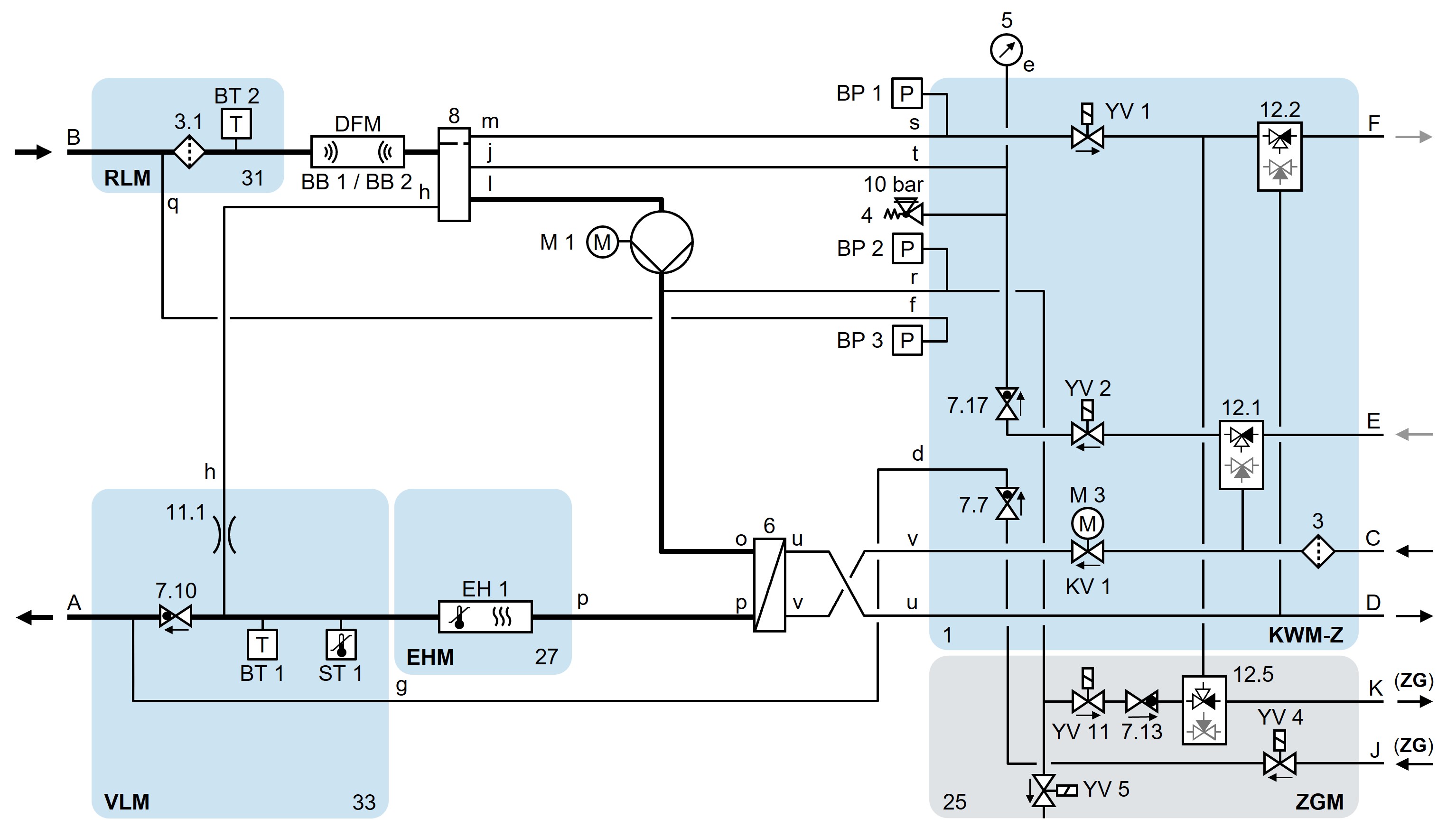
ΗΒ-100Ζ62-16-6Π-Β2/Ε2-ΖΦ-ΖΓ

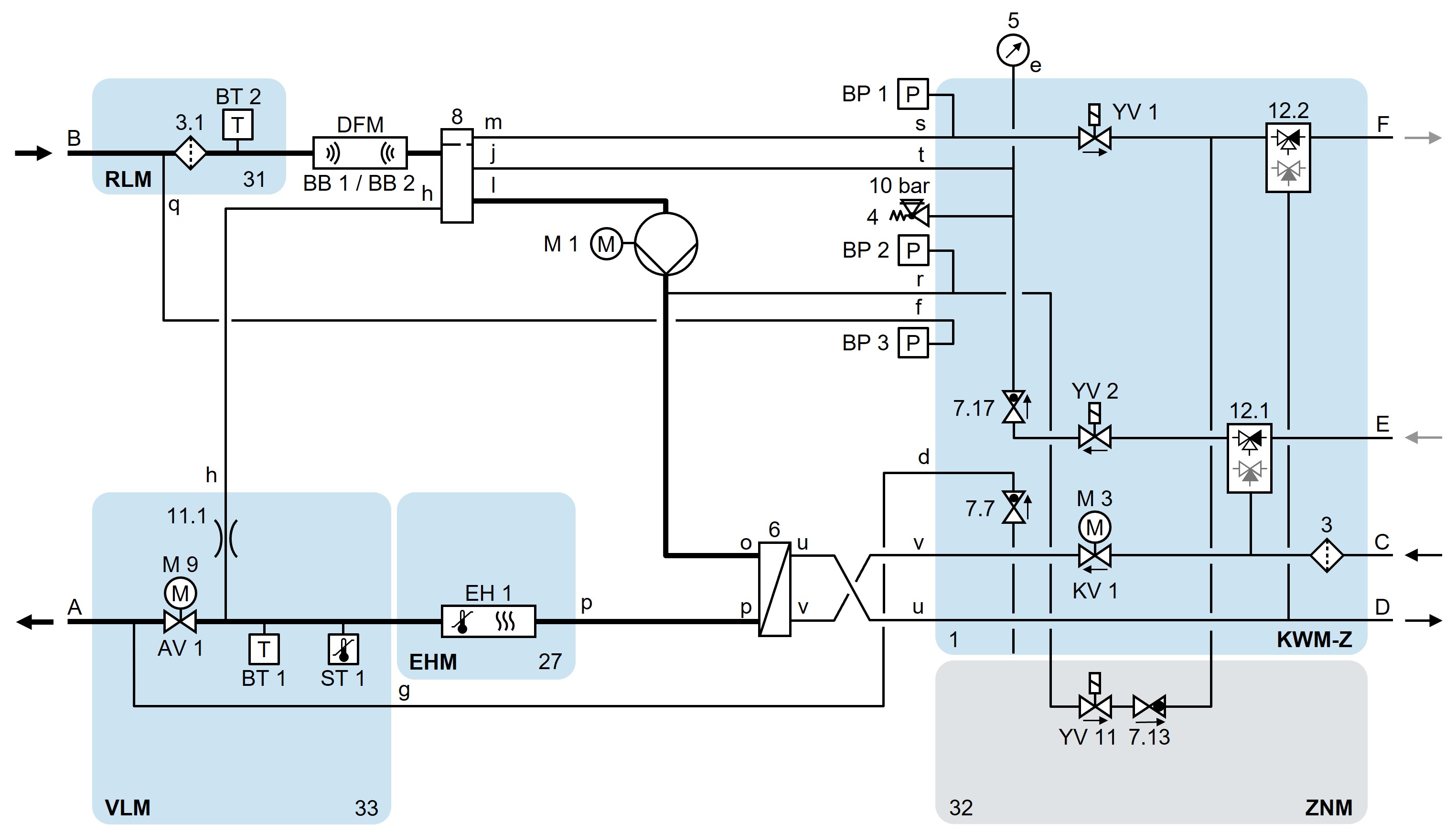
ΗΒ-100Ζ62-16-6Π-Β2/Ε2-ΖΦ-ΖΝ

linkθρύλος