Los datos se intercambianentre el control de la máquina y la unidad de control de temperatura Thermo-6 a través del servidor de interfaces. Gate-6Para controlar la unidad de control de temperatura a través de un controlador externo, haga clic aquí....Fernsteuerung 1 v2533
Ethernet
Interfaz Ethernet OPC UA (EUROMAP 82.1 Release 1.01 / OPC 40082-1)para conectar un máximo de 16 unidades de control de temperatura Thermo-6 y para la conexión a la máquina
Interruptor con 2 enchufes RJ-45
¡NOTA!
Se deben utilizar cables blindados de categoría 5 o superior para todas las conexiones Ethernet. Estos cables están disponibles en tiendas estándar.
DIGITAL (ZD)
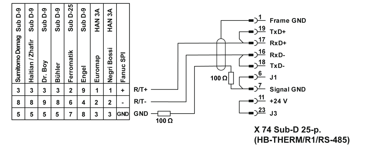
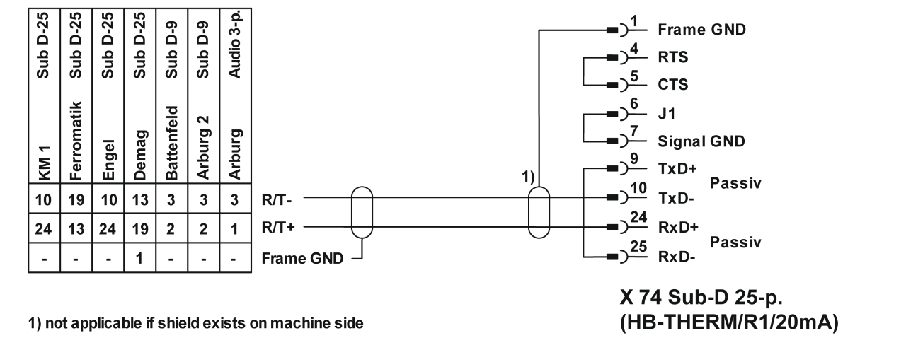
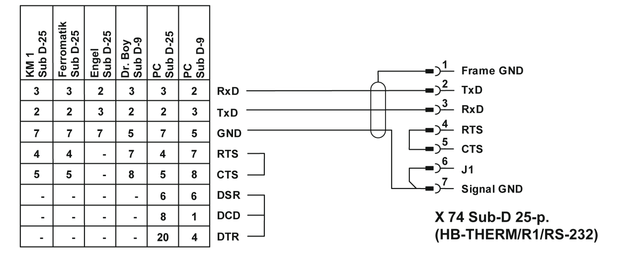
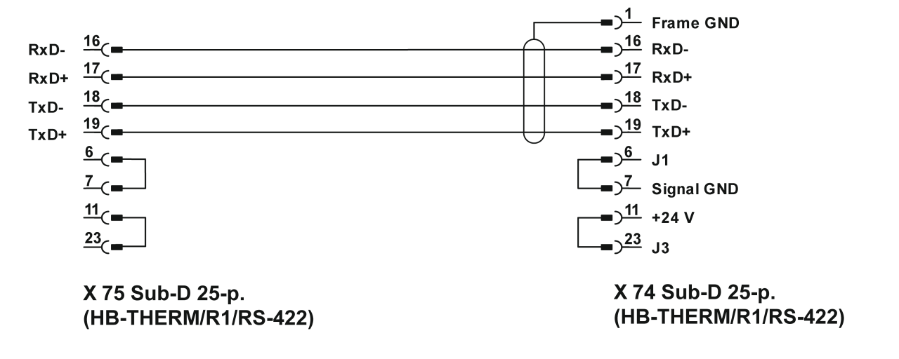
Interfaz de datos en serie 20 mA, RS-232, RS-422/485 (Billion, Bühler, Dr. Boy, Engel, Ferromatik Milacron, Haitian, KraussMaffei, Negri Bossi, SPI (Fanuc, etc.), Stork, Sumitomo Demag, Wittmann Battenfeld, Zhafir)
1 conector hembra D-sub de 25 pines
Los cables de interfaz se encuentran en el catálogo de accesorios
Interfaz de datos en serie PROFIBUS-DPpara hasta 4 unidades de control de temperatura
1 conector D-sub de 9 pines
¡NOTA!
Se deben utilizar cables Profibus tipo A para las conexiones Profibus. Estos cables están disponibles en tiendas estándar.
Datenschutz - Data protection - Protection de données
Wir setzen Cookies ein, um Ihnen die Nutzung unserer Webseite zu erleichtern. Weitere Informationen zu Cookies finden Sie in unserer Datenschutzerklärung. We use cookies to help you use our website. More information about cookies can be found in our privacy policy. Notre site utilise des cookies afin de vous garantir un service optimal. En utilisant ce site web, vous acceptez les présentes conditions. Vous trouverez privacy policy de plus amples informations. Privacy Policy