Les données sont échangéesentre la commande de la machine et le Thermorégulateur Thermo-6 via le serveur dinterface. Gate-6Pour commander le Thermorégulateur via un contrôleur externe, cliquez ici...
Ethernet
Interface Ethernet OPC UA (EUROMAP 82.1 Release 1.01 / OPC 40082-1)pour connecter un maximum de 16 unités de commande de température Thermo-6 et pour la connexion à la machine
Interrupteur à 2 prises RJ-45
REMARQUEZ !
Un câble blindé de catégorie 5 ou supérieur doit être utilisé pour toutes les connexions Ethernet. Ces câbles sont disponibles auprès des détaillants standard.
DIGITAL (ZD)
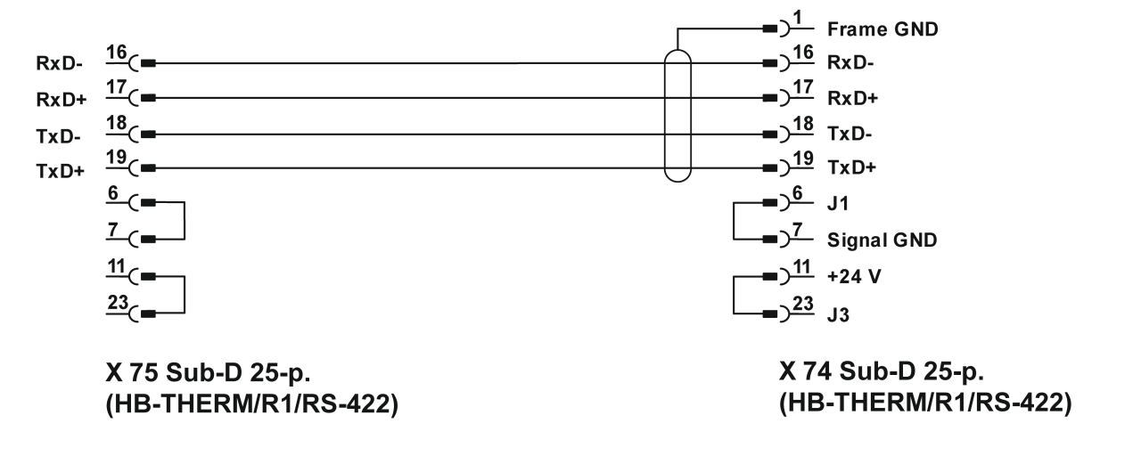
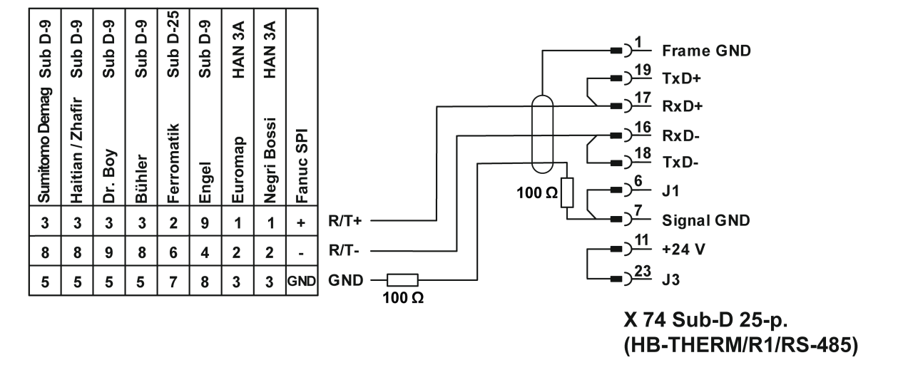
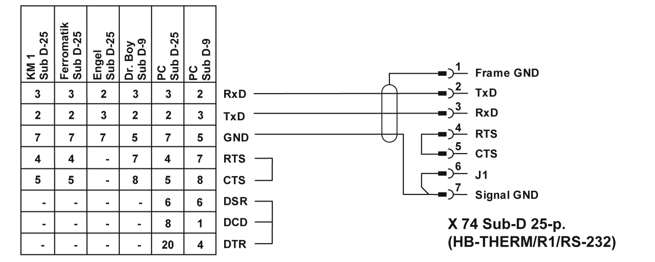
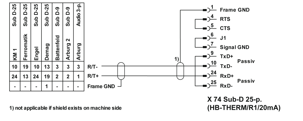
Interface de données série 20 mA, RS-232, RS-422/485 (Billion, Bühler, Dr. Boy, Engel, Ferromatik Milacron, Haitian, KraussMaffei, Negri Bossi, SPI (Fanuc, etc.), Stork, Sumitomo Demag, Wittmann Battenfeld, Zhafir)
1 connecteur Sub-D 25 p (femelle)
Les câbles d'interface se trouvent dans le catalogue des accessoires
Adaptateur (uniquement pour les machines Demag,) O/ID T22590
Demag : appareil 1 avec adresse 13
Netstal : Appareil 1 avec adresse 31
PROFIBUS-DP (ZP)
Interface de données série PROFIBUS-DPpour un maximum de 4 unités de commande de température
1 connecteur Sub-D (9 p. (femelle)
REMARQUEZ !
Un câble Profibus de type A doit être utilisé pour les connexions Profibus. Ces câbles sont disponibles auprès des détaillants standard.
Datenschutz - Data protection - Protection de données
Wir setzen Cookies ein, um Ihnen die Nutzung unserer Webseite zu erleichtern. Weitere Informationen zu Cookies finden Sie in unserer Datenschutzerklärung. We use cookies to help you use our website. More information about cookies can be found in our privacy policy. Notre site utilise des cookies afin de vous garantir un service optimal. En utilisant ce site web, vous acceptez les présentes conditions. Vous trouverez privacy policy de plus amples informations. Privacy Policy