Download page C8842: Sigurnosno isključivanje putem alarma i vanjsko upravljanje.
C8842: Sigurnosno isključivanje putem alarma i vanjsko upravljanje
Posebna verzija (Dodatak A): Sigurnosno isključivanje putem alarma i vanjsko upravljanje
Opis
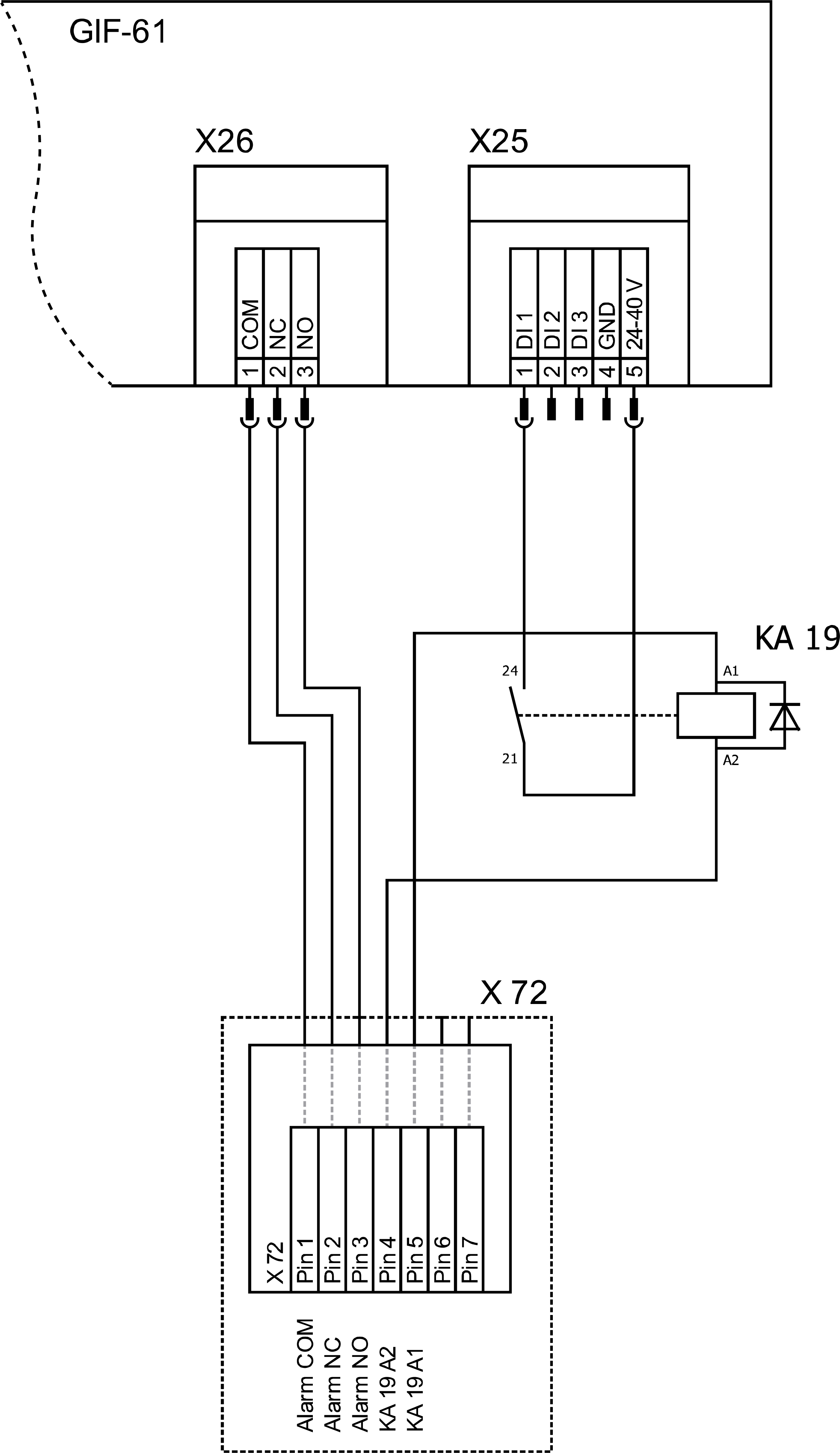
U ovoj verziji uređaj je opremljen dodatnim relejem (KA 19), koji se može koristiti za sigurno isključivanje uređaj. Za rad, relej (KA 19) mora biti isporučen s vanjskim naponom od 24 VDC. Ako je vanjski 24 VDC napon prekinut, relej (KA 19) se isključuje i isključuje uređaj putem kontakta bez potencijala.
namještanje parametara izmjene
Za ovu verziju potrebna je sljedeća Namještanje u glavni izbornik pod [Postavke] > [Razno]:
parametar [Sigurno -OFF Putem Ext. Kontakt] → uključivanje funkcija pomoću klizača ().
Podesite parametar [Temperatura pražnjenje Kalupa] na "90 °C".
BILJEŠKA!
Tren. Parametar [Siguran. -OFF Putem Ext. Kontakt] je uključen, preostale Funkcije vanjsko upravljanje (prebacivanje zadana vrijednost 1 ili 2) deaktiviraju se putem kontakta bez potencijala.
Električna shema modification (izvadak)
Raspored sastavnica modification
modification legende
skraćenica
Oznaka
izvršenje
KA19
Sigurnosni relej za isključivanje
Datenschutz - Data protection - Protection de données
Wir setzen Cookies ein, um Ihnen die Nutzung unserer Webseite zu erleichtern. Weitere Informationen zu Cookies finden Sie in unserer Datenschutzerklärung. We use cookies to help you use our website. More information about cookies can be found in our privacy policy. Notre site utilise des cookies afin de vous garantir un service optimal. En utilisant ce site web, vous acceptez les présentes conditions. Vous trouverez privacy policy de plus amples informations. Privacy Policy