Download page C8842: Drošības izslēgšana, izmantojot trauksmi un ārējā vadība.
C8842: Drošības izslēgšana, izmantojot trauksmi un ārējā vadība
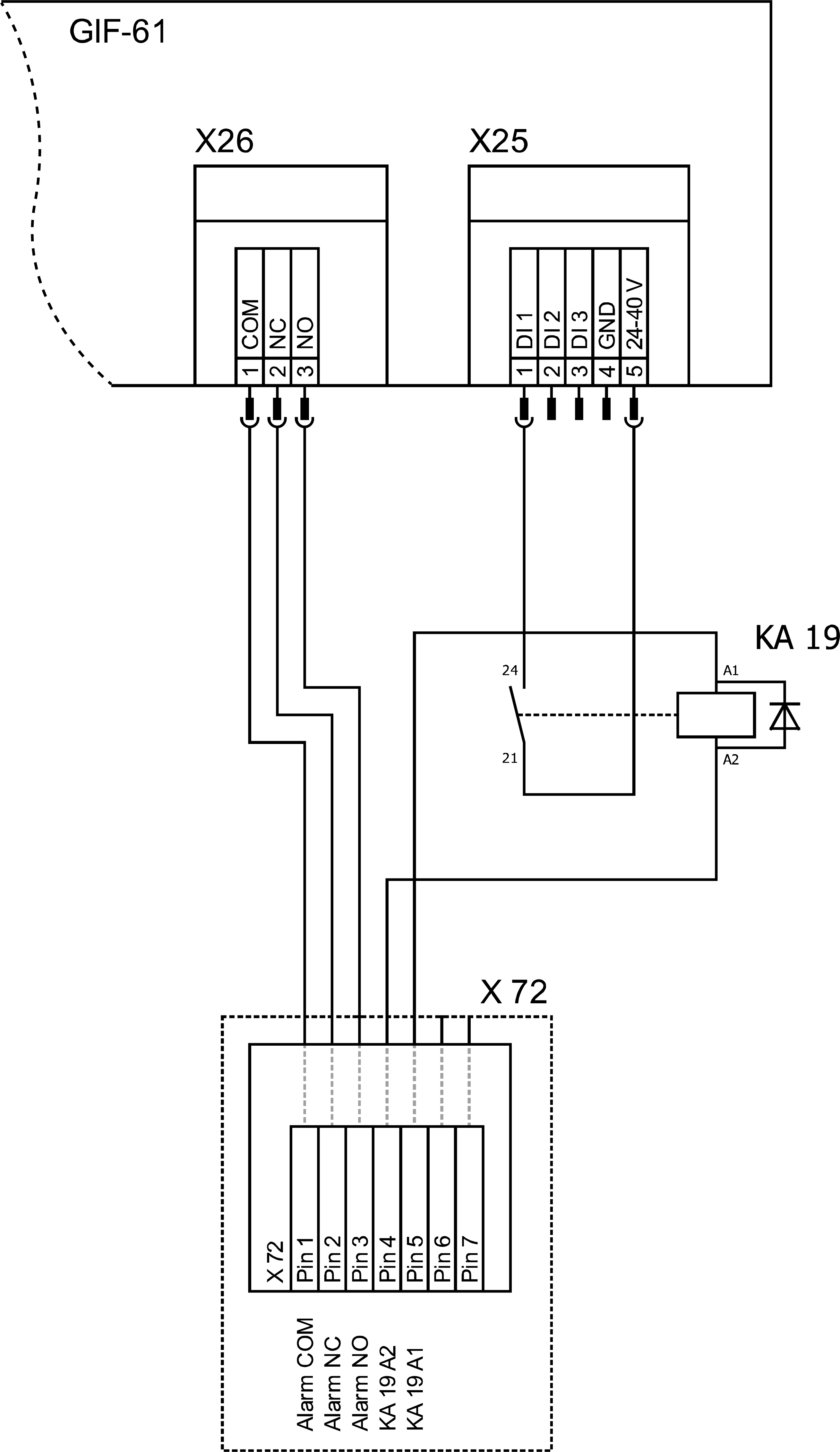
Īpaša versija (A papildinājums): Drošības izslēgšana, izmantojot trauksmes signālu un ārējā vadība
Apraksts
Šajā versijā ierīce ir aprīkota ar papildu releju (KA 19), ko var izmantot, lai droši izslēgtu ierīce. Darbībai relejs (KA 19) jāpiegādā ar ārēju 24 VDC spriegumu. Ja ārējais 24 VDC spriegums tiek pārtraukts, relejs (KA 19) izslēdzas un izslēdz ierīce, izmantojot kontaktu bez potenciāla.
modification parametru Iestatīšana
Šai versijai sadaļā [Iestatījumi] > [Dažādi] galvenā izvēlne ir nepieciešami šādi iestatījumi:
parametrs [Safe -OFF Caur Ext. Kontakti] → ieslēgt funkcija ar slīdni ().
Iestatiet [Pelējuma izlādes temperatūra] parametrs uz “90°C”.
PIEZĪME!
Fakt parametrs [Drošs. -OFF Caur Ext. Kontakti] ir ieslēgts, pārējās Ārējās vadības Funkcijas (pārslēgšanas uzdotā vērtība 1 vai 2) tiek deaktivizētas, izmantojot kontaktu bez potenciāla.
Elektriskās diagrammas modification (izraksts)
modification komponenta vienošanās
Leģendas modification
saīsinājums
Apzīmējums
izpilde
KA19
Drošības izslēgšanas relejs
Datenschutz - Data protection - Protection de données
Wir setzen Cookies ein, um Ihnen die Nutzung unserer Webseite zu erleichtern. Weitere Informationen zu Cookies finden Sie in unserer Datenschutzerklärung. We use cookies to help you use our website. More information about cookies can be found in our privacy policy. Notre site utilise des cookies afin de vous garantir un service optimal. En utilisant ce site web, vous acceptez les présentes conditions. Vous trouverez privacy policy de plus amples informations. Privacy Policy