数据通过接口服务器在机器的控制和 Thermo-6 温度控制单元之间进行交换Gate-6要通过外部控制器控制温度控制单元,请单击此处... .Fernsteuerung 1 v2533

Ethernet

  • 以太网接OPC UA (EUROMAP 82.1 Release 1.01 / OPC 40082-1)口,用于连接最多 16 个 Thermo-6 温度控制单元并用于连接机器

  • 带 2 个插座的开关 RJ-45

注意!

所有 Ethernet 连接都必须使用 5 类或更高级别的屏蔽电缆。 这些电缆可从标准零售商处购买。

DIGITAL (ZD)

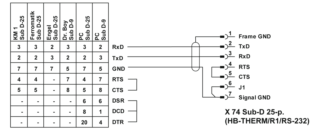
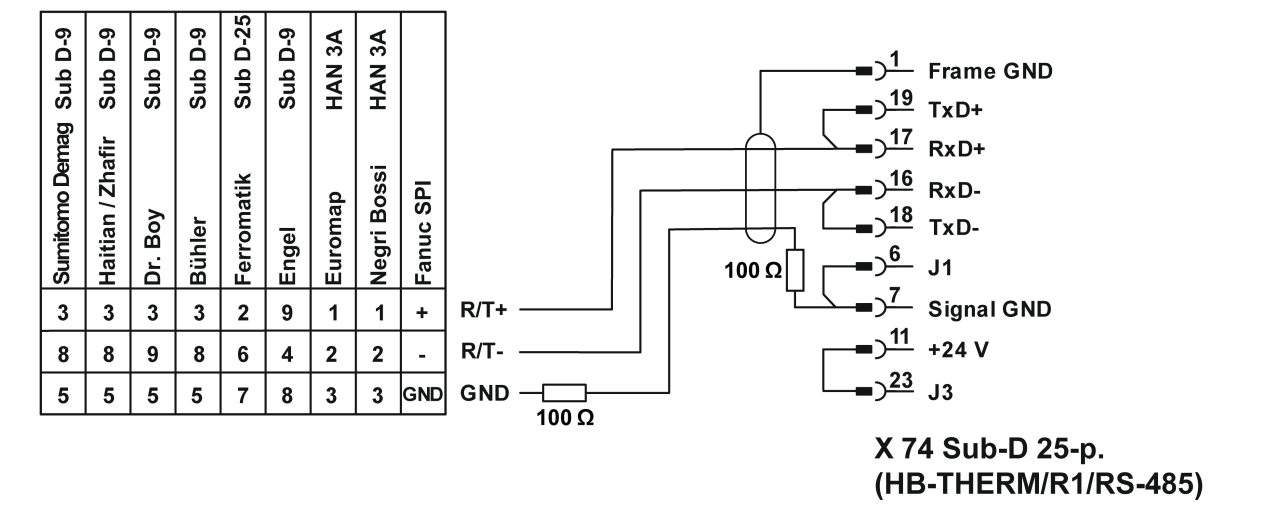
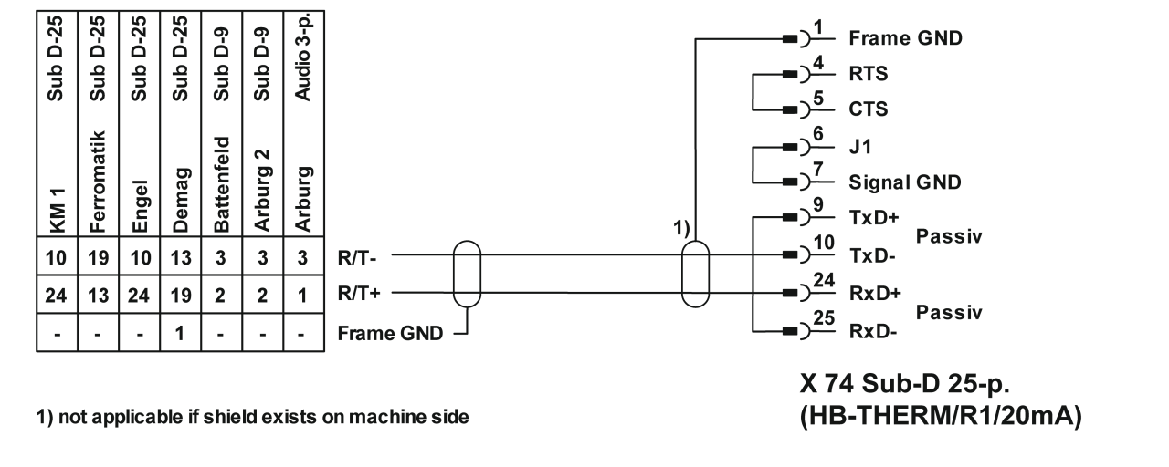
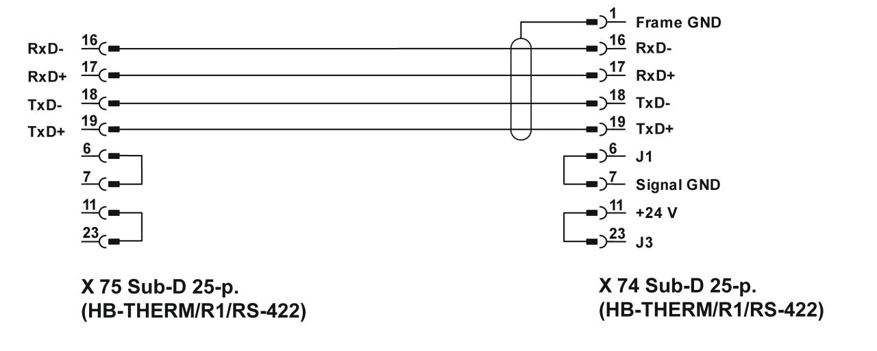
  • 串行数据接口 20 mA, RS-232, RS-422/485 (Billion, Bühler, Dr. Boy, Engel, Ferromatik Milacron, Haitian, KraussMaffei, Negri Bossi, SPI (Fanuc, etc.), Stork, Sumitomo Demag, Wittmann Battenfeld, Zhafir)

  • 连接器sub-D 25BOWELEN (母)

  • 接口电缆可在配件目录中找到

电缆引脚分配

20 mA(current loop)

RS-232

RS-485

RS-422(连接电缆)

CAN (ZC)

  • 串行数据接口 CAN-Bus (Sumitomo Demag), CANopen (EUROMAP 66; Netstal, etc.)
  • 连接器sub-D 9BOWELENS (母)
  • 接口电缆可在配件目录中找到

电缆引脚分配

适配器(仅适用于 Demag 机器,)O/ID T22590

  • Demag:设备 1,地址为 13
  • Netstal:地址为 31 的设备 1

PROFIBUS-DP (ZP)

  • 串行数据PROFIBUS-DP接口,最多可连接 4 个温度控制单元
  • 1 个 9 针 Sub-D 连接器 9 针

注意!

必须使用 A 型 Profibus 电缆进行 Profibus 连接。 这些电缆可从标准零售商处购买